Скачать ГОСТ 19308-73 Изложницы центробежные с фланцем и центробежными замками. Конструкция и размеры

Дата актуализации: 01.01.2021

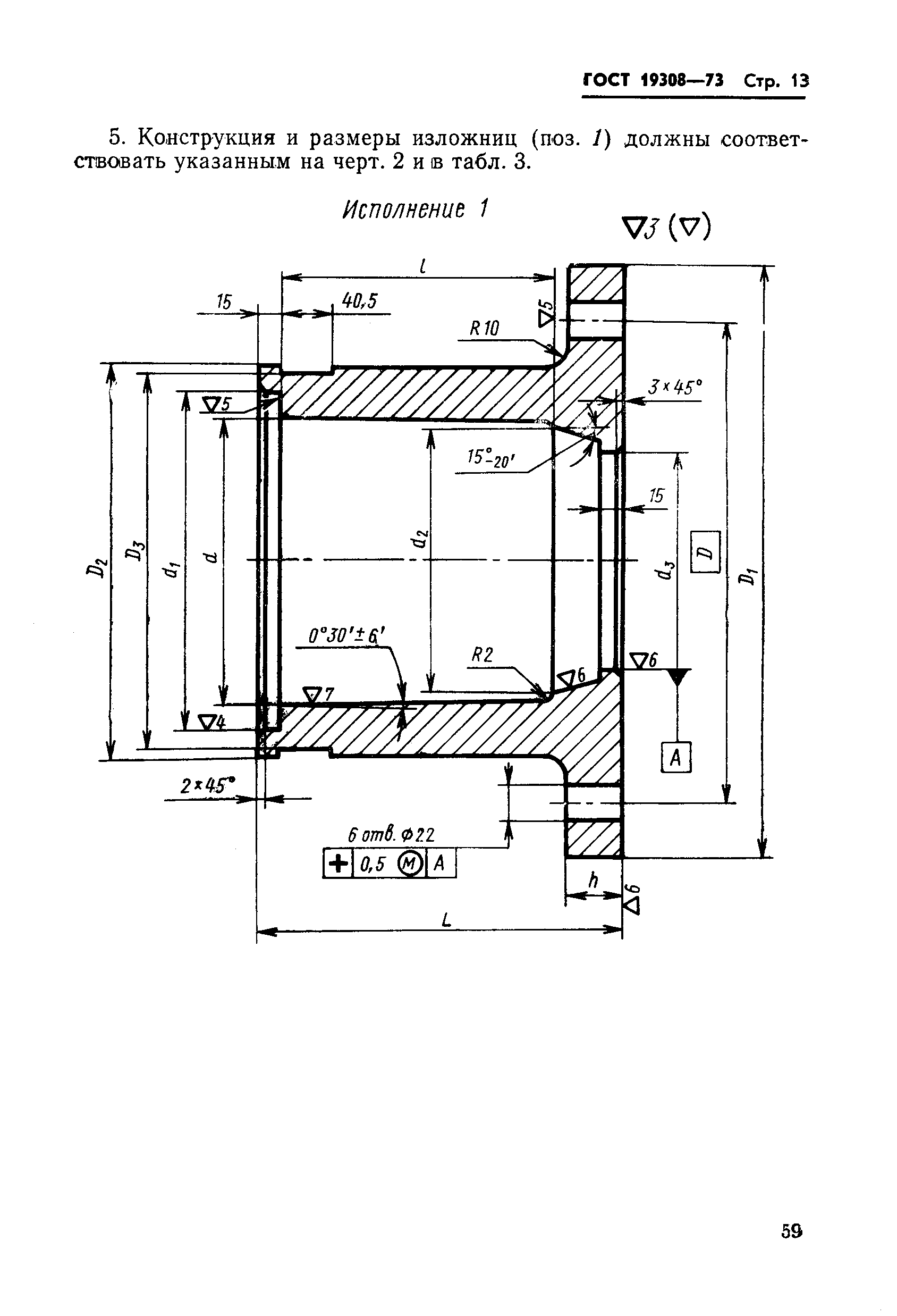
ГОСТ 19308-73

Изложницы центробежные с фланцем и центробежными замками. Конструкция и размеры

Обозначение: ГОСТ 19308-73
Обозначение англ: GOST 19308-73
Статус:заменен
Название рус.:Изложницы центробежные с фланцем и центробежными замками. Конструкция и размеры
Название англ.:Centrifugal moulds with flange and centrifugal locks. Construction and dimensions
Дата добавления в базу:01.10.2014
Дата актуализации:01.01.2021
Дата введения:01.01.1975
Дата окончания срока действия:01.01.2000
Область применения:Стандарт распространяется на центробежные изложницы с фланцем и центробежными замками для однопозиционных центробежных литьевых машин консольного типа с горизонтальной осью вращения, предназначенные для отливки втулок из стали, чугуна и цветных сплавов.
Утверждён:26.12.1973 Госкомстандартов Совета Министров СССР (2799)
Заменяет собой:
  • МН 4189-62
Нормативные ссылки:
ГОСТ 19308-73ГОСТ 19308-73ГОСТ 19308-73ГОСТ 19308-73ГОСТ 19308-73ГОСТ 19308-73ГОСТ 19308-73ГОСТ 19308-73ГОСТ 19308-73ГОСТ 19308-73ГОСТ 19308-73ГОСТ 19308-73ГОСТ 19308-73ГОСТ 19308-73ГОСТ 19308-73ГОСТ 19308-73ГОСТ 19308-73ГОСТ 19308-73ГОСТ 19308-73ГОСТ 19308-73ГОСТ 19308-73ГОСТ 19308-73