Скачать ГОСТ 19505-86 Модели литейные и ящики стержневые пластмассовые. Технические требования

Дата актуализации: 01.01.2021

ГОСТ 19505-86

Модели литейные и ящики стержневые пластмассовые. Технические требования

Обозначение: ГОСТ 19505-86
Обозначение англ: GOST 19505-86
Статус:действует
Название рус.:Модели литейные и ящики стержневые пластмассовые. Технические требования
Название англ.:Plastic models and core boxes for casting. Technical requirements
Дата добавления в базу:01.09.2013
Дата актуализации:01.01.2021
Дата введения:01.07.1987
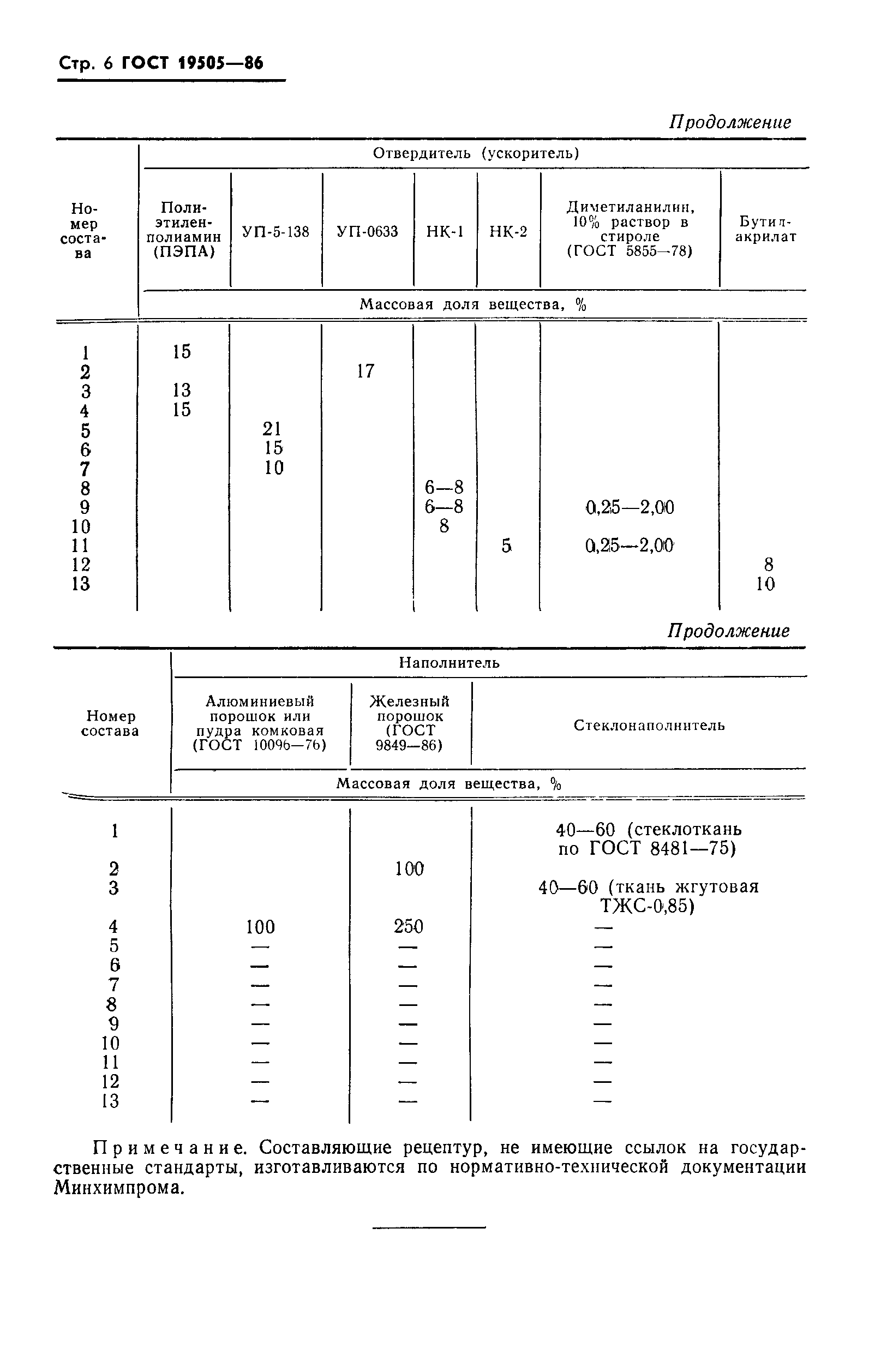
Оглавление:Приложение 1 Составы рецептур пластических масс для изготовления литейных моделей и стержневых ящиков
Приложение 2 Физико-механические свойства пластических масс в отвержденном состоянии
Утверждён:26.05.1986 Госстандарт СССР (USSR Gosstandart 1290)
ГОСТ 19505-86ГОСТ 19505-86ГОСТ 19505-86ГОСТ 19505-86ГОСТ 19505-86ГОСТ 19505-86ГОСТ 19505-86ГОСТ 19505-86ГОСТ 19505-86ГОСТ 19505-86