Скачать ГОСТ 19960-74 Матрицы-заготовки цилиндрические пресс-форм для выплавляемых моделей. Конструкция и размеры

Дата актуализации: 01.01.2021

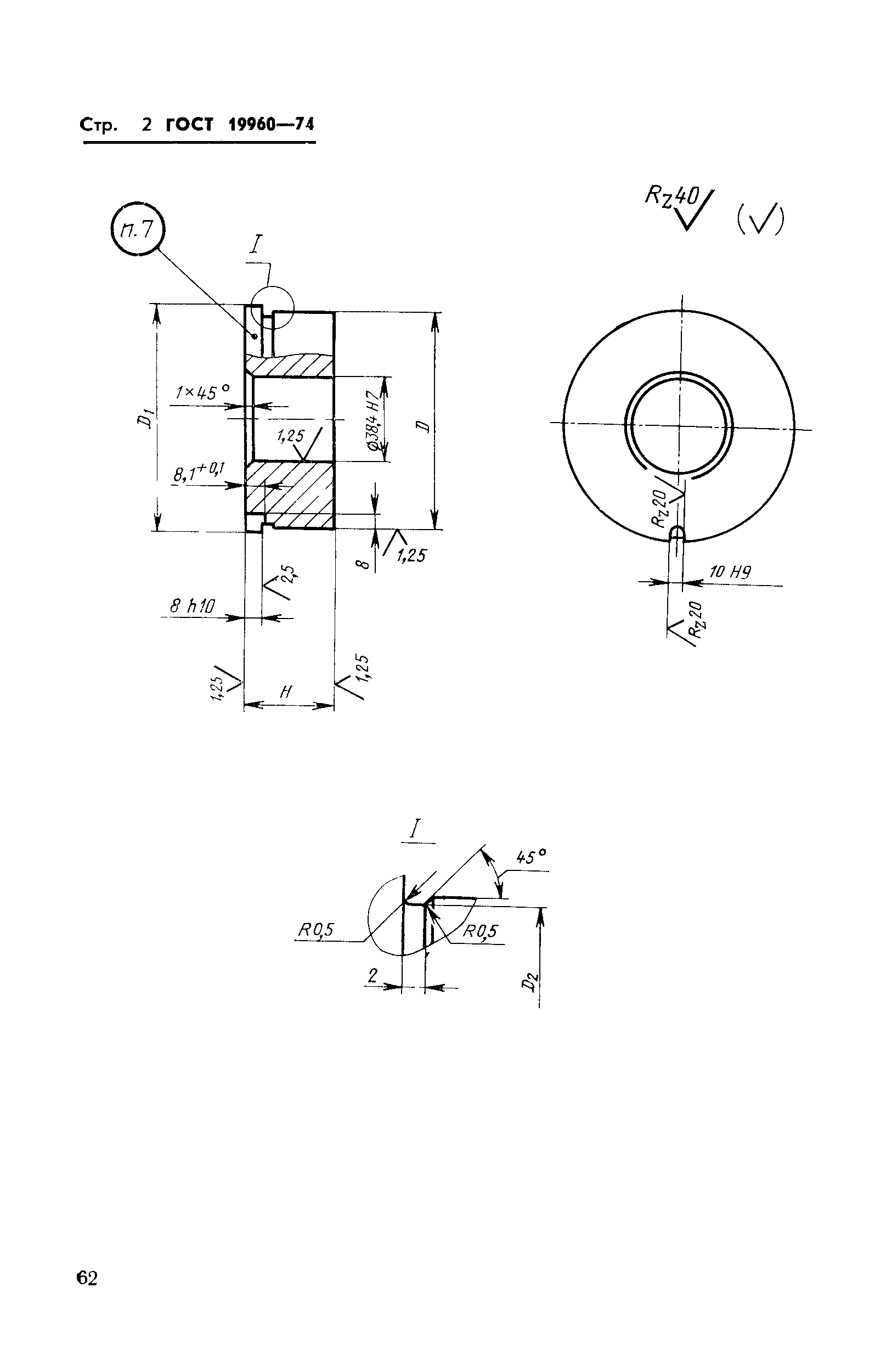
ГОСТ 19960-74

Матрицы-заготовки цилиндрические пресс-форм для выплавляемых моделей. Конструкция и размеры

Обозначение: ГОСТ 19960-74
Обозначение англ: GOST 19960-74
Статус:действует
Название рус.:Матрицы-заготовки цилиндрические пресс-форм для выплавляемых моделей. Конструкция и размеры
Название англ.:Cylinder matrices-blanks for wax-pattern dies. Design and dimensions
Дата добавления в базу:01.09.2013
Дата актуализации:01.01.2021
Дата введения:01.01.1976
Утверждён:26.07.1974 Госстандарт СССР (USSR Gosstandart 1779)
Заменяет собой:
  • МН 4314-63 (Сведения из перечня "Указатель государственных стандартов СССР 1980 г.", Издательство стандартов 1980)
ГОСТ 19960-74ГОСТ 19960-74ГОСТ 19960-74ГОСТ 19960-74ГОСТ 19960-74