Скачать ГОСТ 19968-74 Обоймы подвижные пресс-форм для выплавляемых моделей с цилиндрическими матрицами диаметром свыше 190 мм. Конструкция и размеры

Дата актуализации: 01.01.2021

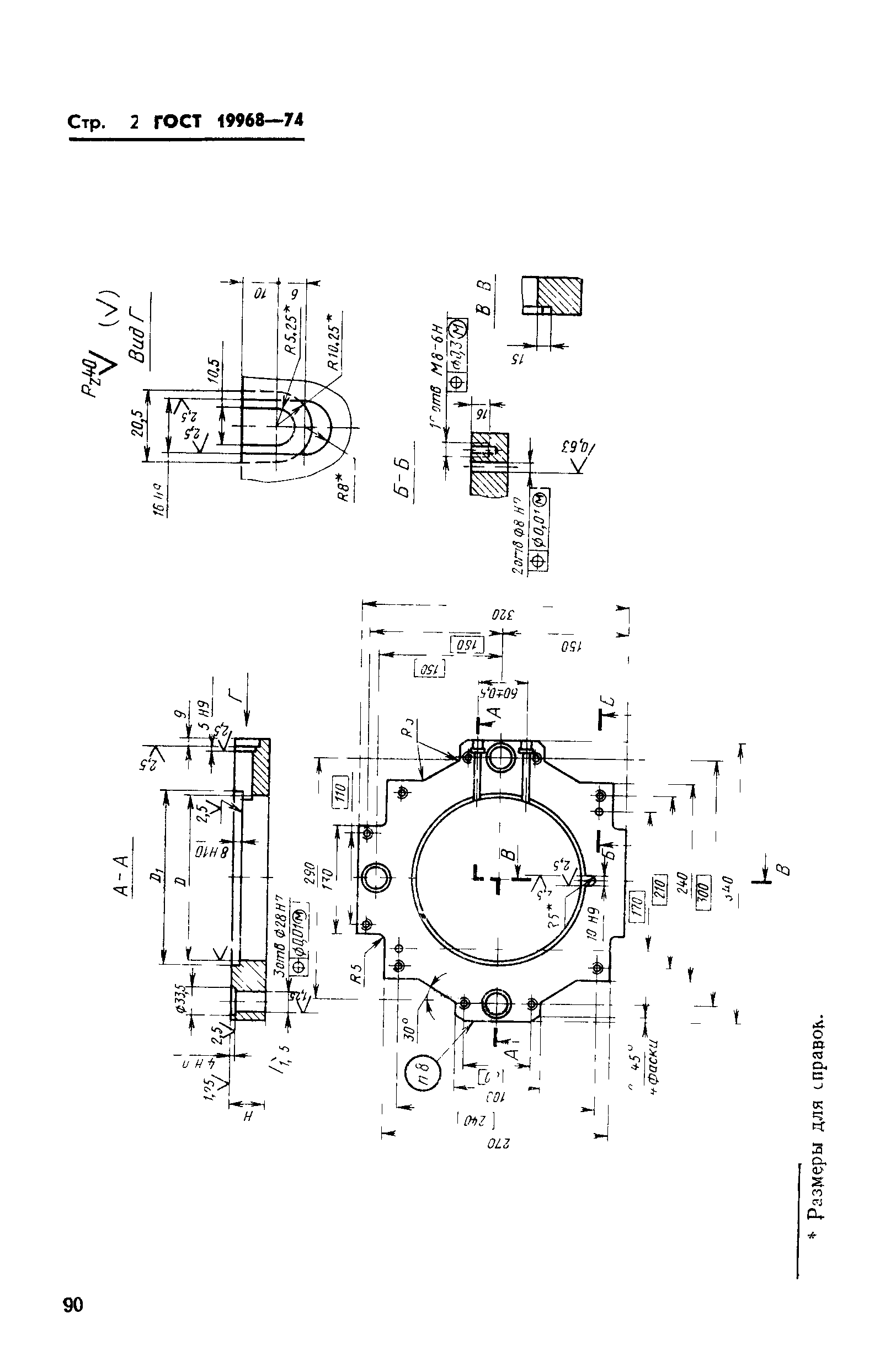
ГОСТ 19968-74

Обоймы подвижные пресс-форм для выплавляемых моделей с цилиндрическими матрицами диаметром свыше 190 мм. Конструкция и размеры

Обозначение: ГОСТ 19968-74
Обозначение англ: GOST 19968-74
Статус:действует
Название рус.:Обоймы подвижные пресс-форм для выплавляемых моделей с цилиндрическими матрицами диаметром свыше 190 мм. Конструкция и размеры
Название англ.:Movable retainer rings for wax-pattern dies with min 190 mm dia cylinder matrices. Design and dimensions
Дата добавления в базу:01.09.2013
Дата актуализации:01.01.2021
Дата введения:01.01.1976
Утверждён:26.07.1974 Госстандарт СССР (USSR Gosstandart 1779)
Заменяет собой:
  • МН 4302-63 (в части конструкции подвижных обойм)
ГОСТ 19968-74ГОСТ 19968-74ГОСТ 19968-74ГОСТ 19968-74