Скачать ГОСТ 19970-74 Обоймы неподвижные пресс-форм для выплавляемых моделей с цилиндрическими матрицами диаметром до 190 мм. Конструкция и размеры

Дата актуализации: 01.01.2021

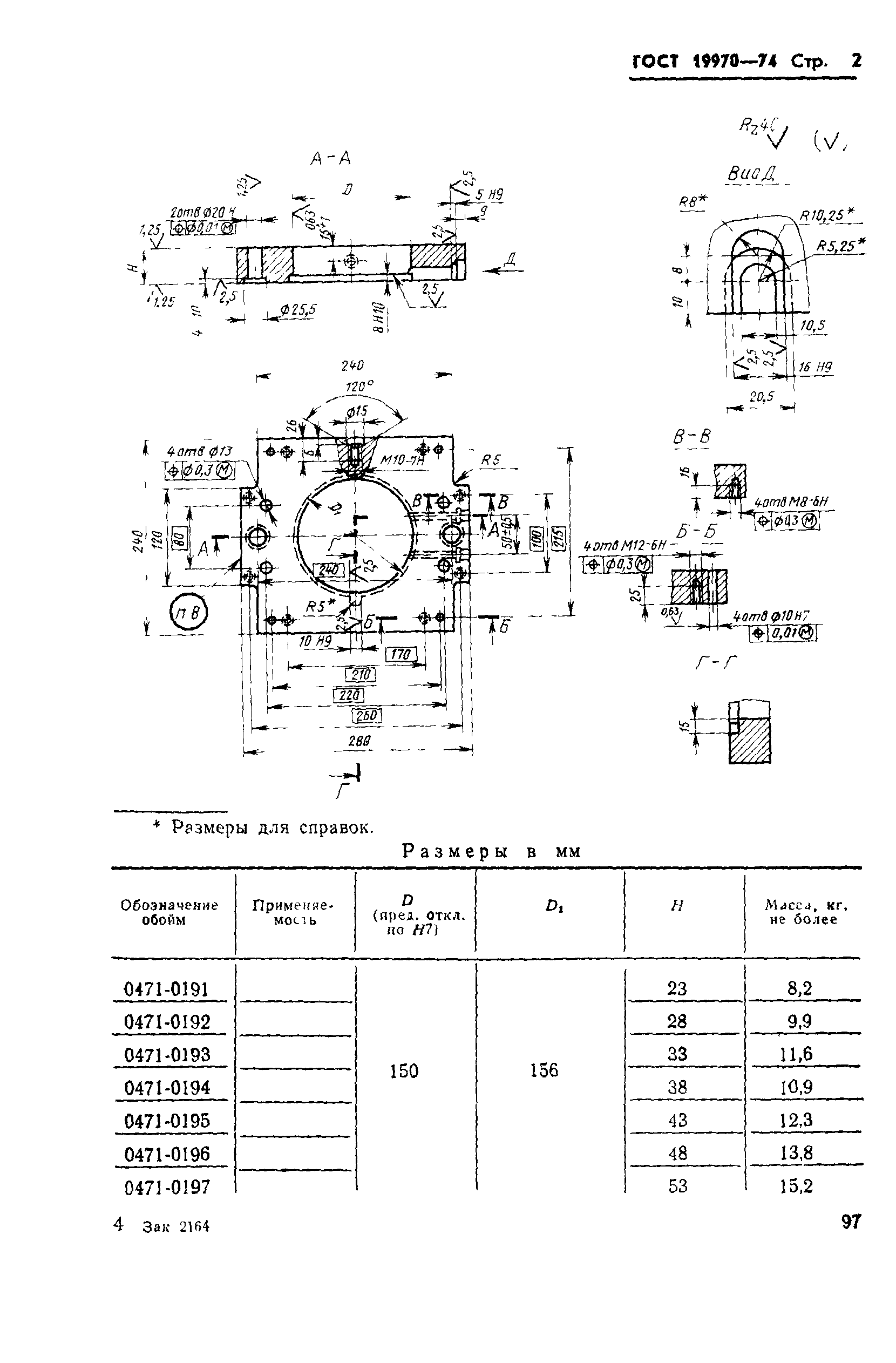
ГОСТ 19970-74

Обоймы неподвижные пресс-форм для выплавляемых моделей с цилиндрическими матрицами диаметром до 190 мм. Конструкция и размеры

Обозначение: ГОСТ 19970-74
Обозначение англ: GOST 19970-74
Статус:действует
Название рус.:Обоймы неподвижные пресс-форм для выплавляемых моделей с цилиндрическими матрицами диаметром до 190 мм. Конструкция и размеры
Название англ.:Stationary retainer rings for wax-pattern dies with max 190 mm dia cylinder matrices. Design and dimensions
Дата добавления в базу:01.09.2013
Дата актуализации:01.01.2021
Дата введения:01.01.1976
Утверждён:26.07.1974 Госстандарт СССР (USSR Gosstandart 1779)
Заменяет собой:
  • МН 4301-63 (в части конструкции неподвижных обойм)
ГОСТ 19970-74ГОСТ 19970-74ГОСТ 19970-74