Скачать ГОСТ 19973-74 Плита-заготовка промежуточная пресс-форм для выплавляемых моделей с цилиндрическими матрицами диаметром до 190 мм. Конструкция и размеры

Дата актуализации: 01.01.2021

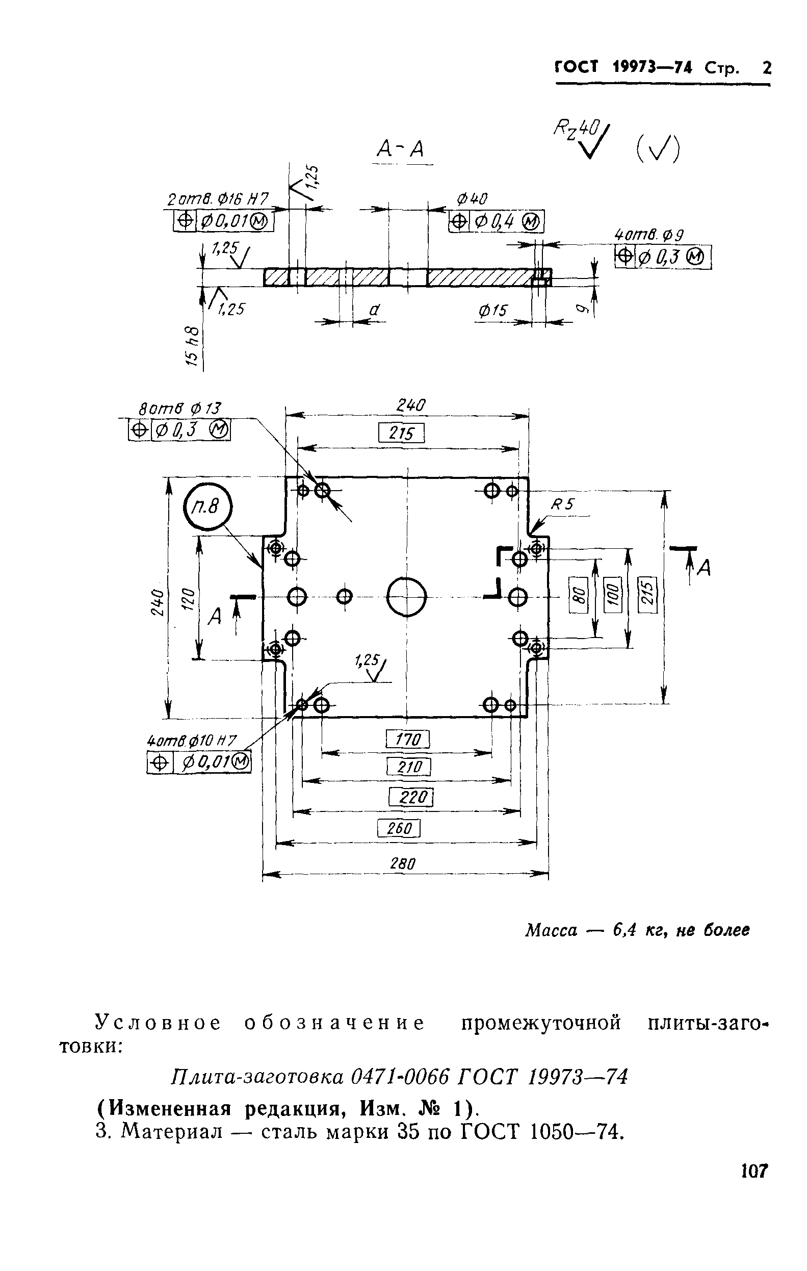
ГОСТ 19973-74

Плита-заготовка промежуточная пресс-форм для выплавляемых моделей с цилиндрическими матрицами диаметром до 190 мм. Конструкция и размеры

Обозначение: ГОСТ 19973-74
Обозначение англ: GOST 19973-74
Статус:действует
Название рус.:Плита-заготовка промежуточная пресс-форм для выплавляемых моделей с цилиндрическими матрицами диаметром до 190 мм. Конструкция и размеры
Название англ.:Intermediate plate-blanks for wax-pattern dies with max 190 mm dia cylinder matrices. Design and dimensions
Дата добавления в базу:01.09.2013
Дата актуализации:01.01.2021
Дата введения:01.01.1976
Утверждён:26.07.1974 Госстандарт СССР (USSR Gosstandart 1779)
Заменяет собой:
  • МН 4301-63 (в части конструкции промежуточной плиты)
ГОСТ 19973-74ГОСТ 19973-74ГОСТ 19973-74