Скачать ГОСТ 20103-74 Плиты модельные стальные для опок размерами в свету 1000х600 мм на формовочные литейные машины без поворота полуформы с допрессовкой. Конструкция и размеры

Дата актуализации: 01.01.2021

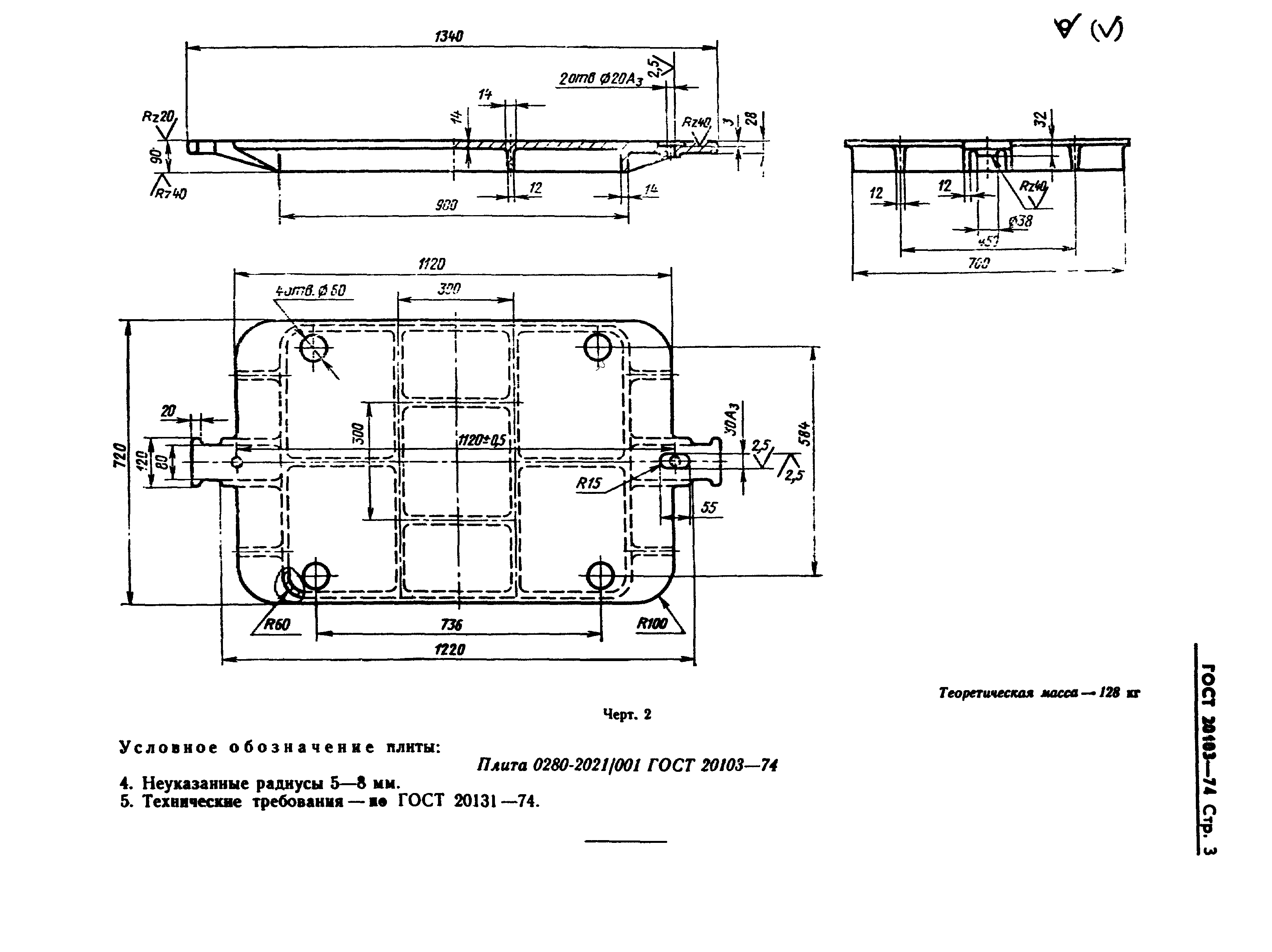
ГОСТ 20103-74

Плиты модельные стальные для опок размерами в свету 1000х600 мм на формовочные литейные машины без поворота полуформы с допрессовкой. Конструкция и размеры

Обозначение: ГОСТ 20103-74
Обозначение англ: GOST 20103-74
Статус:действует
Название рус.:Плиты модельные стальные для опок размерами в свету 1000х600 мм на формовочные литейные машины без поворота полуформы с допрессовкой. Конструкция и размеры
Название англ.:Steel pattern plates for moulding boxes having inside dimensions 1000 x 600 mm for moulding foundry machines without turn of half mould with squeezing. Design and dimensions
Дата добавления в базу:01.09.2013
Дата актуализации:01.01.2021
Дата введения:01.01.1976
Утверждён:21.08.1974 Государственный комитет СССР по стандартам (USSR National Committee on Standards 2023)
Список изменений:
Заменяет собой:
  • МН 3255-62 (Сведения из перечня "Указатель государственных стандартов СССР 1980 г.", Издательство стандартов 1980)
Нормативные ссылки:
ГОСТ 20103-74ГОСТ 20103-74ГОСТ 20103-74ГОСТ 20103-74ГОСТ 20103-74

Текстовое изменение № 1 от 01.10.1981

№ 1№ 1