Скачать ГОСТ 20321-74 Фрезы дисковые со вставными ножами, оснащенные твердосплавными пластинами, для разрезки пластмасс типов гетинакс, текстолит и стеклопластиков. Конструкция и размерыДата актуализации: 01.01.2021 ГОСТ 20321-74
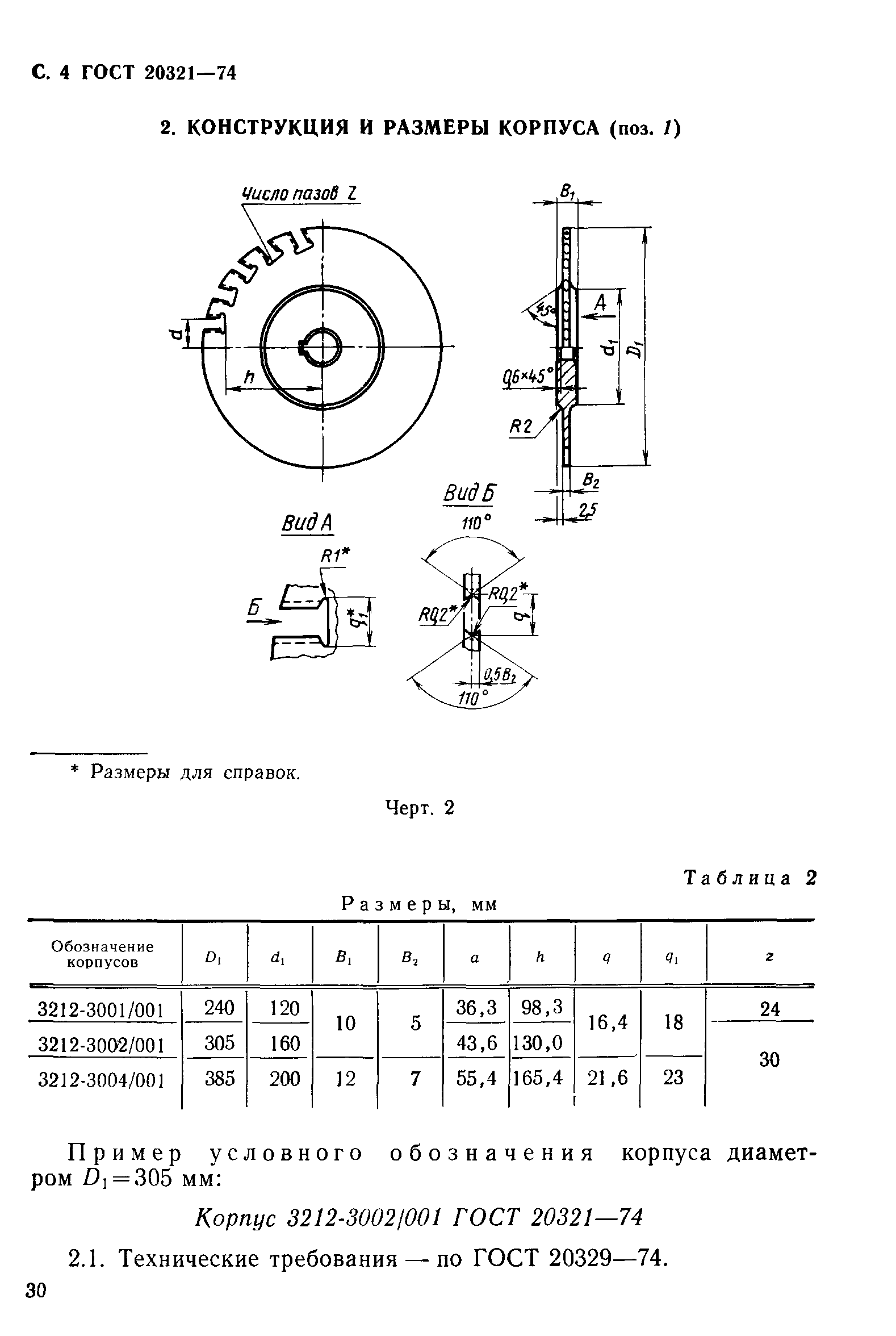
Фрезы дисковые со вставными ножами, оснащенные твердосплавными пластинами, для разрезки пластмасс типов гетинакс, текстолит и стеклопластиков. Конструкция и размеры| Обозначение: | ГОСТ 20321-74 | | Обозначение англ: | GOST 20321-74 | | Статус: | взамен | | Название рус.: | Фрезы дисковые со вставными ножами, оснащенные твердосплавными пластинами, для разрезки пластмасс типов гетинакс, текстолит и стеклопластиков. Конструкция и размеры | | Название англ.: | Disk type milling cutters with inserted carbide blades for cutting plastics micarta, textolite and glass plastics types. Construction and dimensions | | Дата добавления в базу: | 01.09.2013 | | Дата актуализации: | 01.01.2021 | | Дата введения: | 01.01.1976 | | Область применения: | Стандарт распространяется на дисковые фрезы со вставными ножами, оснащенными твердосплавными пластинами, диаметром от 250 до 400 мм, предназначенные для разрезки пластмасс типов гетинакс, текстолит и стеклопластиков на основе стеклотканей, стекловолокна и асботекстолита. | | Оглавление: | 1 Конструкция и размеры фрез 2 Конструкция и размеры корпуса (поз. 1) | | Утверждён: | 28.11.1974 Государственный комитет стандартов Совета Министров СССР (USSR National Committee on Standards at the Cabinet of Ministers 2627)
| | Заменяет собой: | - МН 3644-62 (Сведения из перечня "Указатель государственных стандартов СССР 1980 г.", Издательство стандартов 1980)
| | Нормативные ссылки: | |
  
|