Скачать ГОСТ 20354-74 Масла для авиационных газотурбинных двигателей. Метод определения испаряемости в чашечкахДата актуализации: 01.01.2021
|
| Обозначение: | ГОСТ 20354-74 |
| Обозначение англ: | GOST 20354-74 |
| Статус: | действует |
| Название рус.: | Масла для авиационных газотурбинных двигателей. Метод определения испаряемости в чашечках |
| Название англ.: | Oils for aircraft gas-turbine engines. Method for determination of evaporation loss in evaporating cups |
| Дата добавления в базу: | 01.09.2013 |
| Дата актуализации: | 01.01.2021 |
| Дата введения: | 01.01.1976 |
| Область применения: | Стандарт распространяется на масла для авиационных двигателей и устанавливает метод определения испаряемости при квалификационных испытаниях. |
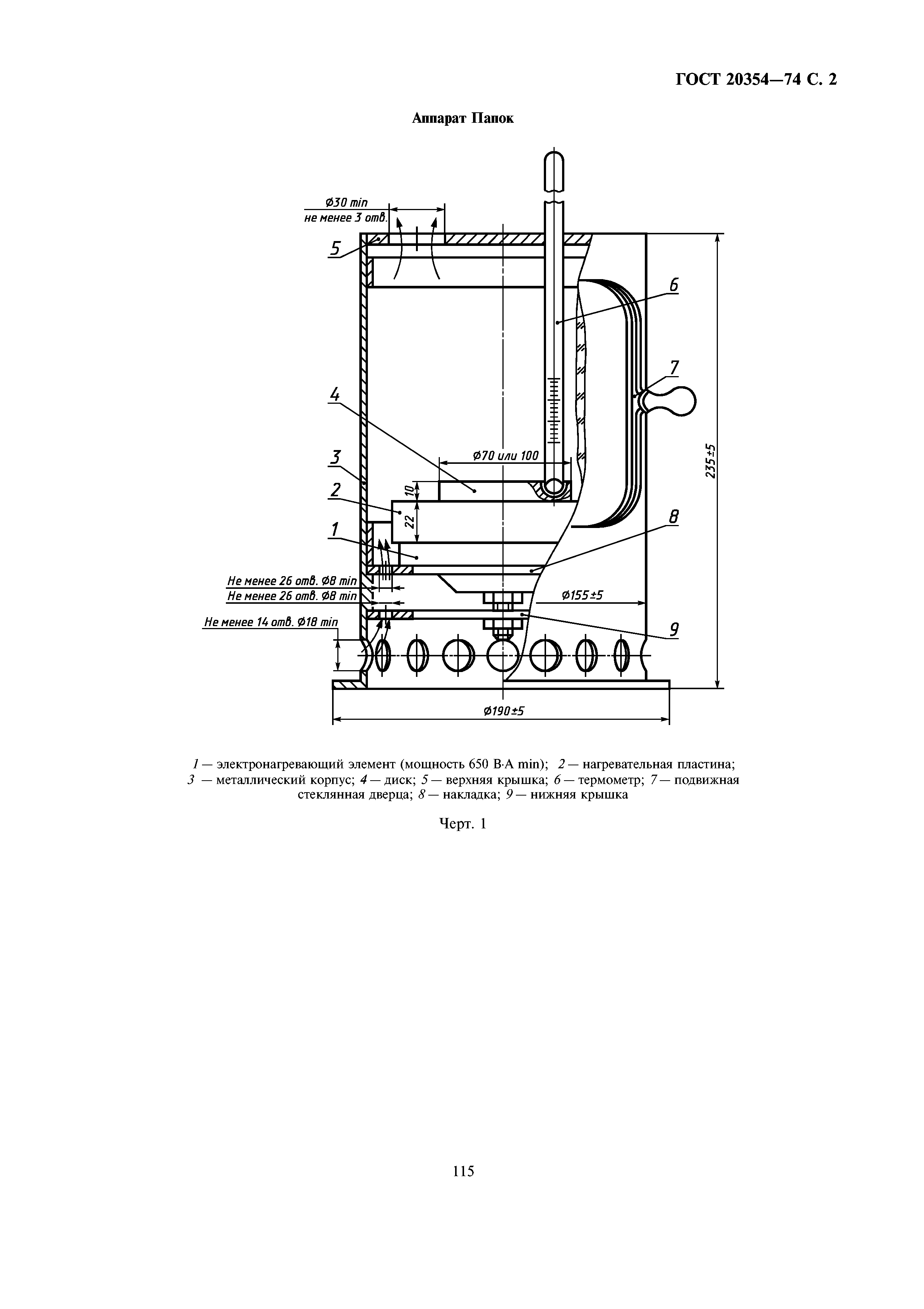
| Оглавление: | 1 Аппаратура, реактивы и материалы 2 Подготовка к испытанию 3 Проведение испытания 4 Обработка результатов 5 Точность метода |
| Утверждён: | 12.12.1974 Госстандарт СССР (USSR Gosstandart 2714) |
| Издан: | Издательство стандартов (1986 г. ) |
| Список изменений: |
|
| Нормативные ссылки: |
|






Текстовое изменение № 3 от 01.06.1990

Текстовое изменение Поправка от 01.12.2007