Скачать ГОСТ 20715-75 Ткани полиамидные технические для клиновых ремней. Технические условияДата актуализации: 01.01.2021
|
| Обозначение: | ГОСТ 20715-75 |
| Обозначение англ: | GOST 20715-75 |
| Статус: | действует |
| Название рус.: | Ткани полиамидные технические для клиновых ремней. Технические условия |
| Название англ.: | Polyamide fabrics for wedge belts. Specifications |
| Дата добавления в базу: | 01.09.2013 |
| Дата актуализации: | 01.01.2021 |
| Дата введения: | 01.07.1976 |
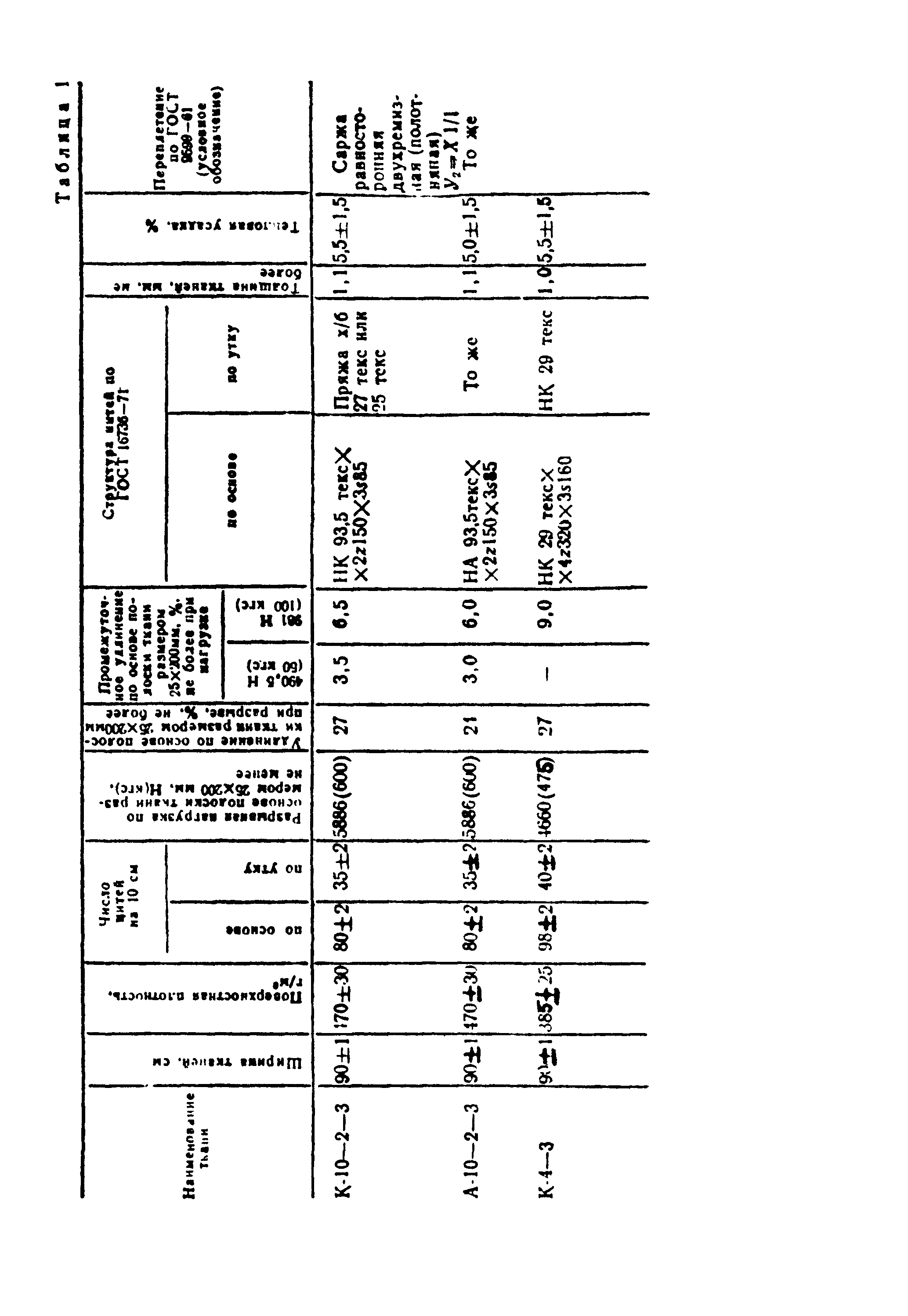
| Оглавление: | 1 Технические требования 2 Правила приемки 3 Методы испытаний 4 Маркировка, упаковка, транспортирование и хранение Приложение к ГОСТ 20715-75 Наименование полиамидных тканей и соответствующие им номера артикулов по прейскуранту № 42-05 (изд. 1971 г.) |
| Утверждён: | 03.04.1975 Госстандарт СССР (USSR Gosstandart 857) |













