Скачать ГОСТ 20874-75 Резцы токарные сборные расточные с механическим креплением многогранных твердосплавных пластин. Конструкция и размеры

Дата актуализации: 01.01.2021

ГОСТ 20874-75

Резцы токарные сборные расточные с механическим креплением многогранных твердосплавных пластин. Конструкция и размеры

Обозначение: ГОСТ 20874-75
Обозначение англ: GOST 20874-75
Статус:действует
Название рус.:Резцы токарные сборные расточные с механическим креплением многогранных твердосплавных пластин. Конструкция и размеры
Название англ.:Combined turning and boring tools with mechanically clamped cemeted carbide indexible inserts. Design and dimensions
Дата добавления в базу:01.09.2013
Дата актуализации:01.01.2021
Дата введения:01.07.1976
Область применения:Стандарт распространяется на резцы токарные сборные расточные с механическим креплением многогранных твердосплавных пластин, предназначенные для растчки сквозных и глухих отверстий диаметром 35 мм и более на станках с числовым программным управлением и на универсальных станках.
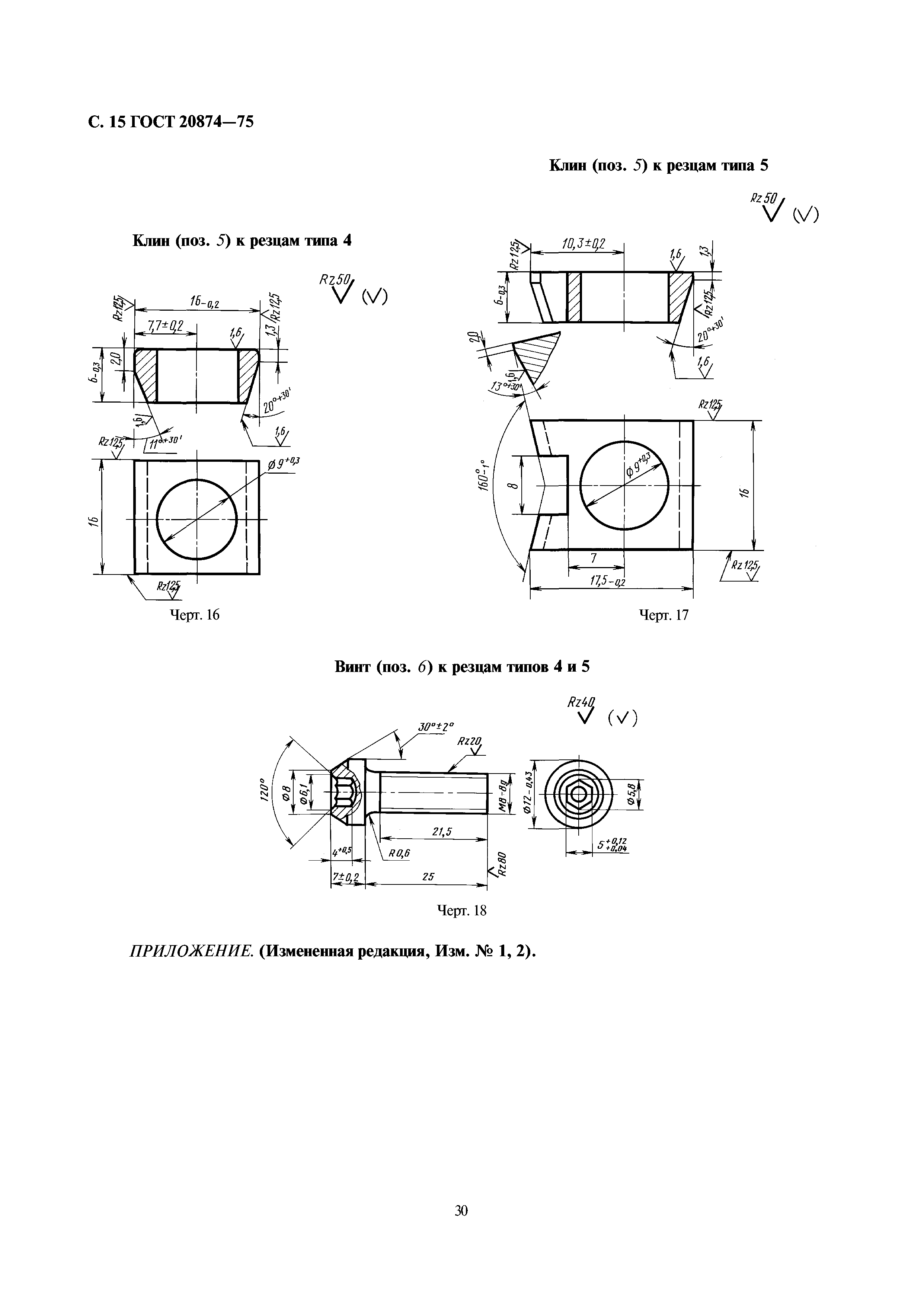
Оглавление:Приложение Конструкция, размеры и геометрические параметры резцов
Утверждён:27.05.1975 Госстандарт СССР (USSR Gosstandart 1421)
Издан: ИПК Издательство стандартов (2003 г. )
ГОСТ 20874-75ГОСТ 20874-75ГОСТ 20874-75ГОСТ 20874-75ГОСТ 20874-75ГОСТ 20874-75ГОСТ 20874-75ГОСТ 20874-75ГОСТ 20874-75ГОСТ 20874-75ГОСТ 20874-75ГОСТ 20874-75ГОСТ 20874-75ГОСТ 20874-75ГОСТ 20874-75