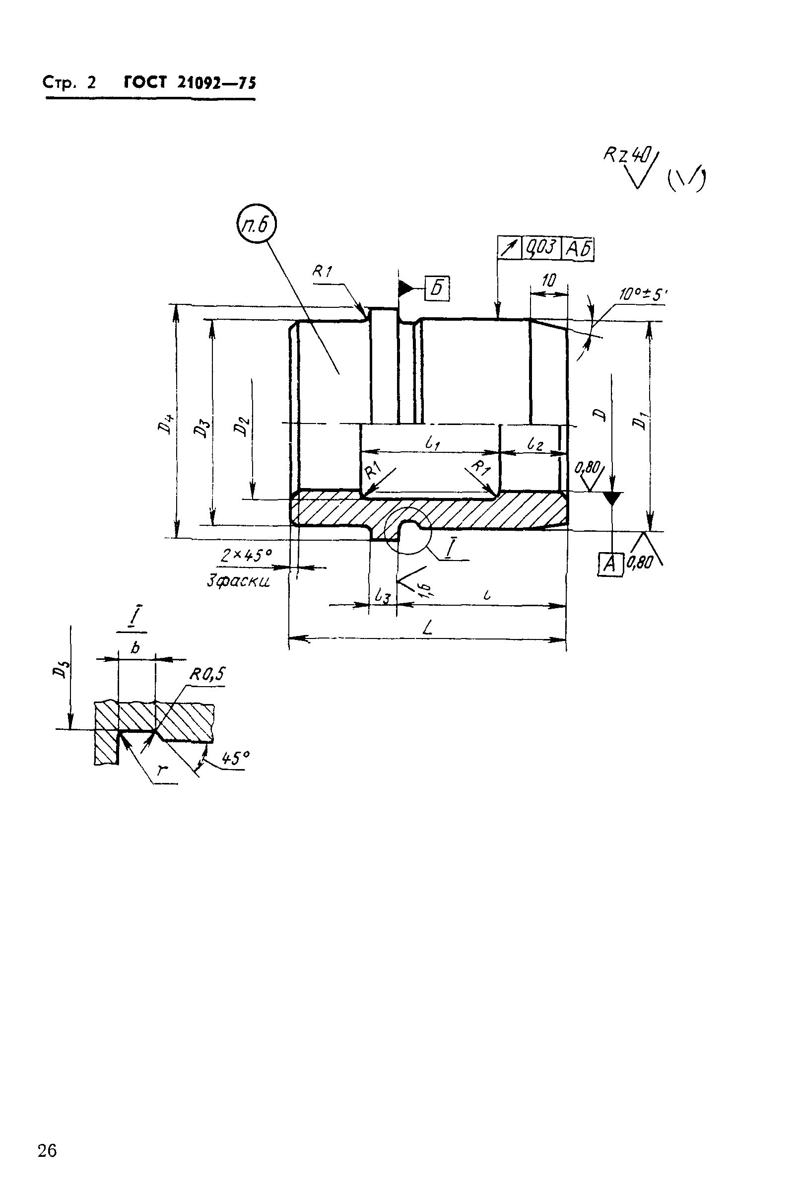
Скачать ГОСТ 21092-75 Втулки направляющих колонок для кокилей с жидкостным охлаждением. Конструкция и размерыДата актуализации: 01.01.2021 ГОСТ 21092-75
Втулки направляющих колонок для кокилей с жидкостным охлаждением. Конструкция и размеры| Обозначение: | ГОСТ 21092-75 | | Обозначение англ: | GOST 21092-75 | | Статус: | действует | | Название рус.: | Втулки направляющих колонок для кокилей с жидкостным охлаждением. Конструкция и размеры | | Название англ.: | Guide columns bushes for chill moulds with fluid cooling. Construction and dimensions | | Дата добавления в базу: | 01.09.2013 | | Дата актуализации: | 01.01.2021 | | Дата введения: | 01.01.1977 | | Утверждён: | 18.08.1975 Госстандарт СССР (USSR Gosstandart 2173)
|
  
|