Скачать ГОСТ 21300-75 Соединения центрирующие с зажимом для нагреваемых стержневых ящиков. Конструкция и размерыДата актуализации: 01.01.2021
|
| Обозначение: | ГОСТ 21300-75 |
| Обозначение англ: | GOST 21300-75 |
| Статус: | действует |
| Название рус.: | Соединения центрирующие с зажимом для нагреваемых стержневых ящиков. Конструкция и размеры |
| Название англ.: | Centring joinings with clamps for heated core boxes. Design and dimensions |
| Дата добавления в базу: | 01.09.2013 |
| Дата актуализации: | 01.01.2021 |
| Дата введения: | 01.01.1977 |
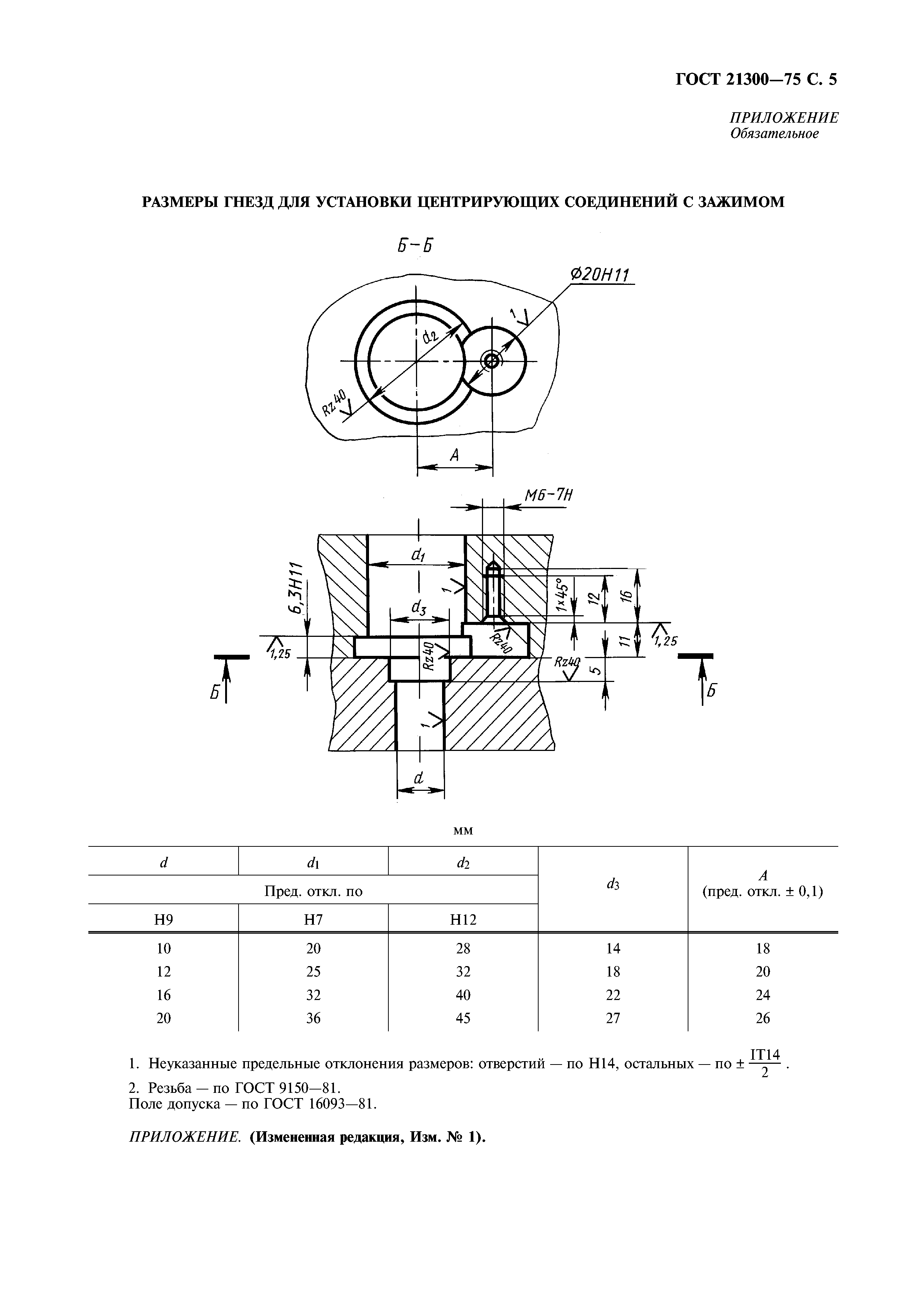
| Оглавление: | 1 Конструкция и размеры центрирующих соединений с зажимом 2 Конструкция и размеры центрирующих втулок Приложение Размры гнезд для установки центрирующих соединений с зажимом |
| Утверждён: | 28.11.1975 Госстандарт СССР (USSR Gosstandart 3726) |
| Издан: | Издательство стандартов (1976 г. ) ИПК Издательство стандартов (2001 г. ) |






