Скачать ГОСТ 21540-76 Зенкеры, оснащенные твердосплавными пластинами для обработки деталей из нержавеющих и жаропрочных сталей и сплавов. Конструкция и размерыДата актуализации: 01.01.2021 ГОСТ 21540-76
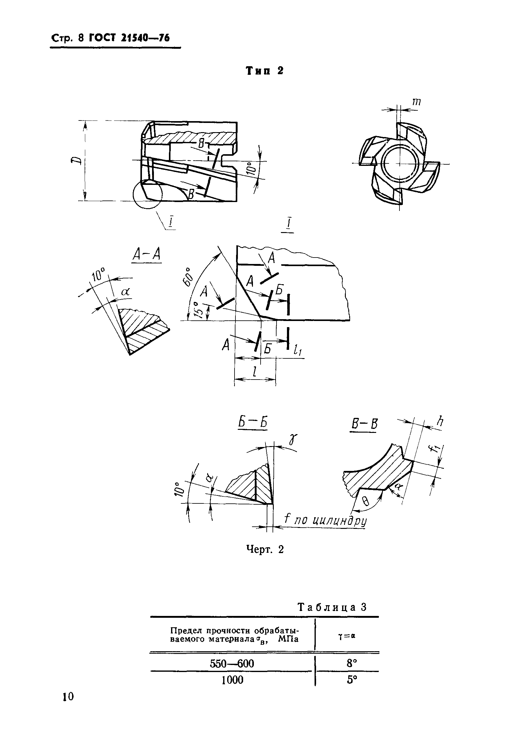
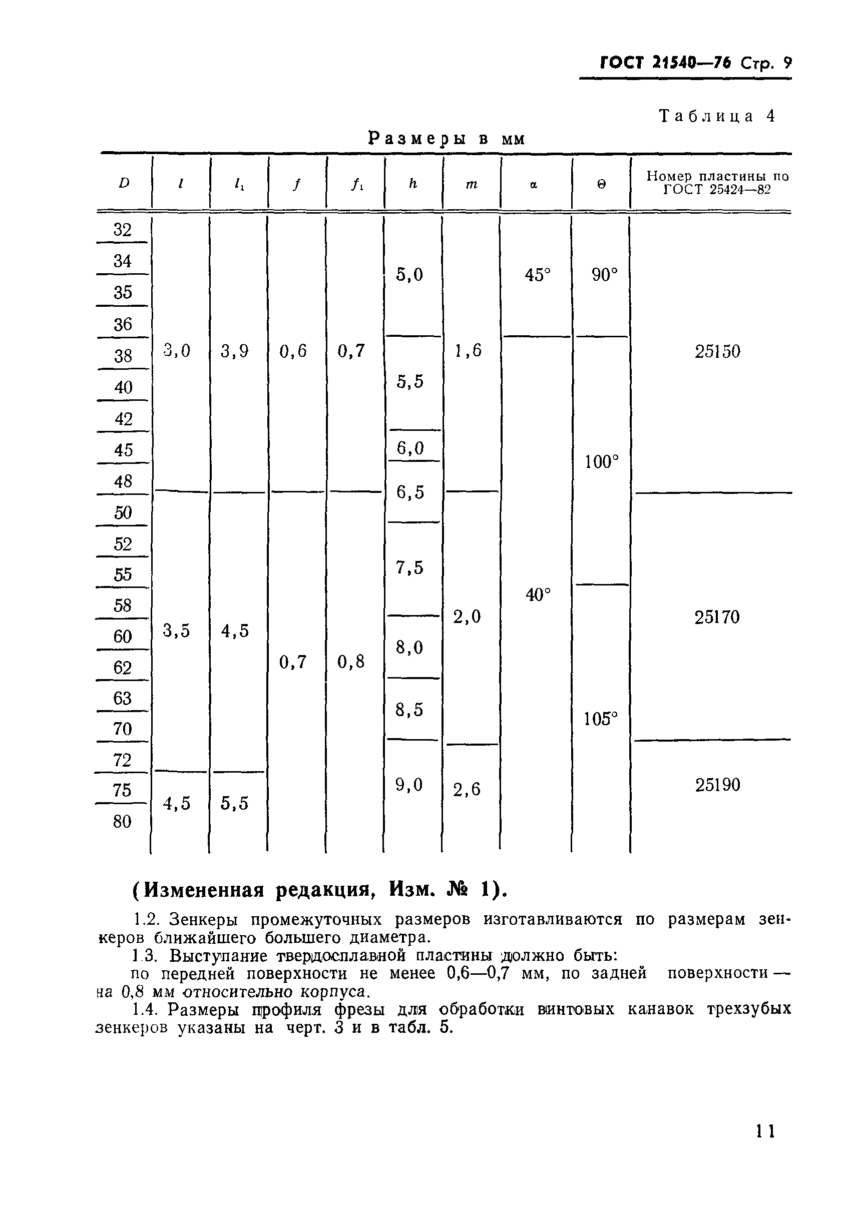
Зенкеры, оснащенные твердосплавными пластинами для обработки деталей из нержавеющих и жаропрочных сталей и сплавов. Конструкция и размеры| Обозначение: | ГОСТ 21540-76 | | Обозначение англ: | GOST 21540-76 | | Статус: | действует | | Название рус.: | Зенкеры, оснащенные твердосплавными пластинами для обработки деталей из нержавеющих и жаропрочных сталей и сплавов. Конструкция и размеры | | Название англ.: | Carbide tipped counterbores for machining corrosion proof and heat-resisting steels and alloys. Design and dimensions | | Дата добавления в базу: | 01.09.2013 | | Дата актуализации: | 01.01.2021 | | Дата введения: | 01.01.1977 | | Оглавление: | Приложение 1 Элементы конструкции, геометрические параметры режущей части зенкеров и профиль фрез для обработки винтовых канавок Приложение 2 Схема установки фрез при фрезеровании винтовых канавок зенкеров | | Утверждён: | 04.02.1976 Госстандарт СССР (USSR Gosstandart 319)
|
           
|