Скачать ГОСТ 21579-76 Зенкеры с цилиндрическим хвостовиком для обработки деталей из легких сплавов. Конструкция и размеры

Дата актуализации: 01.01.2021

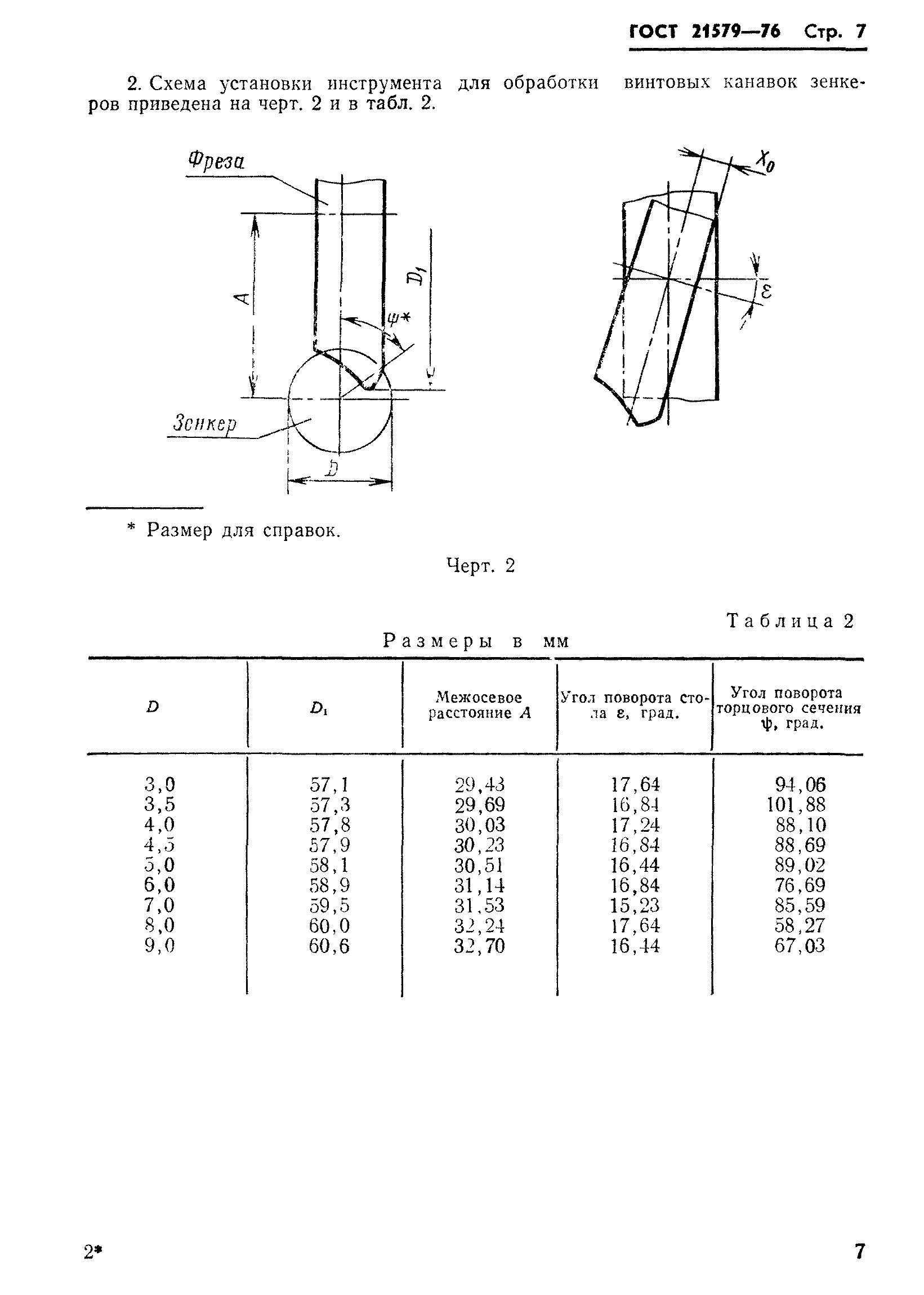
ГОСТ 21579-76

Зенкеры с цилиндрическим хвостовиком для обработки деталей из легких сплавов. Конструкция и размеры

Обозначение: ГОСТ 21579-76
Обозначение англ: GOST 21579-76
Статус:действует
Название рус.:Зенкеры с цилиндрическим хвостовиком для обработки деталей из легких сплавов. Конструкция и размеры
Название англ.:Cylinder-chucking countersinks for machining parts from light alloys. Design and dimensions
Дата добавления в базу:01.09.2013
Дата актуализации:01.01.2021
Дата введения:01.01.1977
Утверждён:20.02.1976 Госстандарт СССР (USSR Gosstandart 452)
Заменяет собой:
  • МН 325-60 (Сведения из перечня "Указатель государственных стандартов СССР 1980 г.", Издательство стандартов 1980)
ГОСТ 21579-76ГОСТ 21579-76ГОСТ 21579-76ГОСТ 21579-76ГОСТ 21579-76ГОСТ 21579-76ГОСТ 21579-76ГОСТ 21579-76