Скачать ГОСТ 21761-76 Гребенки круглые к винторезным самооткрывающимся головкам. Основные размеры

Дата актуализации: 01.01.2021

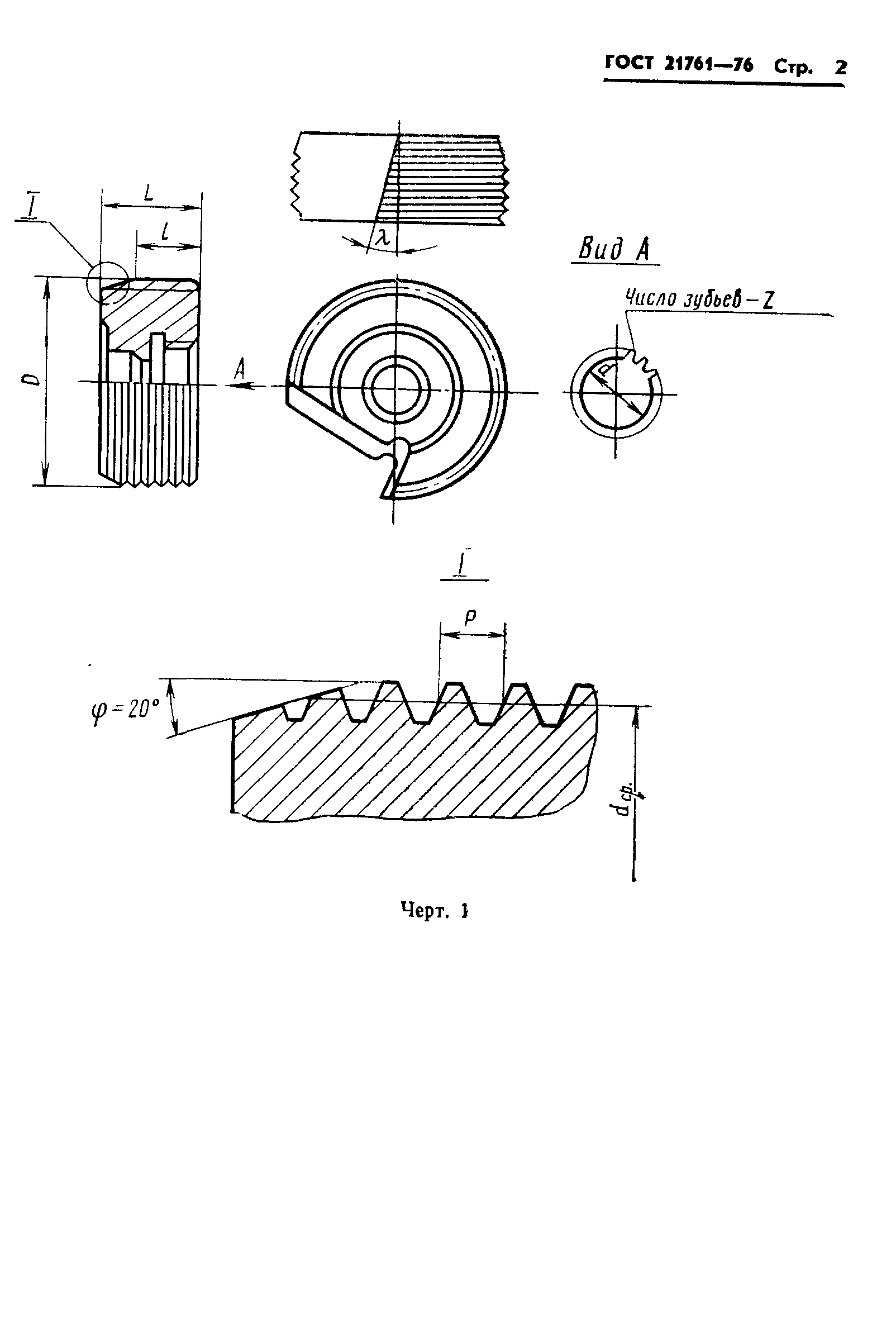
ГОСТ 21761-76

Гребенки круглые к винторезным самооткрывающимся головкам. Основные размеры

Обозначение: ГОСТ 21761-76
Обозначение англ: GOST 21761-76
Статус:действует
Название рус.:Гребенки круглые к винторезным самооткрывающимся головкам. Основные размеры
Название англ.:Circular chasers for self-opening threadcutting die heads. Main dimensions
Дата добавления в базу:01.09.2013
Дата актуализации:01.01.2021
Дата введения:01.01.1978
Утверждён:28.04.1976 Госстандарт СССР (USSR Gosstandart 975)
Заменяет собой:
  • МН 4268-63 (Сведения из перечня "Указатель государственных стандартов СССР 1980 г.", Издательство стандартов 1980)
  • МН 4269-63 (Сведения из перечня "Указатель государственных стандартов СССР 1980 г.", Издательство стандартов 1980)
  • МН 4270-63 (Сведения из перечня "Указатель государственных стандартов СССР 1980 г.", Издательство стандартов 1980)
  • МН 4271-63 (Сведения из перечня "Указатель государственных стандартов СССР 1980 г.", Издательство стандартов 1980)
  • МН 4272-63 (Сведения из перечня "Указатель государственных стандартов СССР 1980 г.", Издательство стандартов 1980)
ГОСТ 21761-76ГОСТ 21761-76ГОСТ 21761-76ГОСТ 21761-76ГОСТ 21761-76ГОСТ 21761-76ГОСТ 21761-76ГОСТ 21761-76ГОСТ 21761-76ГОСТ 21761-76