Скачать ГОСТ 21901-76 Поддоны авиационные типов ПА-5,6 и ПА-2,5. Общие технические условияДата актуализации: 01.01.2021
|
| Обозначение: | ГОСТ 21901-76 |
| Обозначение англ: | GOST 21901-76 |
| Статус: | введен впервые |
| Название рус.: | Поддоны авиационные типов ПА-5,6 и ПА-2,5. Общие технические условия |
| Название англ.: | Aircraft cargo pallets. General specifications |
| Дата добавления в базу: | 01.09.2013 |
| Дата актуализации: | 01.01.2021 |
| Дата введения: | 01.07.1977 |
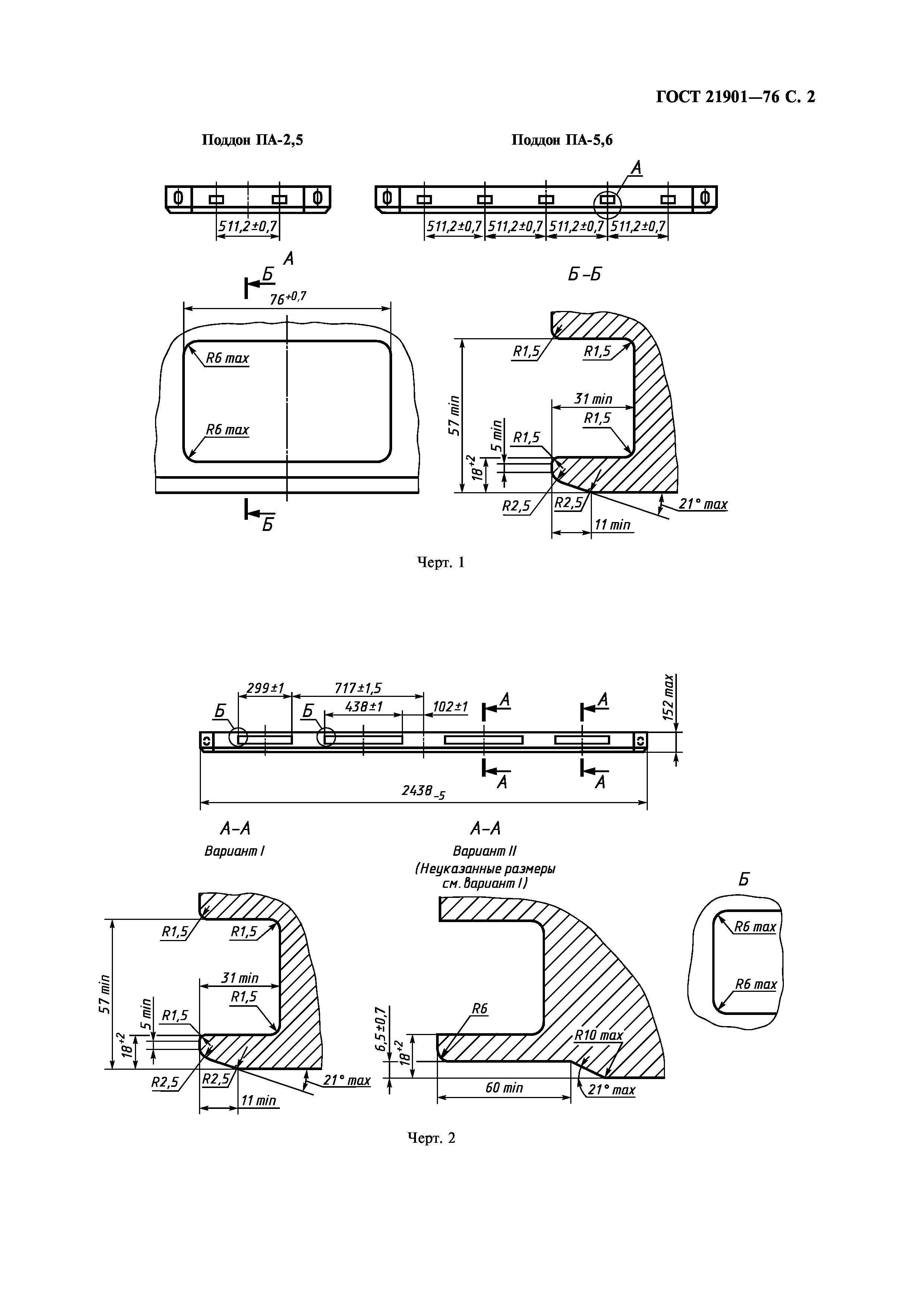
| Область применения: | Стандарт распространяется на авиационные поддоны ПА-5,6 и ПА-2,5, предназначенные для перевозки штучных грузов в потребительской или облегченной таре авиационным транспортом, оборудованным по ГОСТ 21787-76 и специализированным автомобильным транспортом. |
| Оглавление: | 1 Основные параметры и размеры 2 Технические требования 3 Правила приемки 4 Методы испытаний 5 Маркировка, упаковка, транспортирование и хранение 6 Требования безопасности 7 Гарантии изготовителя |
| Утверждён: | 27.05.1976 Государственный комитет стандартов Совета Министров СССР (USSR National Committee on Standards at the Cabinet of Ministers 1322) |
| Издан: | Издательство стандартов (1976 г. ) ИПК Издательство стандартов (2004 г. ) |
| Нормативные ссылки: |







