Скачать ГОСТ 21940-76 Втулки для метчиков к патронам для нарезания резьбы на токарных станках. Конструкция и размеры

Дата актуализации: 01.01.2021

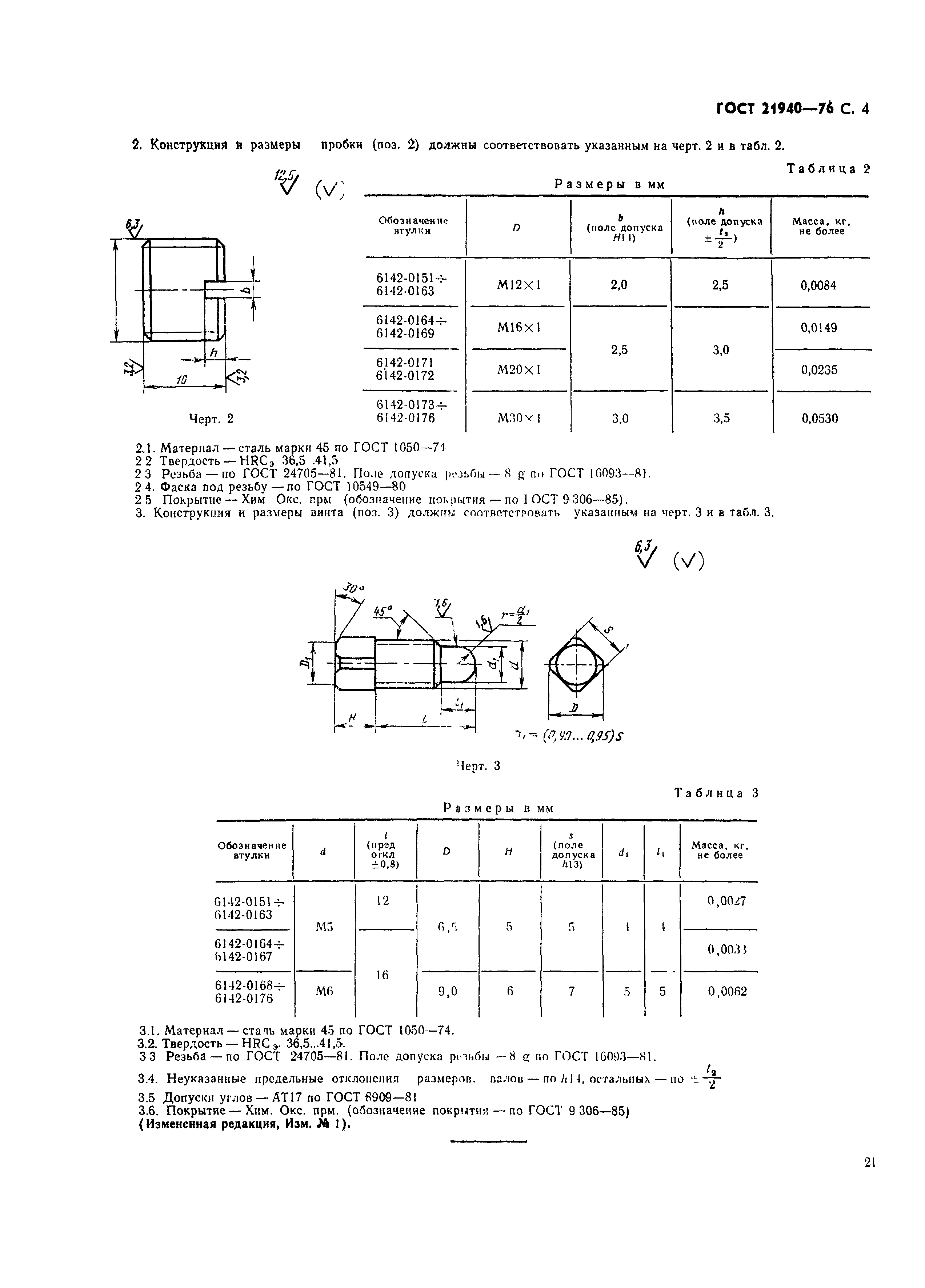
ГОСТ 21940-76

Втулки для метчиков к патронам для нарезания резьбы на токарных станках. Конструкция и размеры

Обозначение: ГОСТ 21940-76
Обозначение англ: GOST 21940-76
Статус:действует
Название рус.:Втулки для метчиков к патронам для нарезания резьбы на токарных станках. Конструкция и размеры
Название англ.:Tap sleeves of chucks for screw cutting on lathes. Design and dimensions
Дата добавления в базу:01.09.2013
Дата актуализации:01.01.2021
Дата введения:01.01.1978
Утверждён:18.06.1976 Госстандарт СССР (USSR Gosstandart 1475)
Заменяет собой:
  • МН 2512-61 (Сведения из перечня "Указатель государственных стандартов СССР 1980 г.", Издательство стандартов 1980)
ГОСТ 21940-76ГОСТ 21940-76ГОСТ 21940-76ГОСТ 21940-76