Скачать ГОСТ 22376-77 Лепестки односторонние, закрепляемые винтами или заклепками. Конструкция и размеры

Дата актуализации: 01.01.2021

ГОСТ 22376-77

Лепестки односторонние, закрепляемые винтами или заклепками. Конструкция и размеры

Обозначение: ГОСТ 22376-77
Обозначение англ: GOST 22376-77
Статус:введен впервые
Название рус.:Лепестки односторонние, закрепляемые винтами или заклепками. Конструкция и размеры
Название англ.:One-sided leaves fixed by screws and rivets. Design and dimensions
Дата добавления в базу:01.09.2013
Дата актуализации:01.01.2021
Дата введения:01.07.1978
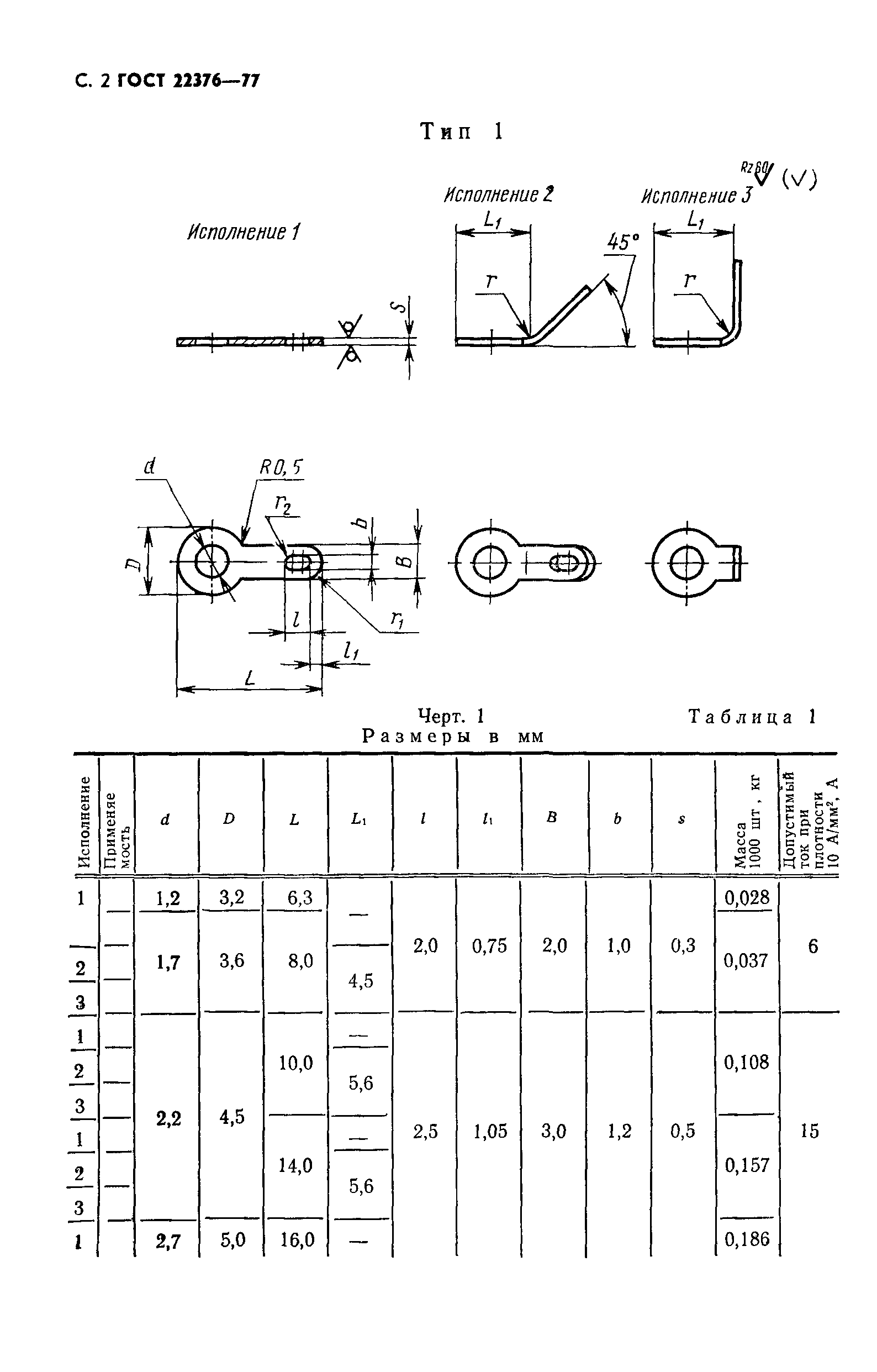
Область применения:Стандарт распространяется на односторонние лепестки, закрепляемые винтами или заклепками, предназначенные для электромонтажа элементов пайкой.
Оглавление:Приложение Примеры установки лепестков
Разработан: Министерство общего машиностроения СССР
Утверждён:22.02.1977 Государственный комитет стандартов Совета Министров СССР (USSR National Committee on Standards at the Cabinet of Ministers 459)
Издан: Издательство стандартов (1977 г. )
Издательство стандартов (1991 г. )
Список изменений:
Нормативные ссылки:
ГОСТ 22376-77ГОСТ 22376-77ГОСТ 22376-77ГОСТ 22376-77ГОСТ 22376-77ГОСТ 22376-77ГОСТ 22376-77ГОСТ 22376-77ГОСТ 22376-77ГОСТ 22376-77ГОСТ 22376-77ГОСТ 22376-77ГОСТ 22376-77ГОСТ 22376-77

Текстовое изменение Поправка к Изм. № 2

Поправка к Изм. № 2