Скачать ГОСТ 22506-83 Приемники трехпрограммные проводного вещания. Методы измеренийДата актуализации: 01.01.2021
|
| Обозначение: | ГОСТ 22506-83 |
| Обозначение англ: | GOST 22506-83 |
| Статус: | действует |
| Название рус.: | Приемники трехпрограммные проводного вещания. Методы измерений |
| Название англ.: | Three-programme wire broadcasting receivers. Methods of measurements |
| Дата добавления в базу: | 01.09.2013 |
| Дата актуализации: | 01.01.2021 |
| Дата введения: | 01.01.1985 |
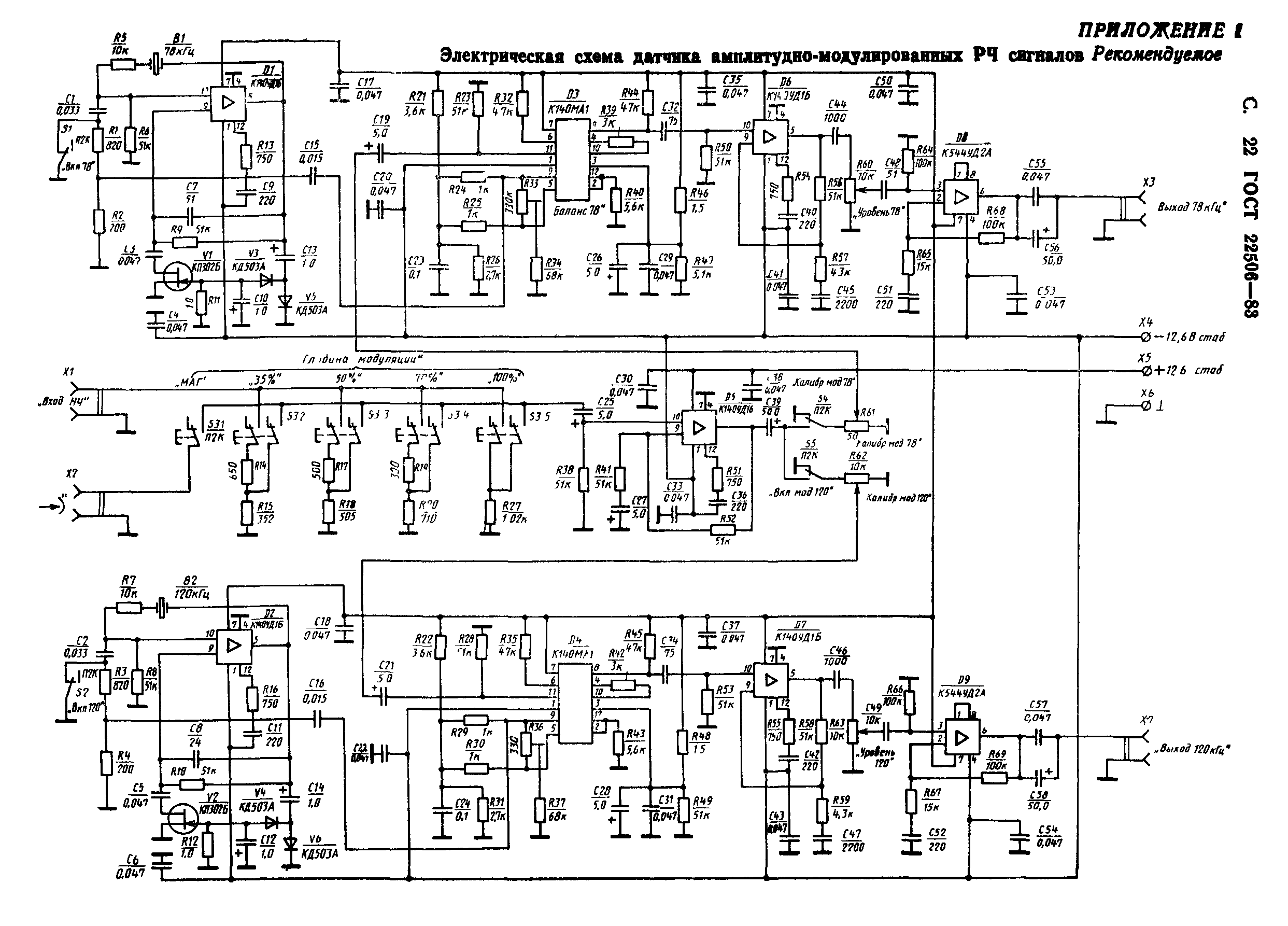
| Оглавление: | 1 Аппаратура 2 Подготовка к испытаниям 3 Проведение испытаний Приложение 1 Электрическая схема датчика амплитудно-модулированных РЧ сигналов Приложение 2 Электрическая схема фильтра нижней части Приложение 3 Определение коэффициента модуляции при помощи осциллографа Приложение 4 Перечень методов испытаний и измерений, устанавливаемых настоящим стандартом |
| Утверждён: | 20.12.1983 Госстандарт СССР (USSR Gosstandart 6345) |


























