Скачать ГОСТ 22658-77 Пуансоны-заготовки пакетов двухкассетных пресс-форм для изготовления резиновых технических изделий. Конструкция и размеры

Дата актуализации: 01.01.2021

ГОСТ 22658-77

Пуансоны-заготовки пакетов двухкассетных пресс-форм для изготовления резиновых технических изделий. Конструкция и размеры

Обозначение: ГОСТ 22658-77
Обозначение англ: GOST 22658-77
Статус:действует
Название рус.:Пуансоны-заготовки пакетов двухкассетных пресс-форм для изготовления резиновых технических изделий. Конструкция и размеры
Название англ.:Workpiece male dies for moulding rubber technical products. Design and dimensions
Дата добавления в базу:01.09.2013
Дата актуализации:01.01.2021
Дата введения:01.01.1979
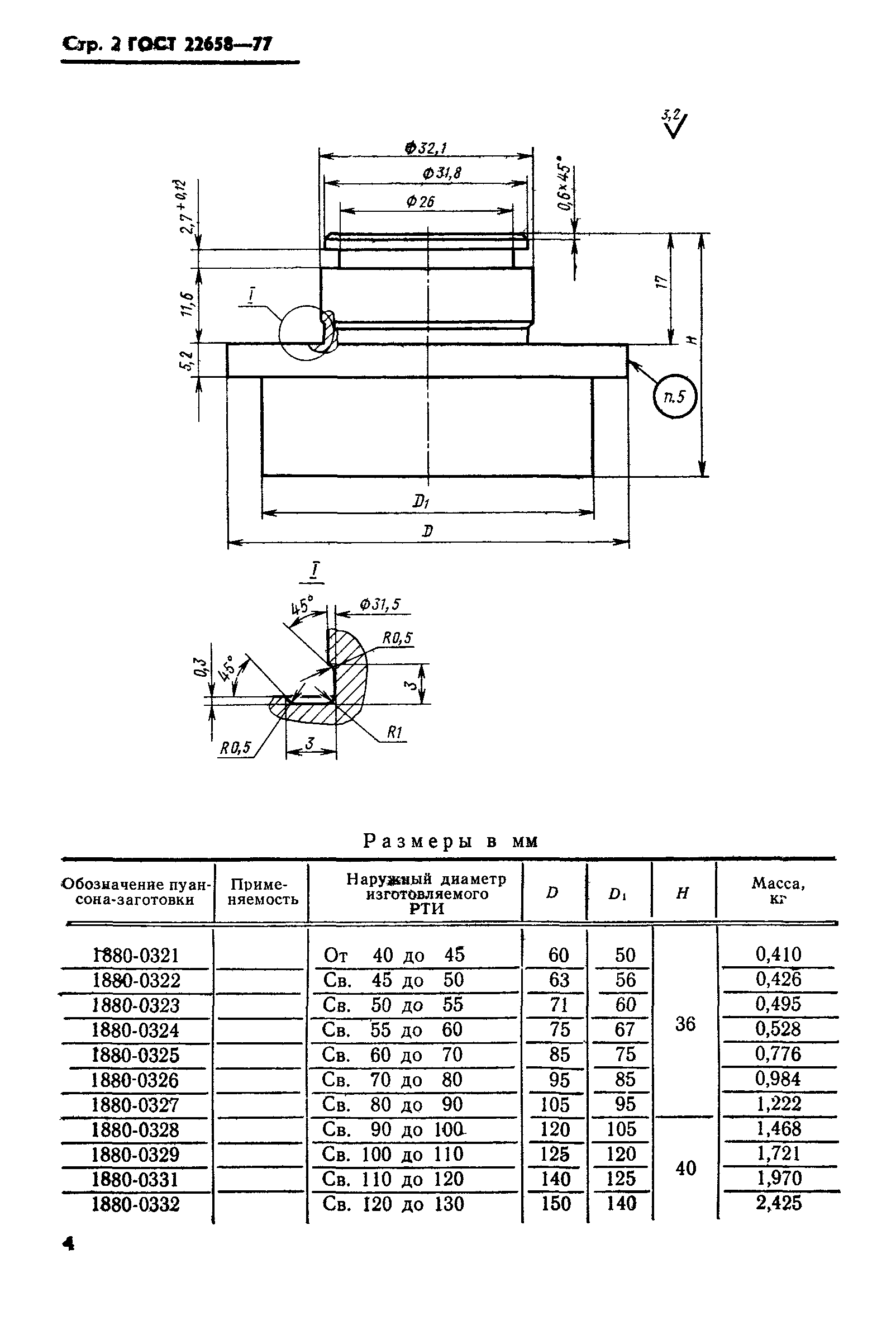
Область применения:Стандарт распространяется на пуансоны- заготовки пакетов. Устанавливаемых в блоках двухкассетных пресс-форм для изготовления стандартных резиновых технических изделий с наружным диаметром от 4 до 130 мм.
Утверждён:10.08.1977 Госстандарт СССР (USSR Gosstandart 1939)
Издан: Издательство стандартов (1985 г. )
ГОСТ 22658-77ГОСТ 22658-77ГОСТ 22658-77ГОСТ 22658-77ГОСТ 22658-77ГОСТ 22658-77