Скачать ГОСТ 22659-77 Обоймы-заготовки пакетов двухкассетных пресс-форм для изготовления резиновых технических изделий. Конструкция и размерыДата актуализации: 01.01.2021 ГОСТ 22659-77
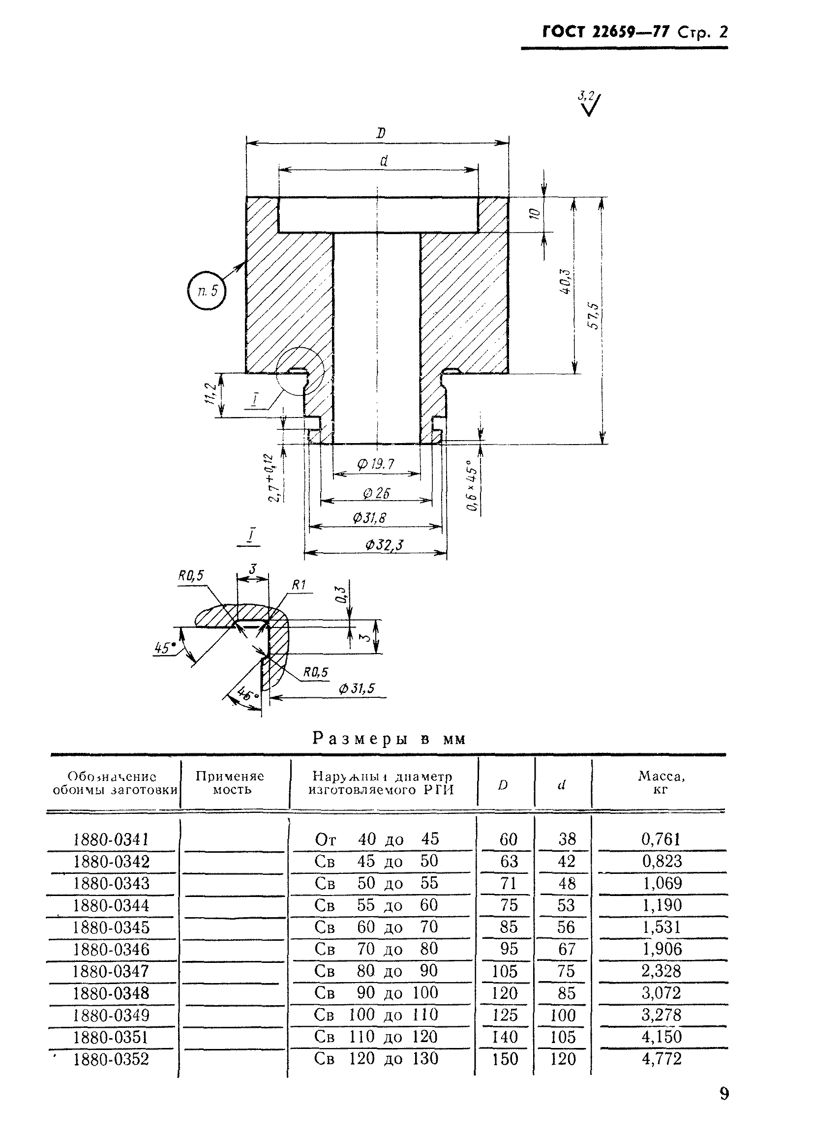
Обоймы-заготовки пакетов двухкассетных пресс-форм для изготовления резиновых технических изделий. Конструкция и размеры| Обозначение: | ГОСТ 22659-77 | | Обозначение англ: | GOST 22659-77 | | Статус: | действует | | Название рус.: | Обоймы-заготовки пакетов двухкассетных пресс-форм для изготовления резиновых технических изделий. Конструкция и размеры | | Название англ.: | Workpiece female dies for moulding rubber technical products. Design and dimensions | | Дата добавления в базу: | 01.09.2013 | | Дата актуализации: | 01.01.2021 | | Дата введения: | 01.01.1979 | | Утверждён: | 10.08.1977 Госстандарт СССР (USSR Gosstandart 1939)
|
 
|