Скачать ГОСТ 23248-78 Фрезы концевые для обработки деталей из высокопрочных сталей и титановых сплавов на станках с программным управлением. Конструкция

Дата актуализации: 01.01.2021

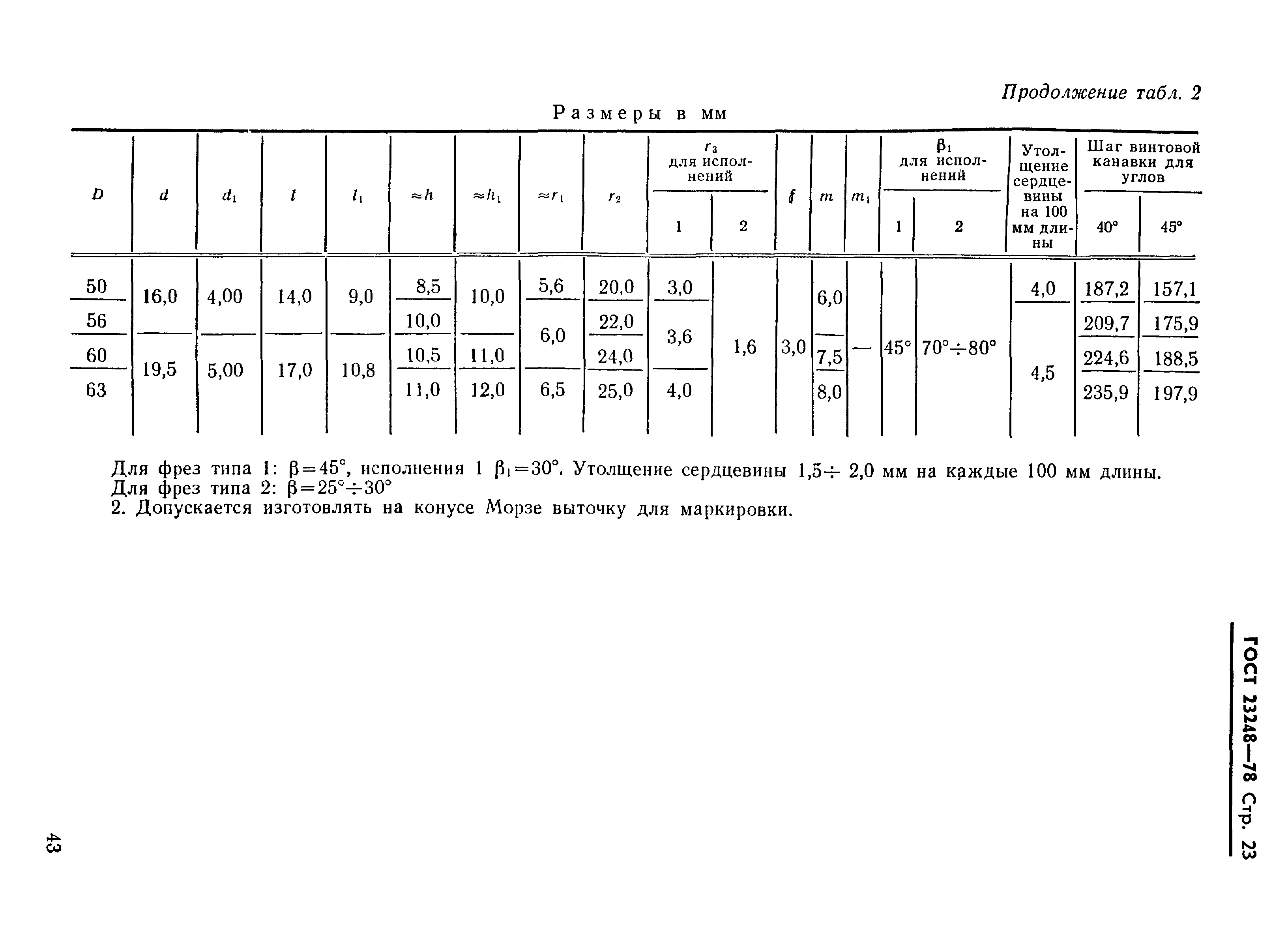
ГОСТ 23248-78

Фрезы концевые для обработки деталей из высокопрочных сталей и титановых сплавов на станках с программным управлением. Конструкция

Обозначение: ГОСТ 23248-78
Обозначение англ: GOST 23248-78
Статус:действует
Название рус.:Фрезы концевые для обработки деталей из высокопрочных сталей и титановых сплавов на станках с программным управлением. Конструкция
Название англ.:End cutters for use on nc machine tools for machining parts of high resistance steels and titanium alloys. Design and dimensions
Дата добавления в базу:01.09.2013
Дата актуализации:01.01.2021
Дата введения:01.01.1980
Оглавление:Приложение 1 Элементы конструкции и геометрические параметры фрез
Приложение 2 Величины передних углов концевых фрез в зависимости от обрабатываемых материалов
Утверждён:14.08.1978 Госстандарт СССР (USSR Gosstandart 2194)
Список изменений:
ГОСТ 23248-78ГОСТ 23248-78ГОСТ 23248-78ГОСТ 23248-78ГОСТ 23248-78ГОСТ 23248-78ГОСТ 23248-78ГОСТ 23248-78ГОСТ 23248-78ГОСТ 23248-78ГОСТ 23248-78ГОСТ 23248-78ГОСТ 23248-78ГОСТ 23248-78ГОСТ 23248-78ГОСТ 23248-78ГОСТ 23248-78ГОСТ 23248-78ГОСТ 23248-78ГОСТ 23248-78ГОСТ 23248-78ГОСТ 23248-78ГОСТ 23248-78ГОСТ 23248-78ГОСТ 23248-78ГОСТ 23248-78ГОСТ 23248-78ГОСТ 23248-78ГОСТ 23248-78ГОСТ 23248-78

Текстовое изменение Поправка от 18.05.2015

Поправка