Скачать ГОСТ 24345-80 Пресс-формы съемные одноместные для изготовления резинотканевых опорных колец. Конструкция и размеры

Дата актуализации: 01.01.2021

ГОСТ 24345-80

Пресс-формы съемные одноместные для изготовления резинотканевых опорных колец. Конструкция и размеры

Обозначение: ГОСТ 24345-80
Обозначение англ: GOST 24345-80
Статус:действует
Название рус.:Пресс-формы съемные одноместные для изготовления резинотканевых опорных колец. Конструкция и размеры
Название англ.:Portable single-impression press-moulds for manufacturing rubber-fabric carrier rings. Design and dimensions
Дата добавления в базу:01.09.2013
Дата актуализации:01.01.2021
Дата введения:01.01.1982
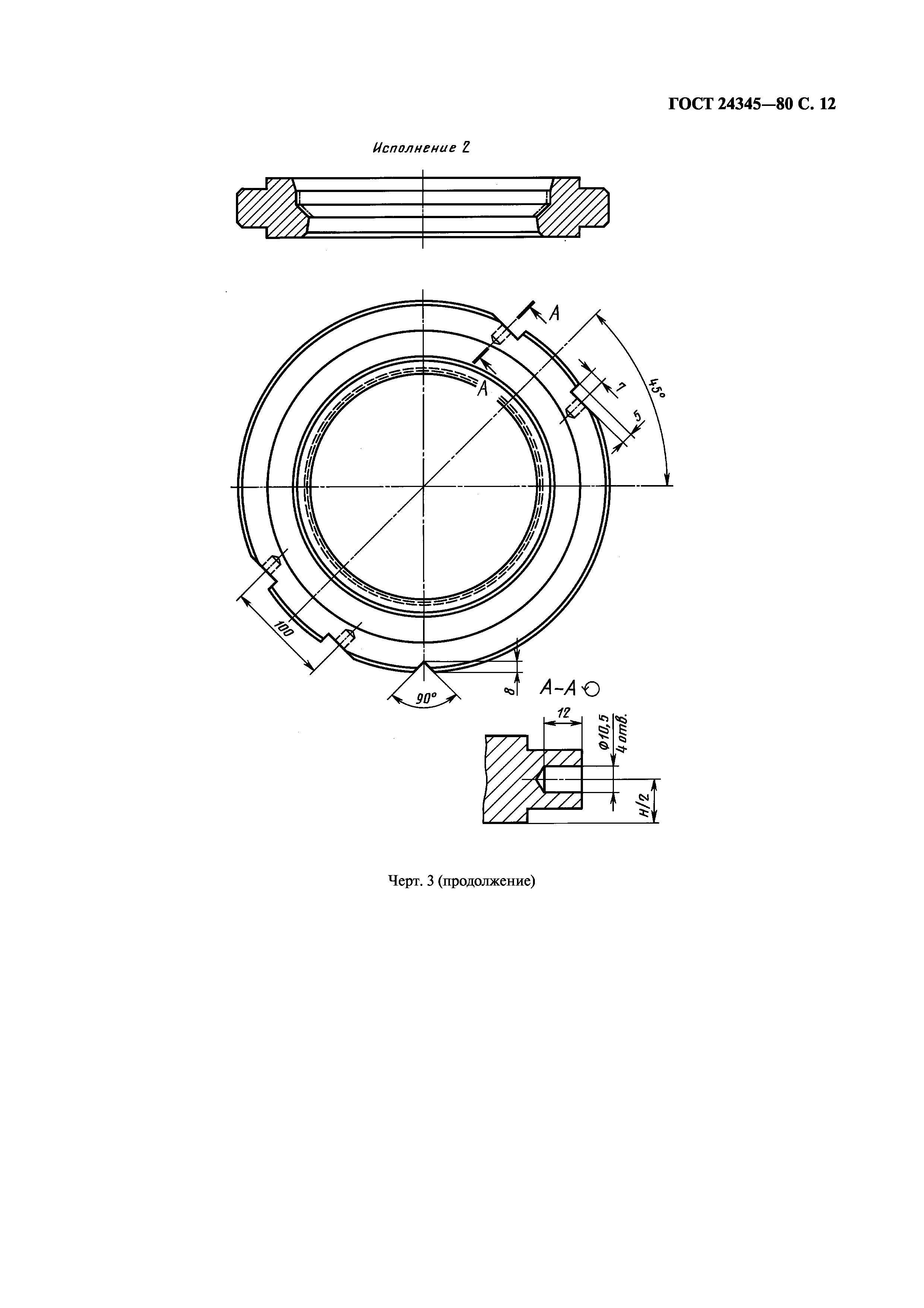
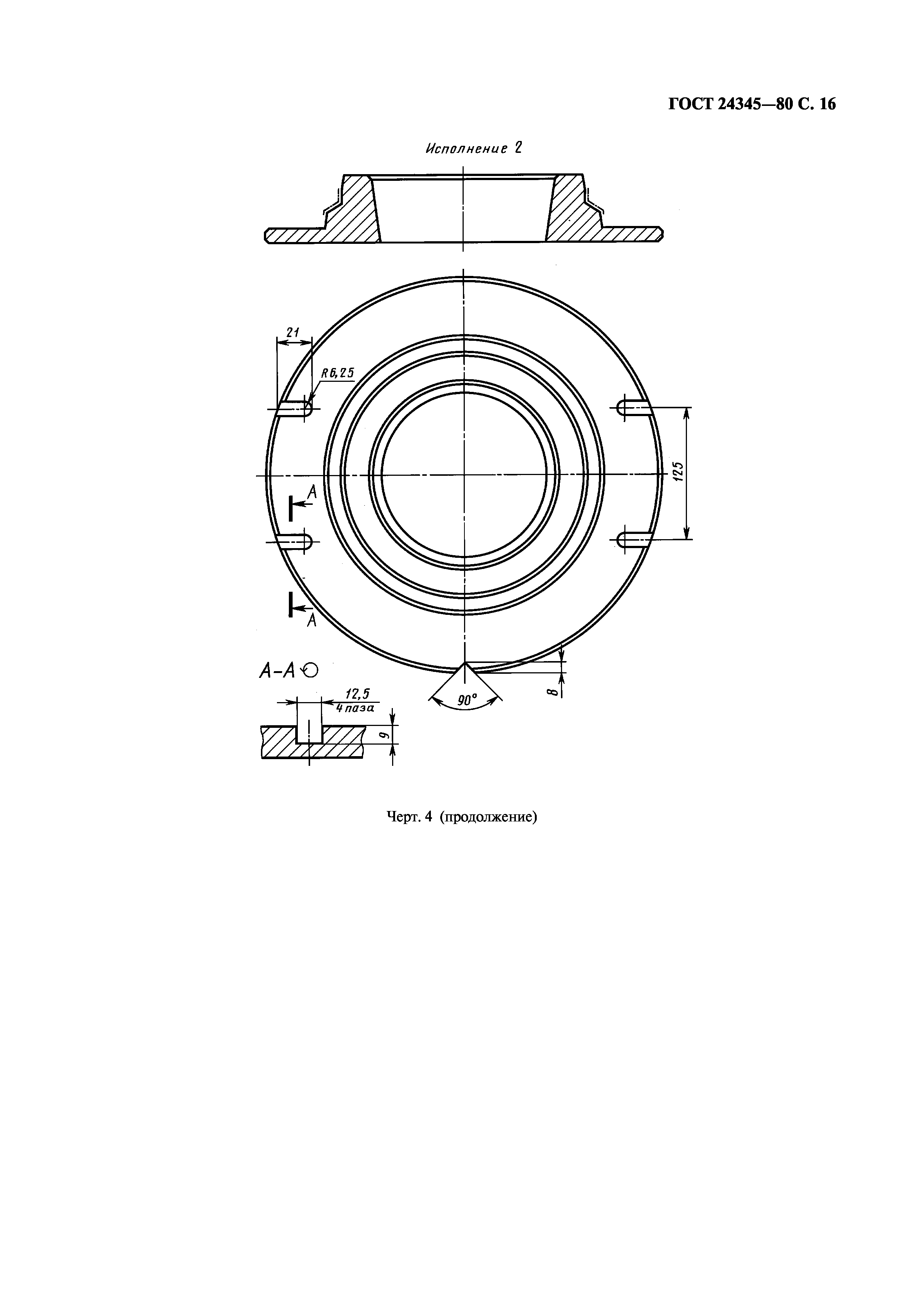
Область применения:Стандарт распространяется на съемные одноместные пресс-формы для изготовления резинотканевых опорных колец по ГОСТ 22704-77 для уплотнения штоков диаметром от 90 до 470 мм и цилиндров диаметром от 115 до 500 мм.
Утверждён:31.07.1980 Государственный комитет СССР по стандартам (USSR National Committee on Standards 3941)
Издан: Издательство стандартов (1980 г. )
ИПК Издательство стандартов (2004 г. )
Список изменений:
Нормативные ссылки:
ГОСТ 24345-80ГОСТ 24345-80ГОСТ 24345-80ГОСТ 24345-80ГОСТ 24345-80ГОСТ 24345-80ГОСТ 24345-80ГОСТ 24345-80ГОСТ 24345-80ГОСТ 24345-80ГОСТ 24345-80ГОСТ 24345-80ГОСТ 24345-80ГОСТ 24345-80ГОСТ 24345-80ГОСТ 24345-80ГОСТ 24345-80ГОСТ 24345-80ГОСТ 24345-80ГОСТ 24345-80

Текстовое изменение № 1 от 01.03.1993

№ 1№ 1№ 1№ 1№ 1№ 1