Скачать ГОСТ 26394-84 Инструмент для холодновысадочных автоматов. Ножи с твердосплавной вставкой для отрезки заготовок болтов с длиной стержня изделия до 5 диаметров. Конструкция и размерыДата актуализации: 01.01.2021 ГОСТ 26394-84
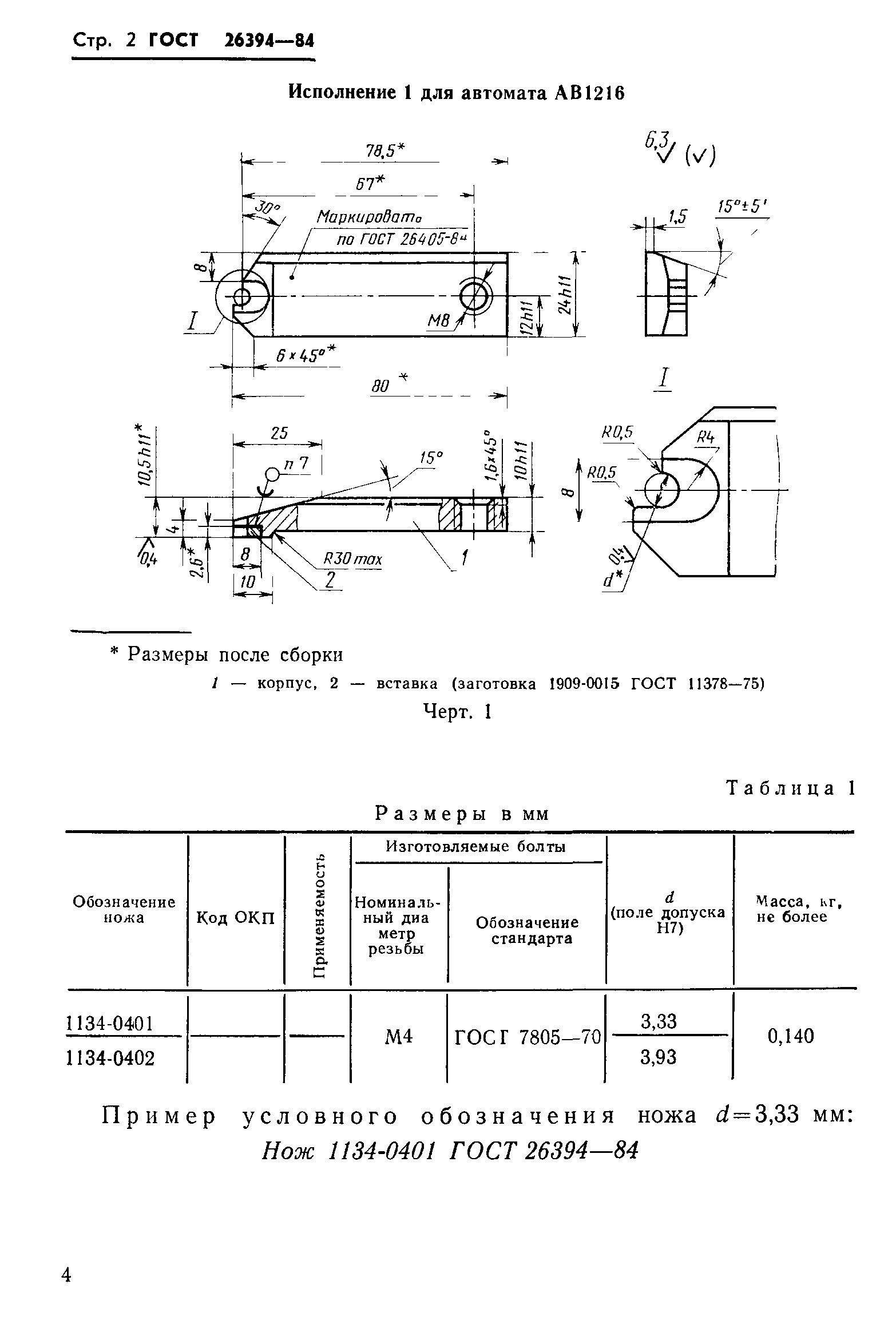
Инструмент для холодновысадочных автоматов. Ножи с твердосплавной вставкой для отрезки заготовок болтов с длиной стержня изделия до 5 диаметров. Конструкция и размеры| Обозначение: | ГОСТ 26394-84 | | Обозначение англ: | GOST 26394-84 | | Статус: | действует | | Название рус.: | Инструмент для холодновысадочных автоматов. Ножи с твердосплавной вставкой для отрезки заготовок болтов с длиной стержня изделия до 5 диаметров. Конструкция и размеры | | Название англ.: | Tools for cold upset automatic machines. Hard alloy in sert cutters for cutting off bolt blanks with shank length up to five diameters. Construction and dimensions | | Дата добавления в базу: | 01.09.2013 | | Дата актуализации: | 01.01.2021 | | Дата введения: | 01.07.1986 | | Утверждён: | 27.12.1984 Госстандарт СССР (USSR Gosstandart 4964)
|
                
|