Скачать ГОСТ 26505-85 Инструмент для холодноштамповочных автоматов. Ножи отрезные. Конструкция и размеры

Дата актуализации: 01.01.2021

ГОСТ 26505-85

Инструмент для холодноштамповочных автоматов. Ножи отрезные. Конструкция и размеры

Обозначение: ГОСТ 26505-85
Обозначение англ: GOST 26505-85
Статус:введен впервые
Название рус.:Инструмент для холодноштамповочных автоматов. Ножи отрезные. Конструкция и размеры
Название англ.:Tools for cold-forming machines. Gutters. Construction and dimensions
Дата добавления в базу:01.09.2013
Дата актуализации:01.01.2021
Дата введения:01.07.1987
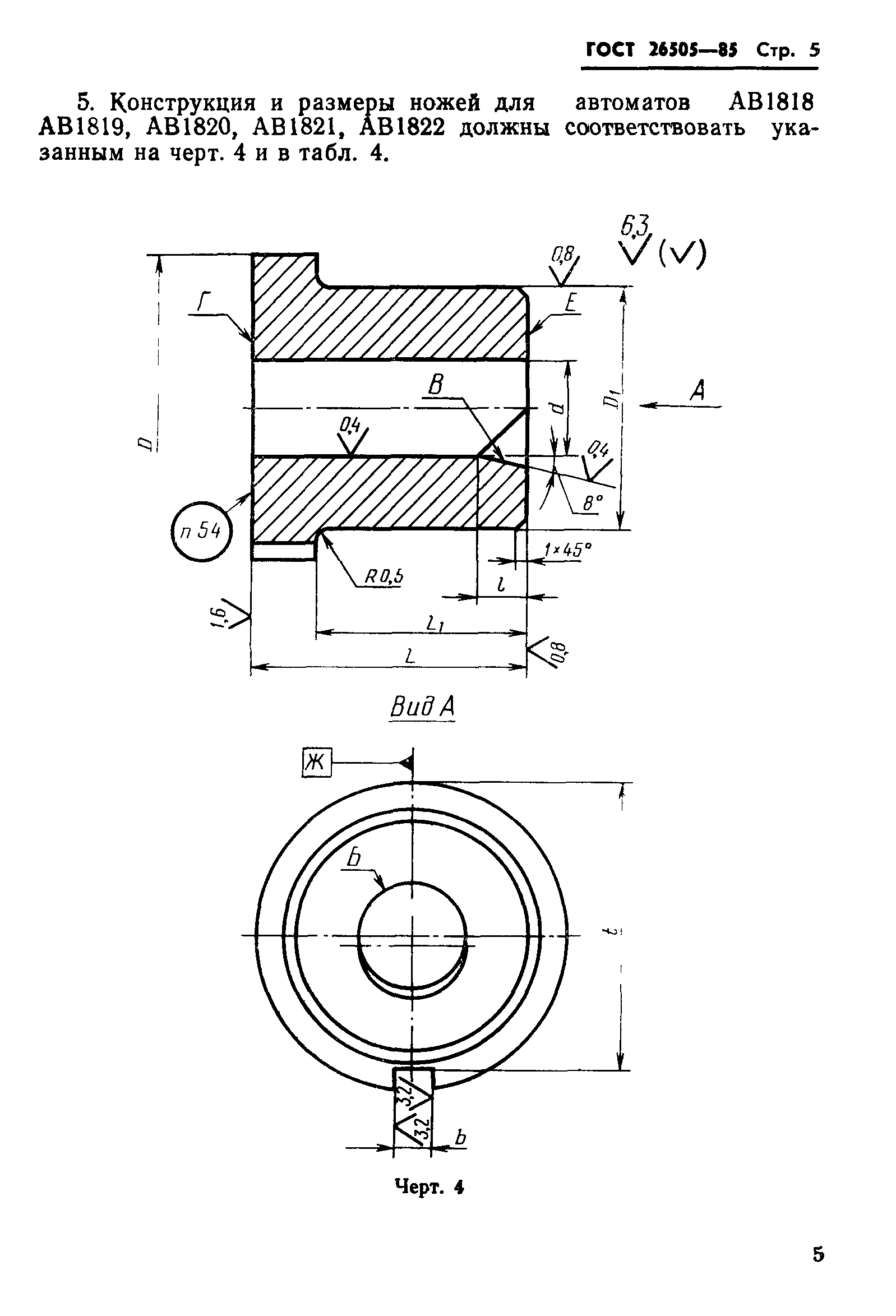
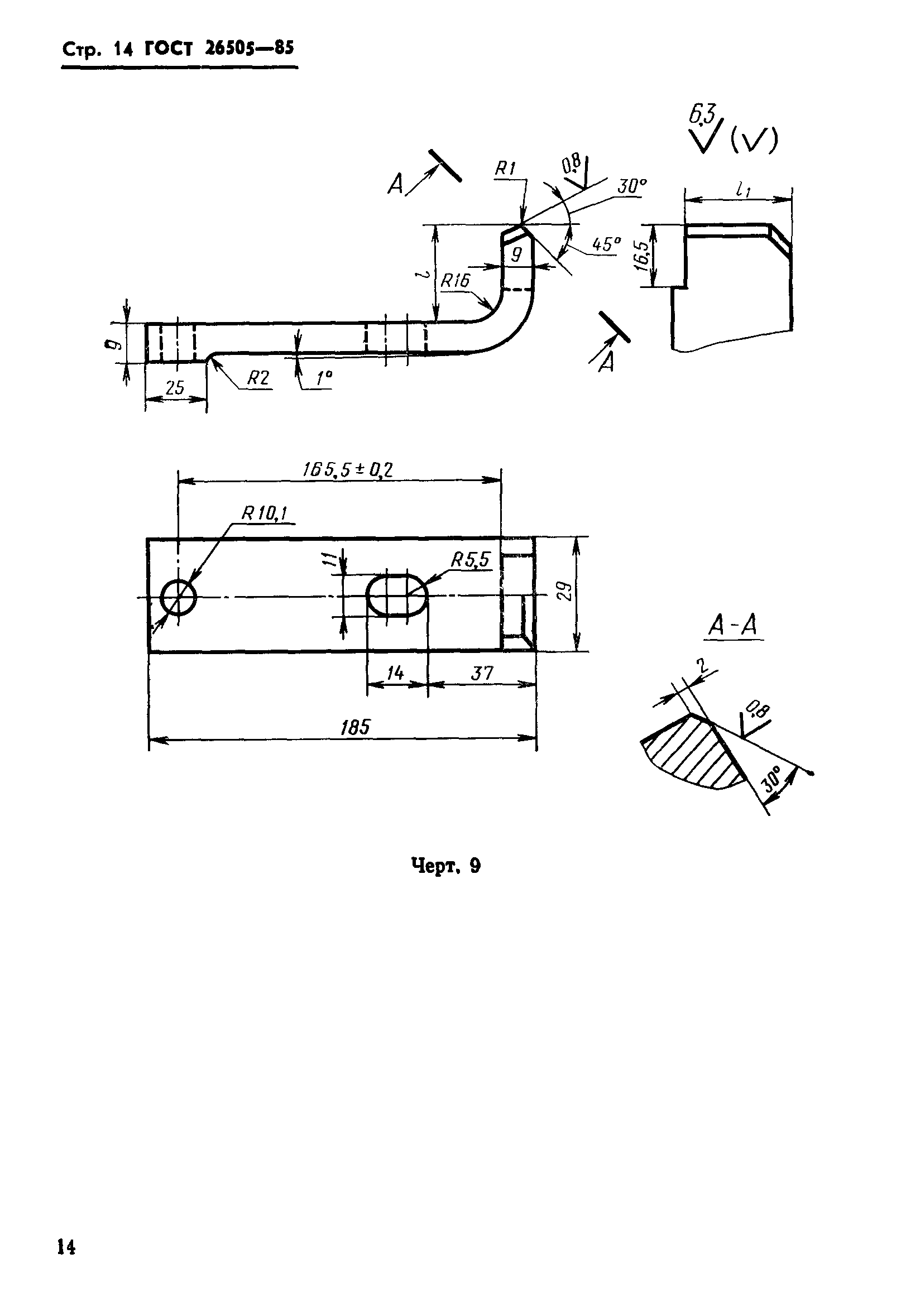
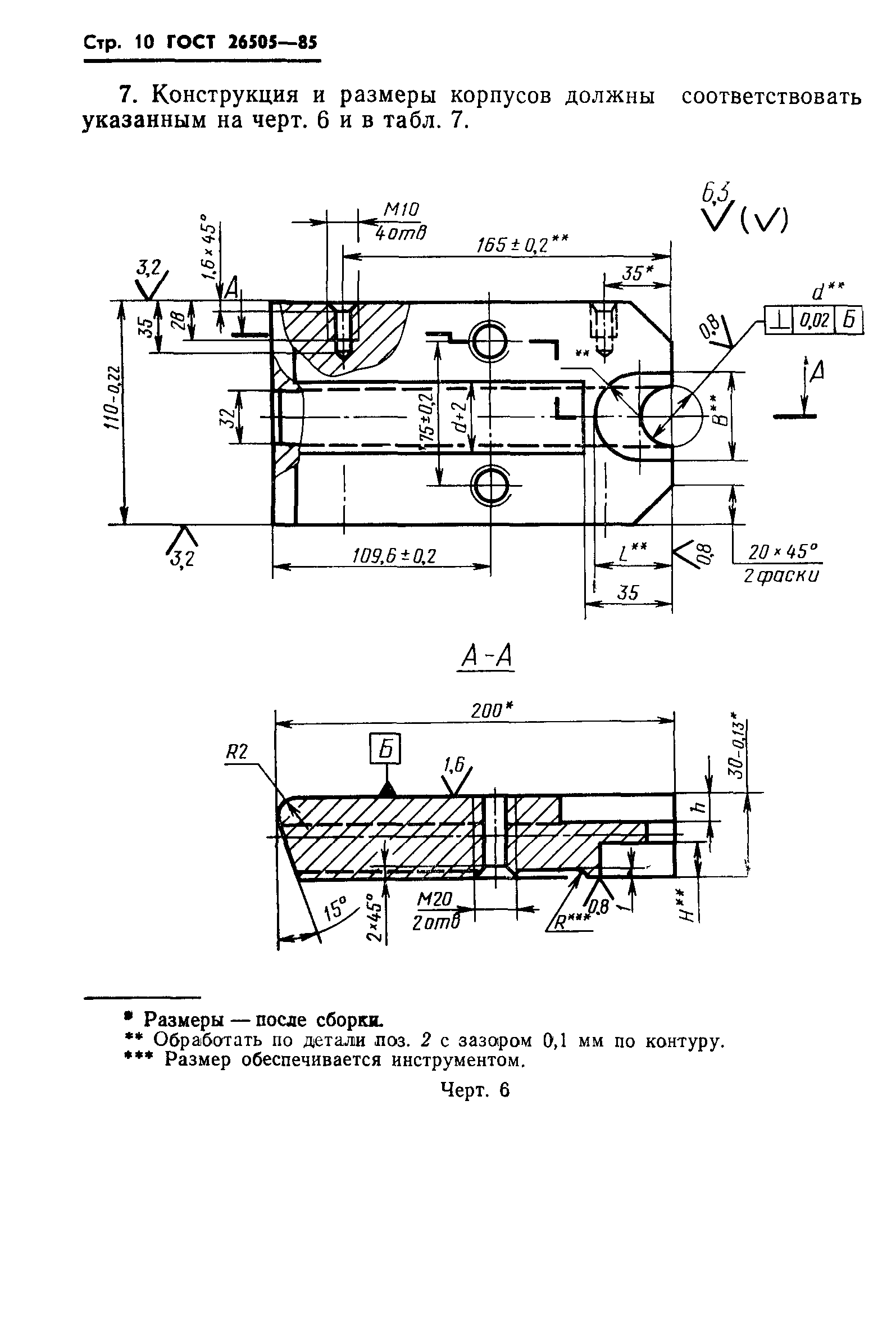
Область применения:Стандарт распространяется на отрезные ножи с твердосплавными вставками для отрезки заготовок гаек номинальным диаметром резьбы от 4 до 20 мм.
Разработан: Министерство станкостроительной и инструментальной промышленности
Утверждён:28.03.1985 Государственный комитет СССР по стандартам (USSR National Committee on Standards 962)
Список изменений:
Нормативные ссылки:
ГОСТ 26505-85ГОСТ 26505-85ГОСТ 26505-85ГОСТ 26505-85ГОСТ 26505-85ГОСТ 26505-85ГОСТ 26505-85ГОСТ 26505-85ГОСТ 26505-85ГОСТ 26505-85ГОСТ 26505-85ГОСТ 26505-85ГОСТ 26505-85ГОСТ 26505-85ГОСТ 26505-85ГОСТ 26505-85ГОСТ 26505-85ГОСТ 26505-85ГОСТ 26505-85ГОСТ 26505-85

Текстовое изменение № 1 от 01.01.1991

№ 1№ 1