Скачать ГОСТ 26841-86 Режим атомных электростанций с кипящими реакторами большой мощности водно-химический. Нормы качества водного теплоносителя основного контура и контура системы управления и защиты, средства их обеспеченияДата актуализации: 01.01.2021
|
| Обозначение: | ГОСТ 26841-86 |
| Обозначение англ: | GOST 26841-86 |
| Статус: | введен впервые |
| Название рус.: | Режим атомных электростанций с кипящими реакторами большой мощности водно-химический. Нормы качества водного теплоносителя основного контура и контура системы управления и защиты, средства их обеспечения |
| Название англ.: | Water chemistry of nuclear power plants with high power boiling water reactors. Quality codes for water coolant of primary and control and safety system circuits and means of their realization |
| Дата добавления в базу: | 01.09.2013 |
| Дата актуализации: | 01.01.2021 |
| Дата введения: | 01.01.1987 |
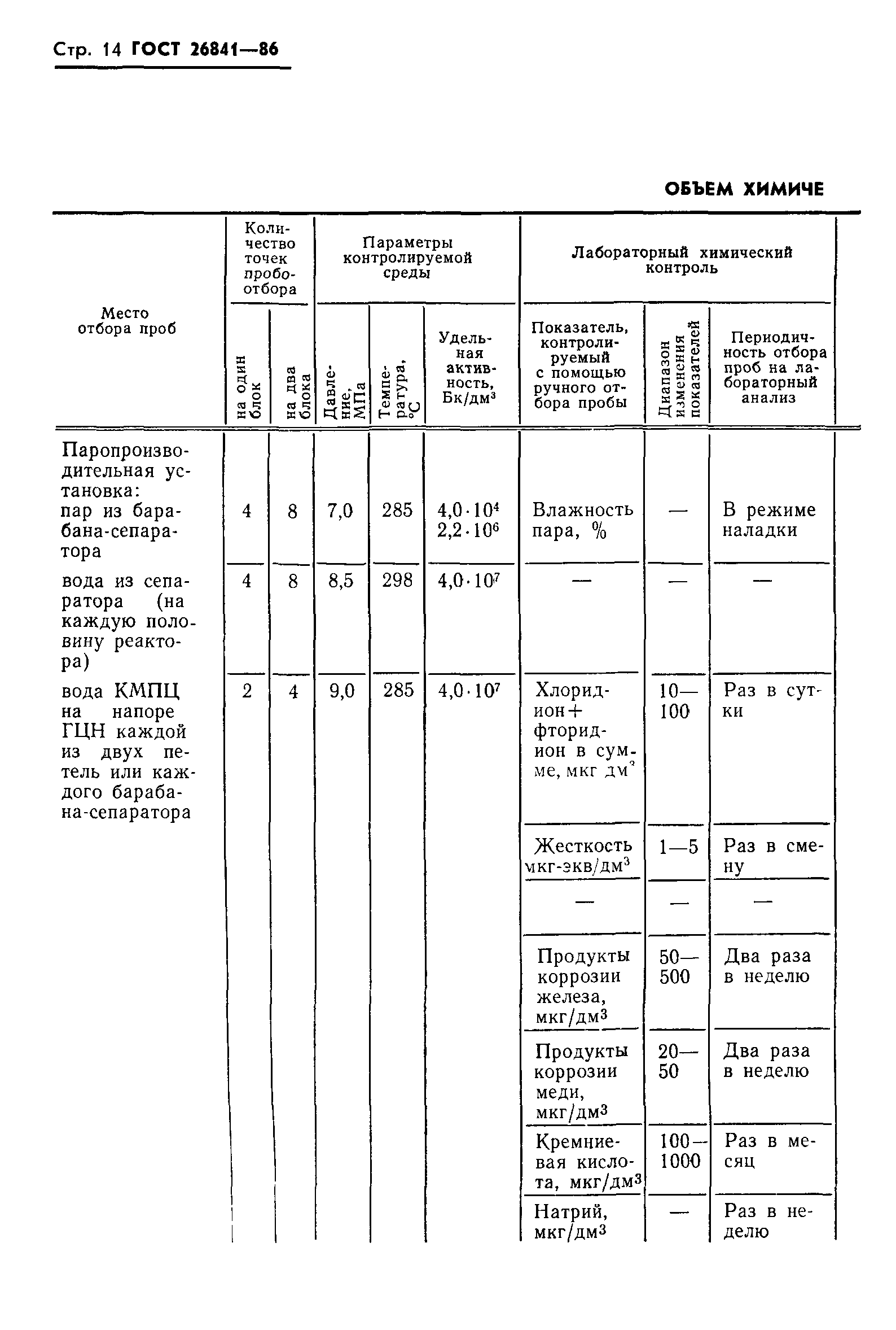
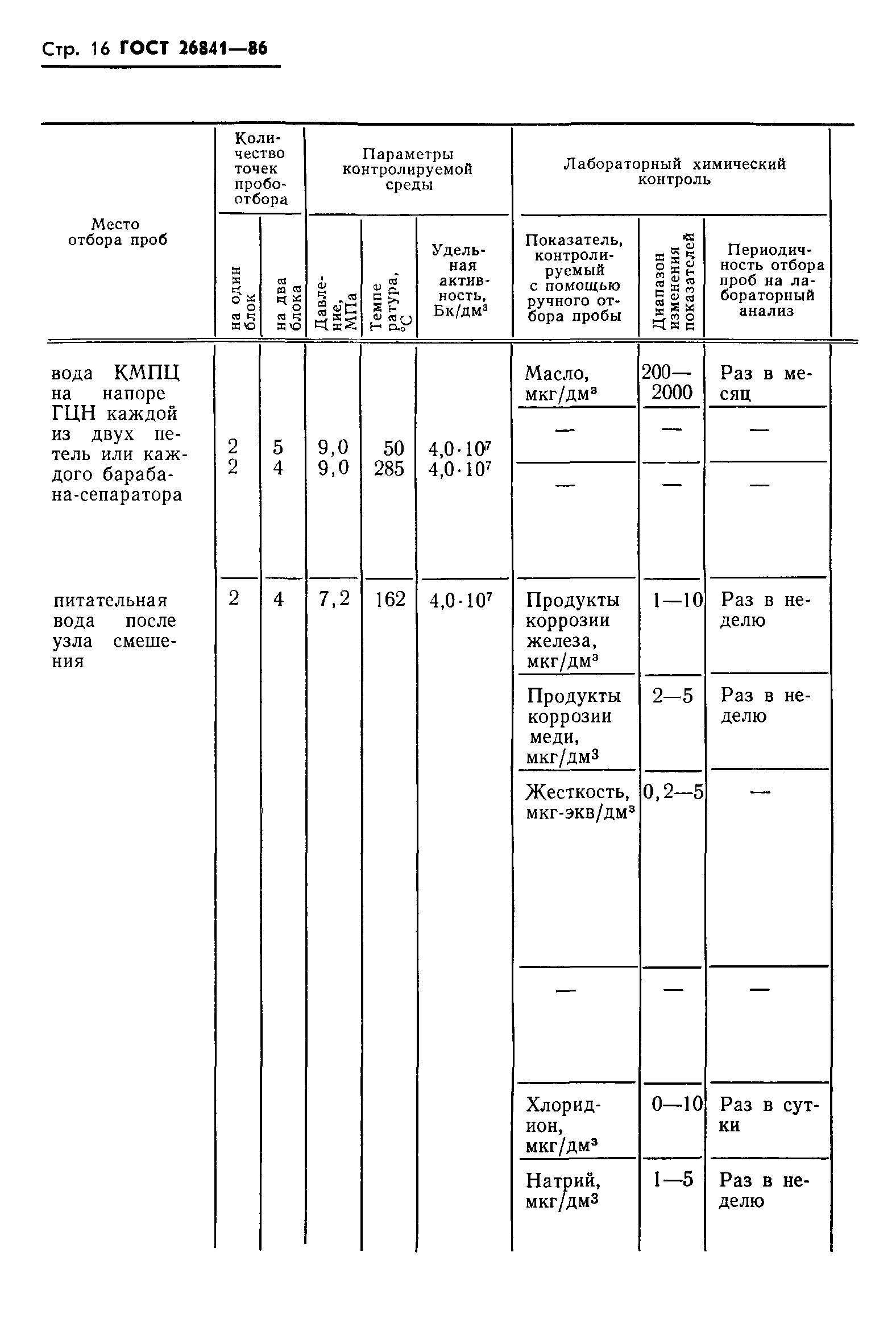
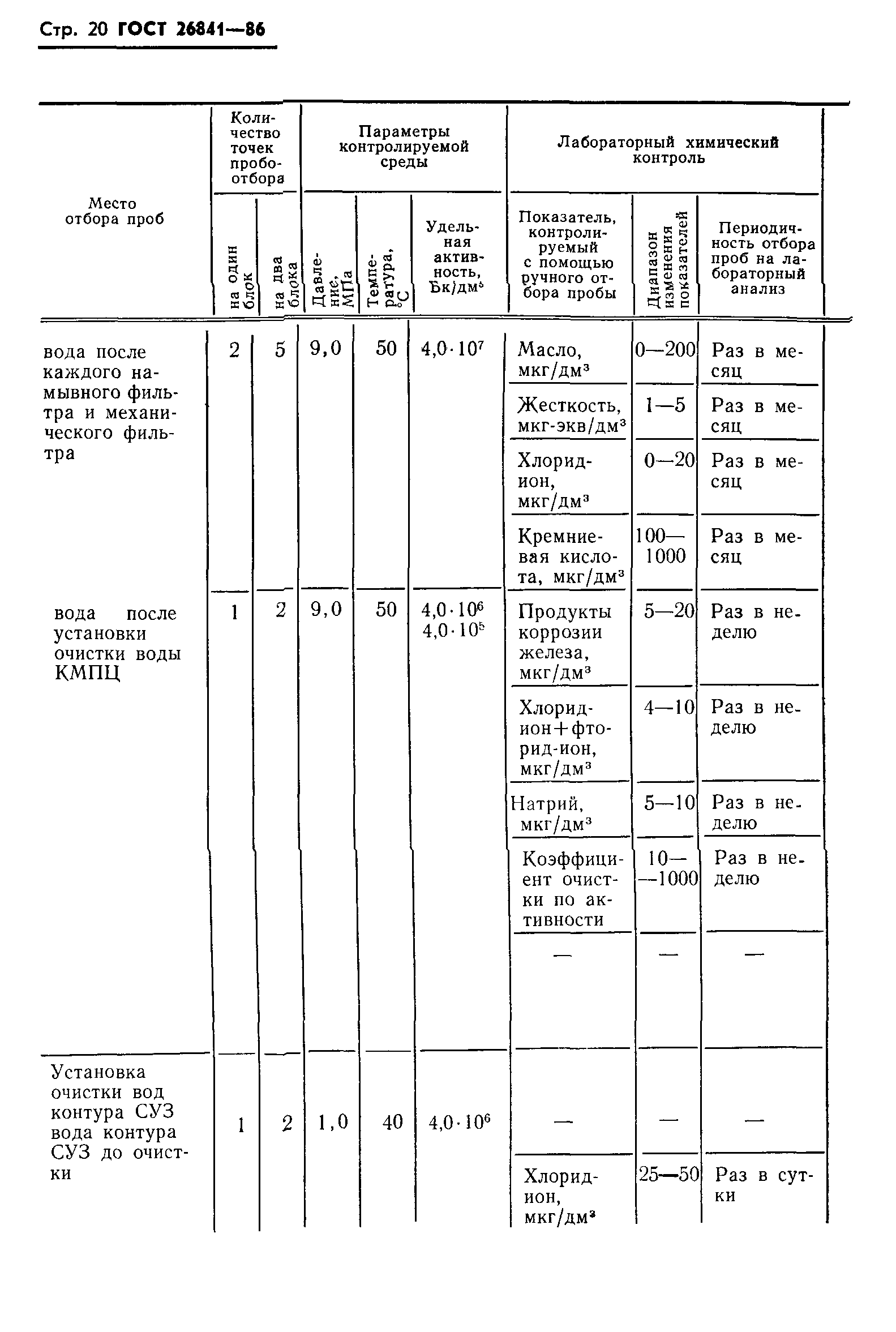
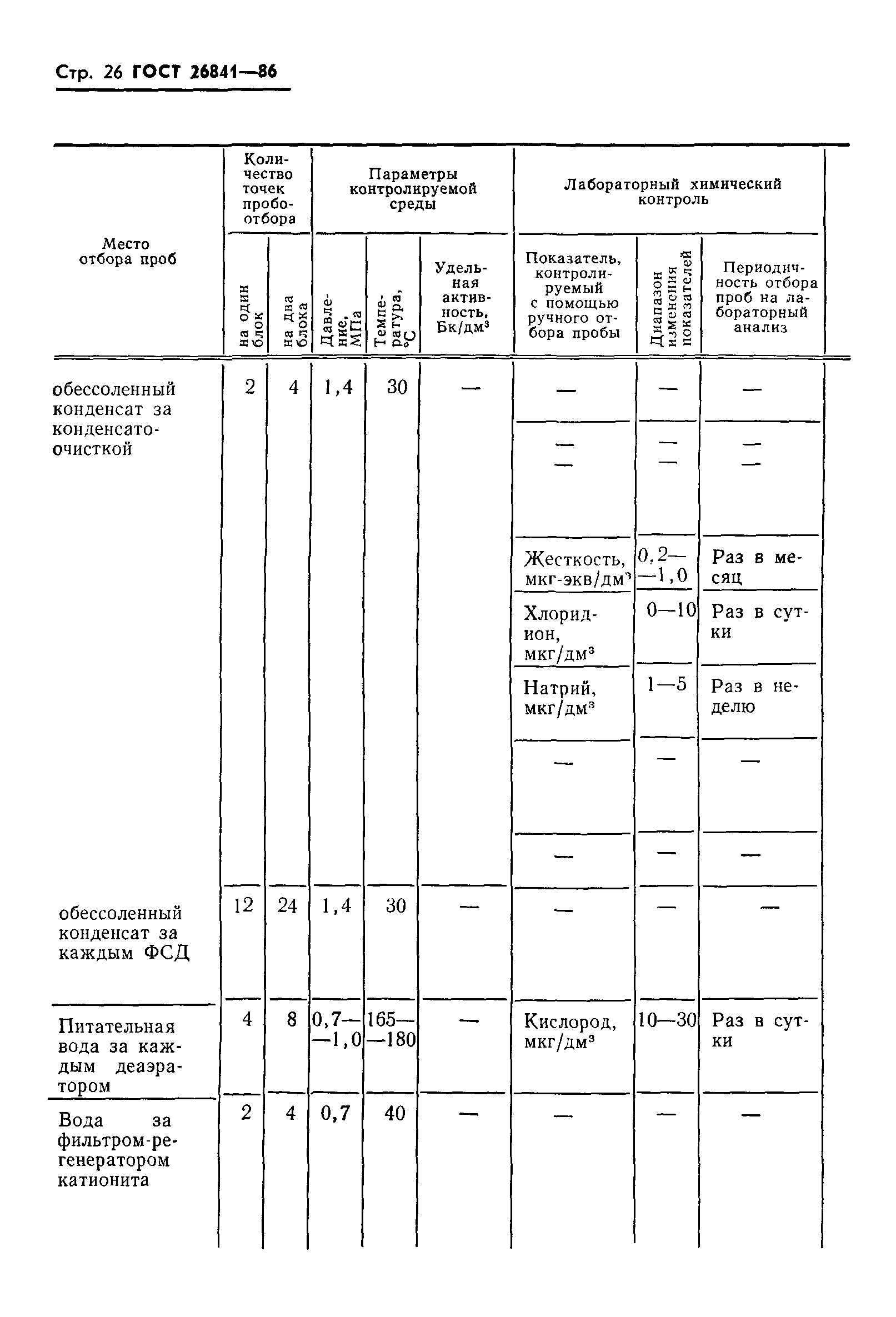
| Область применения: | Стандарт распространяется на водно-химический режим атомных электростанций (АЭС) с кипящими реакторами большой мощности 1000 МВт и устанавливает на стадии проектирования, эксплуатации и переходный период работы энергоблока после монтажа или ремонта нормы качества водного теплоносителя: воды контура многократной принудительной циркуляции (КМПЦ), воды охлаждения контура системы управления и защиты реактора (СУЗ), питательной воды, насыщенного пара, конденсата турбин, воды заполнения и подпиточной воды, а также средства их обеспечения. |
| Оглавление: | 1 Общие положения 2 Нормы качества водного теплоносителя реактора РБМК-1000 3 Средства обеспечения водно-химического режима Приложение Объем химического контроля |
| Утверждён: | 14.03.1986 Госстандарт СССР (USSR Gosstandart 529) |
| Издан: | Издательство стандартов (1986 г. ) |
| Нормативные ссылки: |
|





































