Скачать ГОСТ 27079-94 КАМАК. Многоконтроллерный крейтДата актуализации: 01.01.2021
|
| Обозначение: | ГОСТ 27079-94 |
| Обозначение англ: | GOST 27079-94 |
| Статус: | взамен |
| Название рус.: | КАМАК. Многоконтроллерный крейт |
| Название англ.: | Multiple controller in a CAMAC crate |
| Дата добавления в базу: | 01.09.2013 |
| Дата актуализации: | 01.01.2021 |
| Дата введения: | 01.01.1997 |
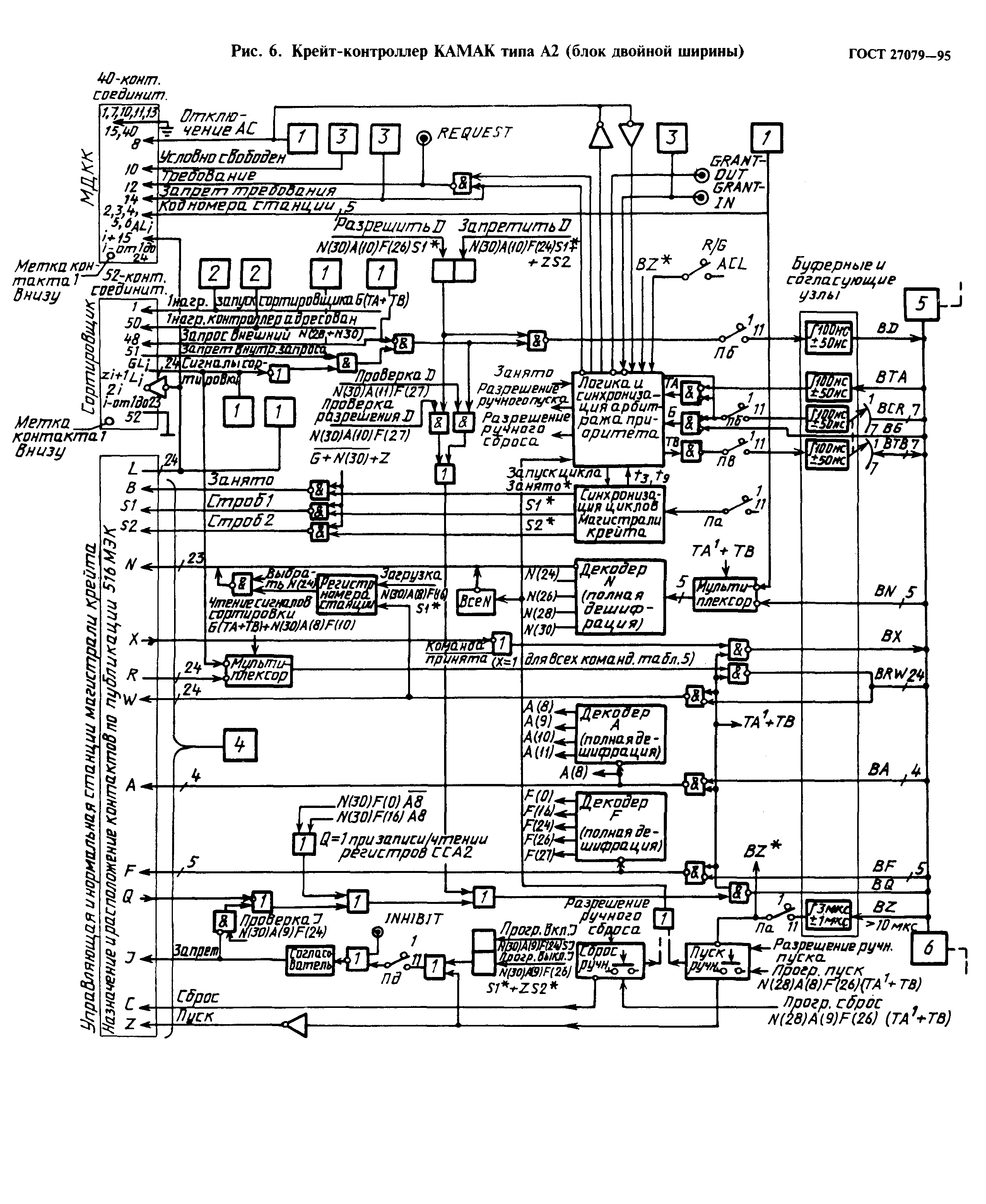
| Оглавление: | Предисловие Введение 1 Область применения и назначение 1.1 Область применения 1.2 Назначение 2 Общие положения 3 Сигналы магистрали дополнительного контроллера и связующие сигналы передней панели 4 Использование линий магистрали дополнительных контроллеров и связующих сигналов 4.1 Управляющие сигналы 4.2 Сигналы EN 4.3 Сигналы запросов 4.4 Прочие сигналы 5 Соединитель магистрали дополнительных контроллеров и связующие соединители передней панели 6 Нормы на сигналы 6.1 Нормы на сигналы АСВ 6.2 Нормы на сигналы, связующие переднюю панель с АСВ 6.3 Нормы сигналов на соединения АС с магистралью крейта 6.4 Защита входов сигналов Приложение А Спецификация крейт-контроллера КАМАК типа А2 Таблицы 1 Сигналы линий, подключенных к соединителю магистрали дополнительного контроллера и связующим соединителям передней панели 2 Распределение контактов соединителя магистрали дополнительного контроллера 3 Требования к смещению сигналов и источникам токов смещения на соединителе магистрали дополнительного контроллера и связующих соединителях передней панели 4 Требования к сигналам Q, R и X на соединителе магистрали дополнительного контроллера 5 Команды ветви, выполняемые крейт-контроллером типа А2 6 Распределение контактов соединителя сортировщика запросов крейт-контроллера типа А2 Рисунки 1 Многоконтроллерный крейт 2 Крейт-контроллер. Минимальная конфигурация 3 Последовательность сигналов АС, осуществляющего захват управления и операцию команды 4а Последовательность сигналов при захвате управления по способу ACL без прерывания текущей операции 46 Последовательность сигналов при захвате управления по способу ACL с прерыванием текущей операции 5 Коаксиальный соединитель типа МК-50 6 Крейт-контроллер КАМАК типа А2 Алфавитный указатель |
| Утверждён: | 11.01.1996 Госстандарт России (Russian Federation Gosstandart 14) |
| Список изменений: |
|
| Заменяет собой: |
|









































Текстовое изменение Поправка от 01.11.2000