Скачать ГОСТ 27133-86 Материалы электроизоляционные слоистые намотанные. Общие технические условияДата актуализации: 01.01.2021
|
| Обозначение: | ГОСТ 27133-86 |
| Обозначение англ: | GOST 27133-86 |
| Статус: | действует |
| Название рус.: | Материалы электроизоляционные слоистые намотанные. Общие технические условия |
| Название англ.: | Reeled laminated electrical insulating materials. General specifications |
| Дата добавления в базу: | 01.09.2013 |
| Дата актуализации: | 01.01.2021 |
| Дата введения: | 01.01.1988 |
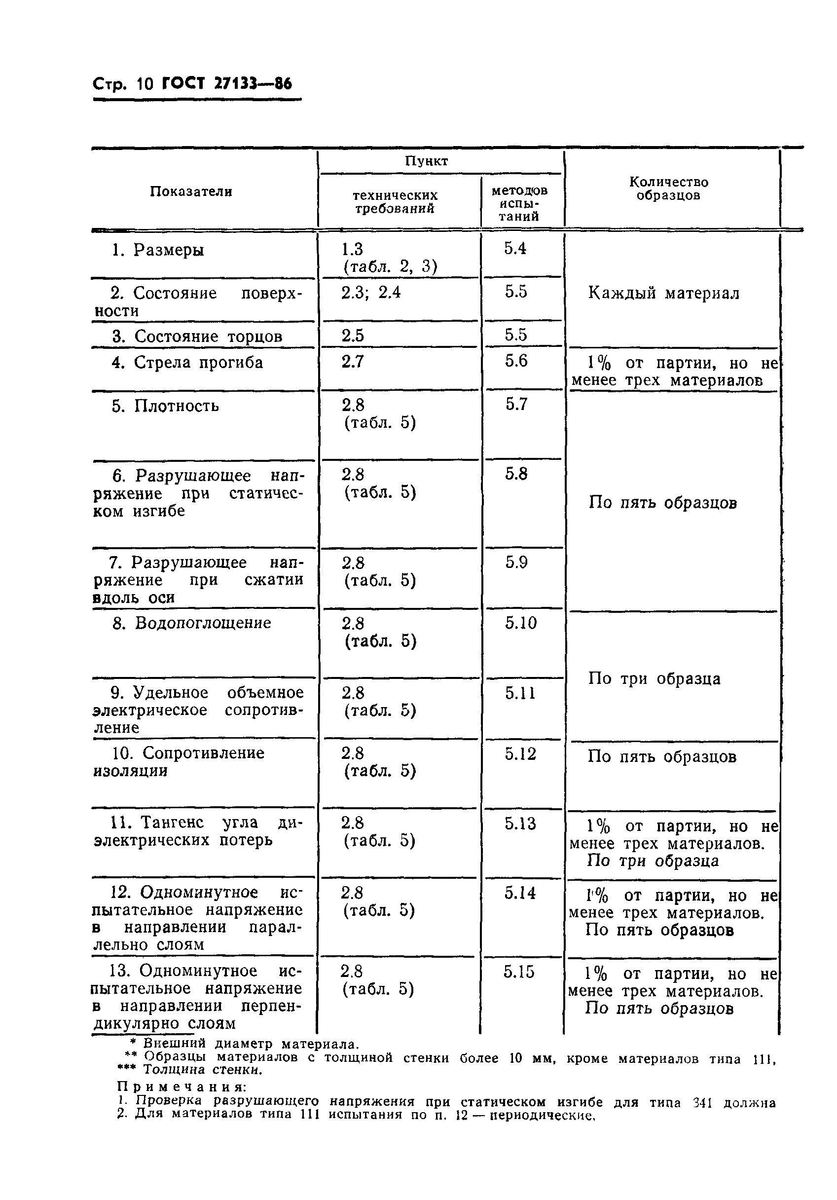
| Оглавление: | 1 Типы, основные параметры и размеры 2 Технические требования 3 Требования безопасности 4 Правила приемки 5 Методы испытаний 6 Маркировка, упаковка, транспортирование и хранение 7 Гарантии изготовителя Приложение 1 Обозначение типов материалов электроизоляционных слоистых намотанных по настоящему стандарту, действующим стандартам и техническим условиям на конкретные марки материалов Приложение 2 Свойства материалов электроизоляционных слоистых намотанных при испытании на разрушающее напряжение при статическом изгибе и сжатии вдоль оси при повышенных температурах |
| Утверждён: | 01.12.1986 Госстандарт СССР (USSR Gosstandart 3652) |
























