Скачать ГОСТ 27460-87 Трубки, капилляры и палочки из боросиликатного стекла 3,3. Общие технические условияДата актуализации: 01.01.2021
|
| Обозначение: | ГОСТ 27460-87 |
| Обозначение англ: | GOST 27460-87 |
| Статус: | введен впервые |
| Название рус.: | Трубки, капилляры и палочки из боросиликатного стекла 3,3. Общие технические условия |
| Название англ.: | Tubiqs, capillahes and stems made of borosilicate glass 3,3. General specifications |
| Дата добавления в базу: | 01.09.2013 |
| Дата актуализации: | 01.01.2021 |
| Дата введения: | 01.07.1988 |
| Область применения: | Стандарт распространяется на трубки, капилляры и палочки из боросиликатного стекла 3,3, применяемые для изготовления лабораторных приборов и их деталей. Стандарт не распространяется на трубки, применяемые для изготовления мерной лабораторной посуды. |
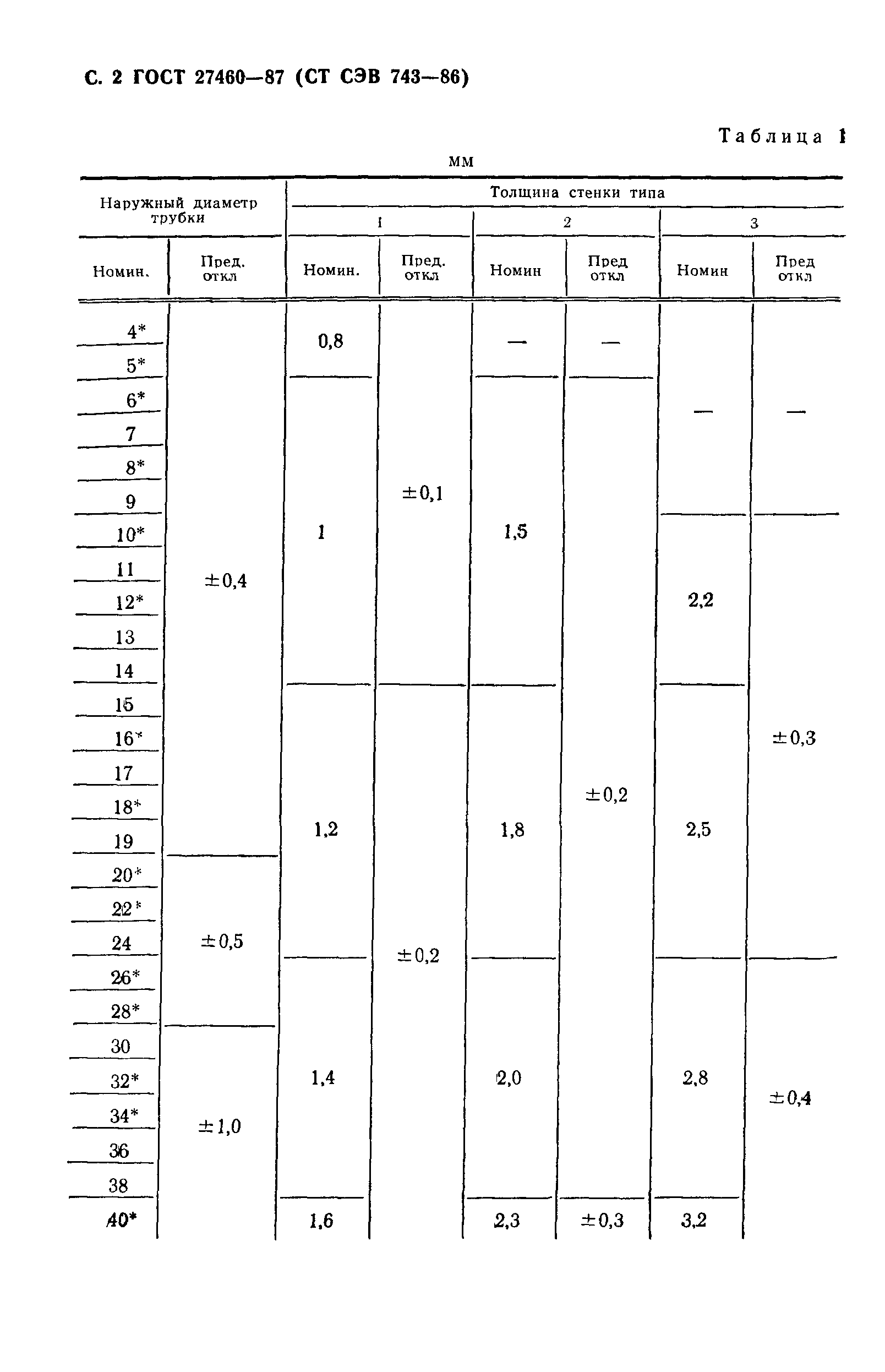
| Оглавление: | 1 Типы и размеры 2 Технические требования 3 Правила приемки 4 Методы испытаний 5 Маркировка, упаковка, транспортирование и хранение |
| Утверждён: | 28.10.1987 Государственный комитет СССР по стандартам (USSR National Committee on Standards 4065) |
| Издан: | Издательство стандартов (1988 г. ) |
| Нормативные ссылки: |
|










