Скачать ГОСТ 27724-88 Сверла с механическим креплением сменных многогранных пластин. Технические условия

Дата актуализации: 01.01.2021

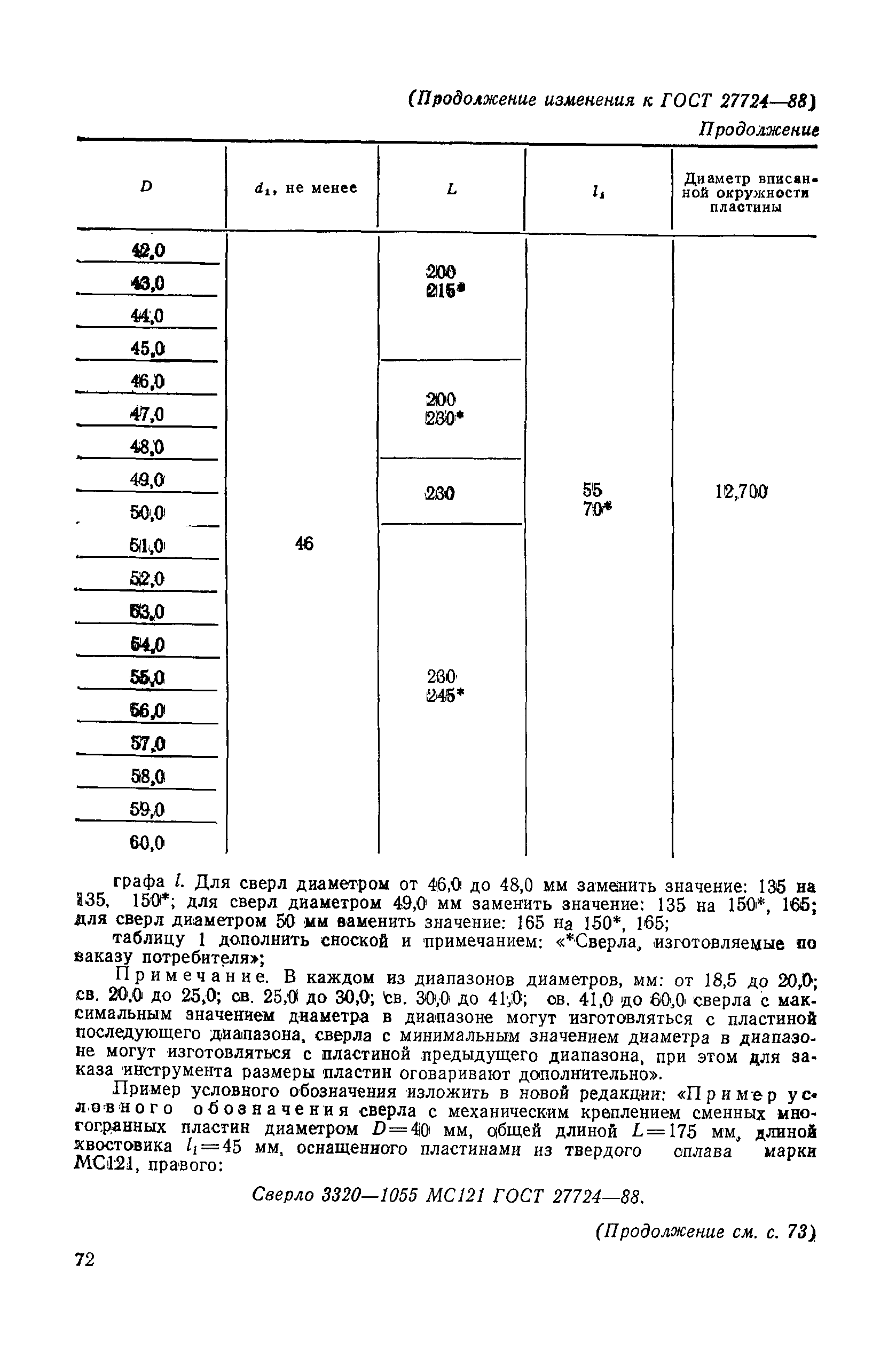
ГОСТ 27724-88

Сверла с механическим креплением сменных многогранных пластин. Технические условия

Обозначение: ГОСТ 27724-88
Обозначение англ: GOST 27724-88
Статус:введен впервые
Название рус.:Сверла с механическим креплением сменных многогранных пластин. Технические условия
Название англ.:Drills with indehable inserts. Specifications
Дата добавления в базу:01.09.2013
Дата актуализации:01.01.2021
Дата введения:01.07.1991
Область применения:Стандарт распространяется на сверла с механическим креплением сменных многогранных пластин, в тм числе с износостойком покрытием, предназначенные для сверления отверстий глубиной до двух диаметров в деталях из конструкционных сталей и чугунов на станках с числовым программным управлением.
Оглавление:1 Основные размеры
2 Технические требования
3 Комплектность
4 Приемка
5 Методы контроля
6 Транспортирование и хранение
Разработан: Министерство станкостроительной и инструментальной промышленности СССР
Утверждён:30.05.1988 Государственный комитет СССР по стандартам (USSR National Committee on Standards 1510)
Издан: Издательство стандартов (1988 г. )
ИПК Издательство стандартов (2003 г. )
Список изменений:
Нормативные ссылки:
ГОСТ 27724-88ГОСТ 27724-88ГОСТ 27724-88ГОСТ 27724-88ГОСТ 27724-88ГОСТ 27724-88

Текстовое изменение № 1 от 01.10.1990

№ 1№ 1№ 1№ 1