Скачать ГОСТ 27769-88 Шкурки норки клеточного разведения невыделанные. Технические условияДата актуализации: 01.01.2021
|
| Обозначение: | ГОСТ 27769-88 |
| Обозначение англ: | GOST 27769-88 |
| Статус: | взамен |
| Название рус.: | Шкурки норки клеточного разведения невыделанные. Технические условия |
| Название англ.: | Undressed skins of cage breeding. Specification |
| Дата добавления в базу: | 01.09.2013 |
| Дата актуализации: | 01.01.2021 |
| Дата введения: | 01.10.1991 |
| Область применения: | Стандарт распространяется на шкурки норки невыделанные клеточного разведения. |
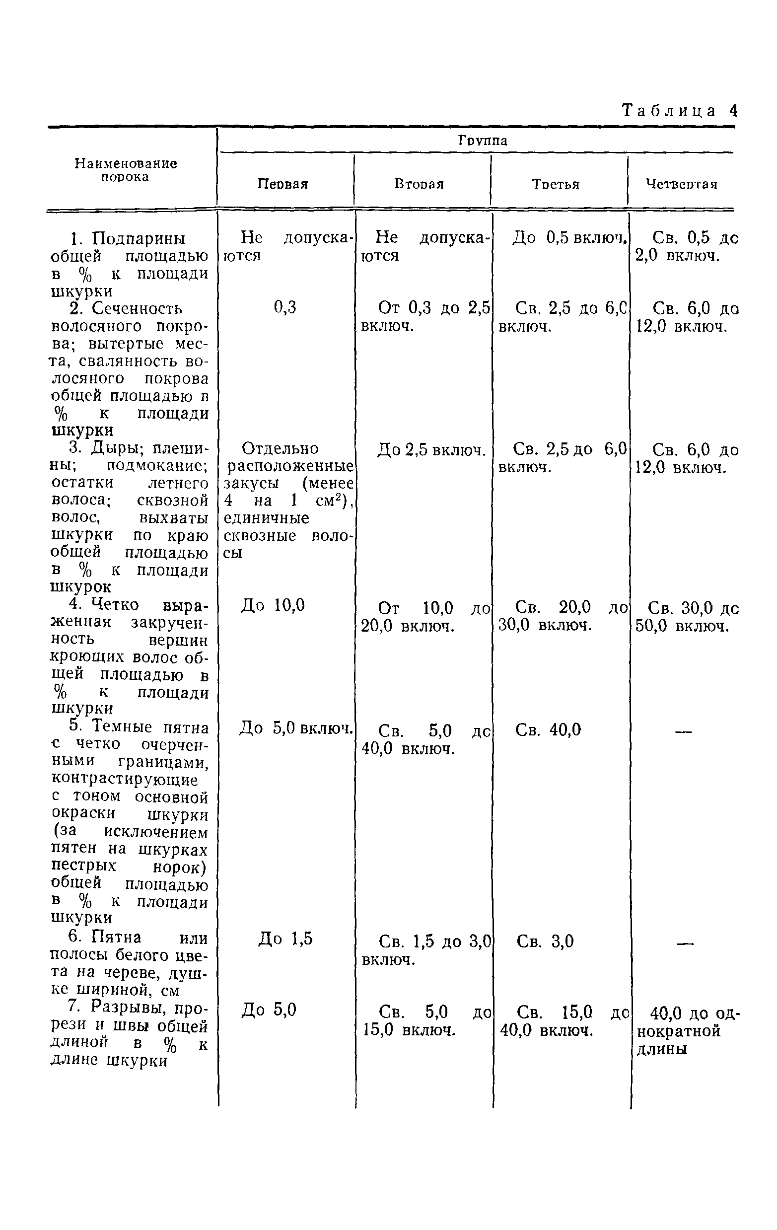
| Оглавление: | 1 Технические требования 2 Методы испытаний 3 Приемка 4 Транспортирование Приложение 1 (рекомендуемое) Правилка Приложение 2 (обязательное) Оценка качества шкурок норки, % Приложение 3 (справочное) Площадь пороков в см2 для шкурок различных размерных категорий Приложение 4 (справочное) Характеристика пороков |
| Разработан: | Госагропром СССР |
| Утверждён: | 28.06.1988 Государственный комитет СССР по стандартам (USSR National Committee on Standards 2436) |
| Издан: | Издательство стандартов (1988 г. ) |
| Заменяет собой: | |
| Нормативные ссылки: |














