Скачать ГОСТ 27875-88 Наконечники стоматологические пневмотурбинные и муфты шлангов. Присоединительные размеры

Дата актуализации: 01.01.2021

ГОСТ 27875-88

Наконечники стоматологические пневмотурбинные и муфты шлангов. Присоединительные размеры

Обозначение: ГОСТ 27875-88
Обозначение англ: GOST 27875-88
Статус:введен впервые
Название рус.:Наконечники стоматологические пневмотурбинные и муфты шлангов. Присоединительные размеры
Название англ.:Air turbine dental handpieces and flexible hose connectors. Mounting dimensions
Дата добавления в базу:01.09.2013
Дата актуализации:01.01.2021
Дата введения:01.07.1989
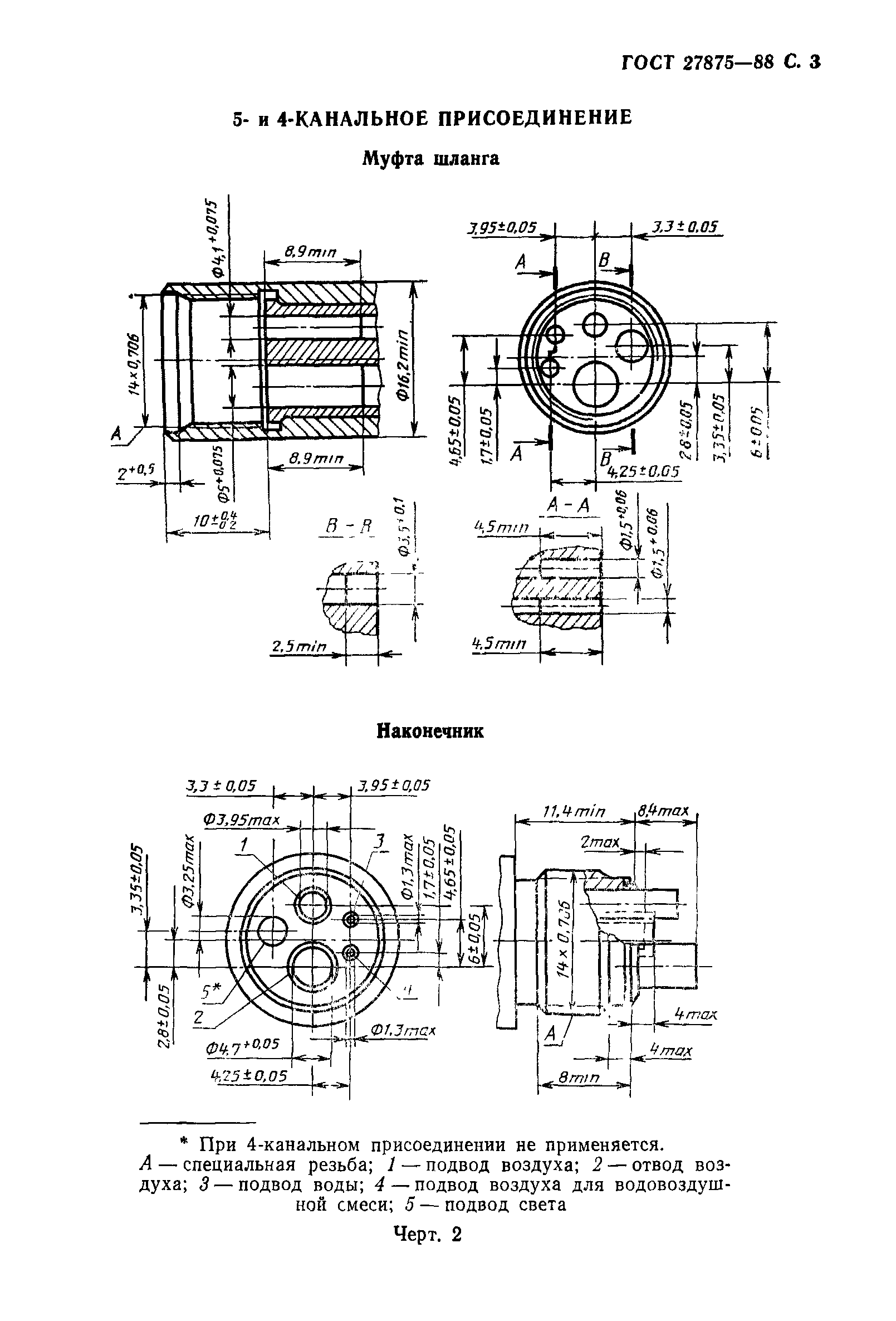
Область применения:Стандарт распространяется на стоматологические пневмотурбинные наконечники, пневматические аппараты для снятия зубного камня (далее - наконечники), пневмобормашины и устанавливает присоединительные размеры наконечников и муфт гибких шлангов, предназначенных для соединения наконечников и гибких шлангов пневмобормашин, с помощью которых обеспечивается питание наконечников водой, воздухом, светом и отвод воздуха.
Разработан: Министерство приборостроения, средств автоматизации и систем управления СССР
Утверждён:28.10.1988 Государственный комитет СССР по стандартам (USSR National Committee on Standards 3587)
Издан: Издательство стандартов (1989 г. )
ГОСТ 27875-88ГОСТ 27875-88ГОСТ 27875-88ГОСТ 27875-88ГОСТ 27875-88ГОСТ 27875-88ГОСТ 27875-88