Скачать ГОСТ 28046-89 Протяжки сборные для десятишлицевых отверстий с прямобочным профилем с центрированием по внутреннему диаметру комбинированные переменного резания трехпроходные. Конструкция

Дата актуализации: 01.01.2021

ГОСТ 28046-89

Протяжки сборные для десятишлицевых отверстий с прямобочным профилем с центрированием по внутреннему диаметру комбинированные переменного резания трехпроходные. Конструкция

Обозначение: ГОСТ 28046-89
Обозначение англ: GOST 28046-89
Статус:введен впервые
Название рус.:Протяжки сборные для десятишлицевых отверстий с прямобочным профилем с центрированием по внутреннему диаметру комбинированные переменного резания трехпроходные. Конструкция
Название англ.:Internal broaches for straight splines based at internal diameter three pass combined type. Construction
Дата добавления в базу:01.09.2013
Дата актуализации:01.01.2021
Дата введения:01.07.1990
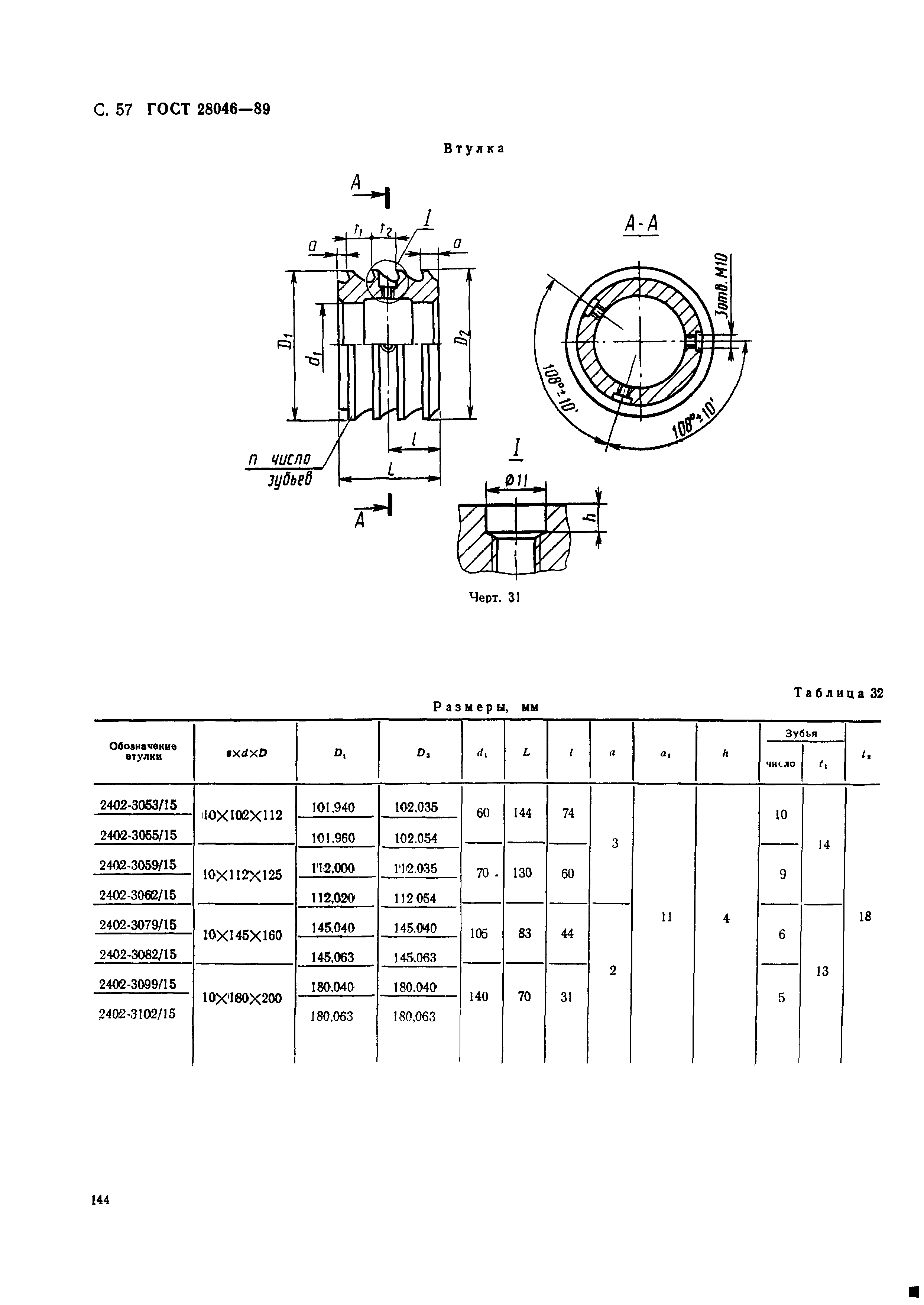
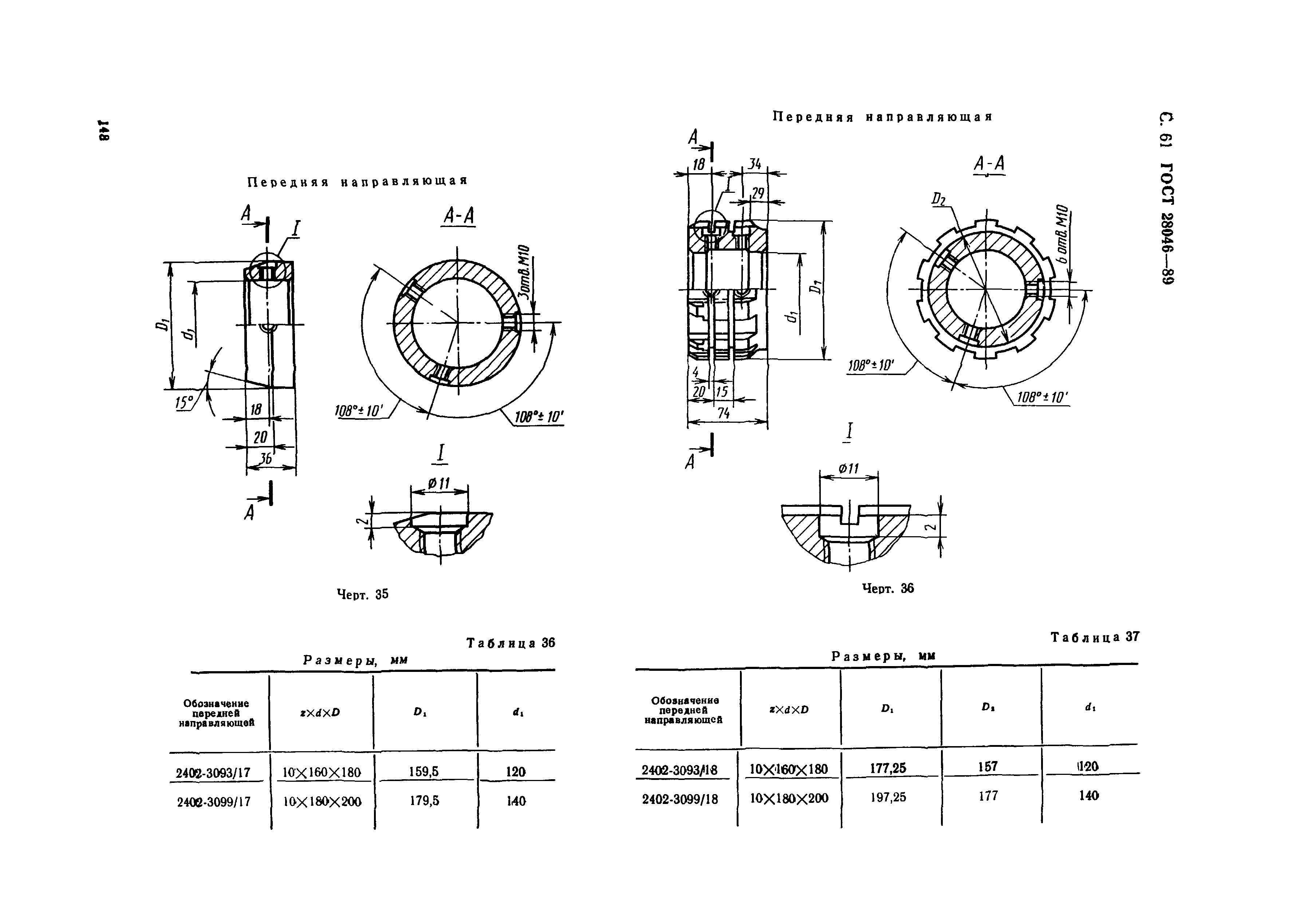
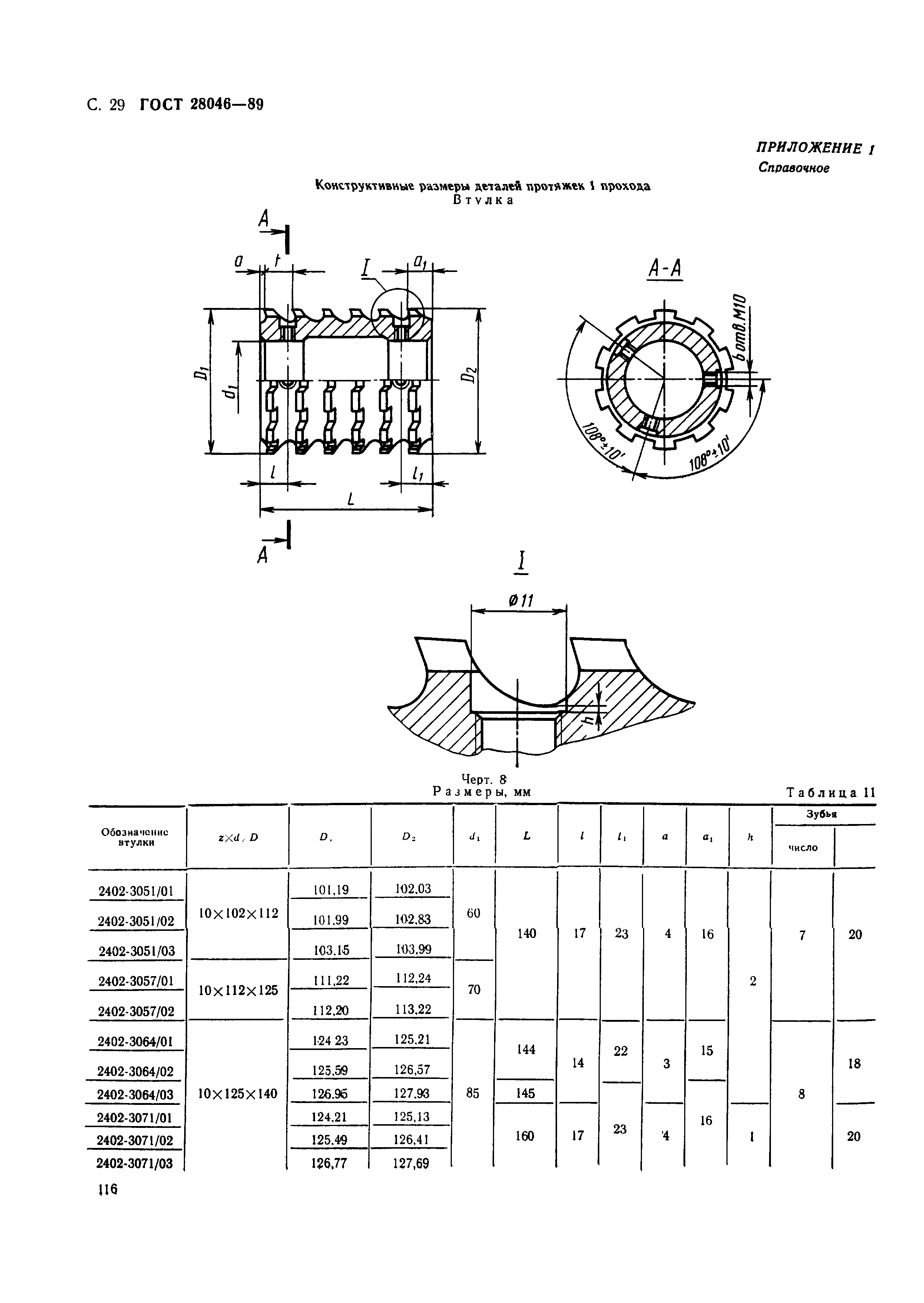
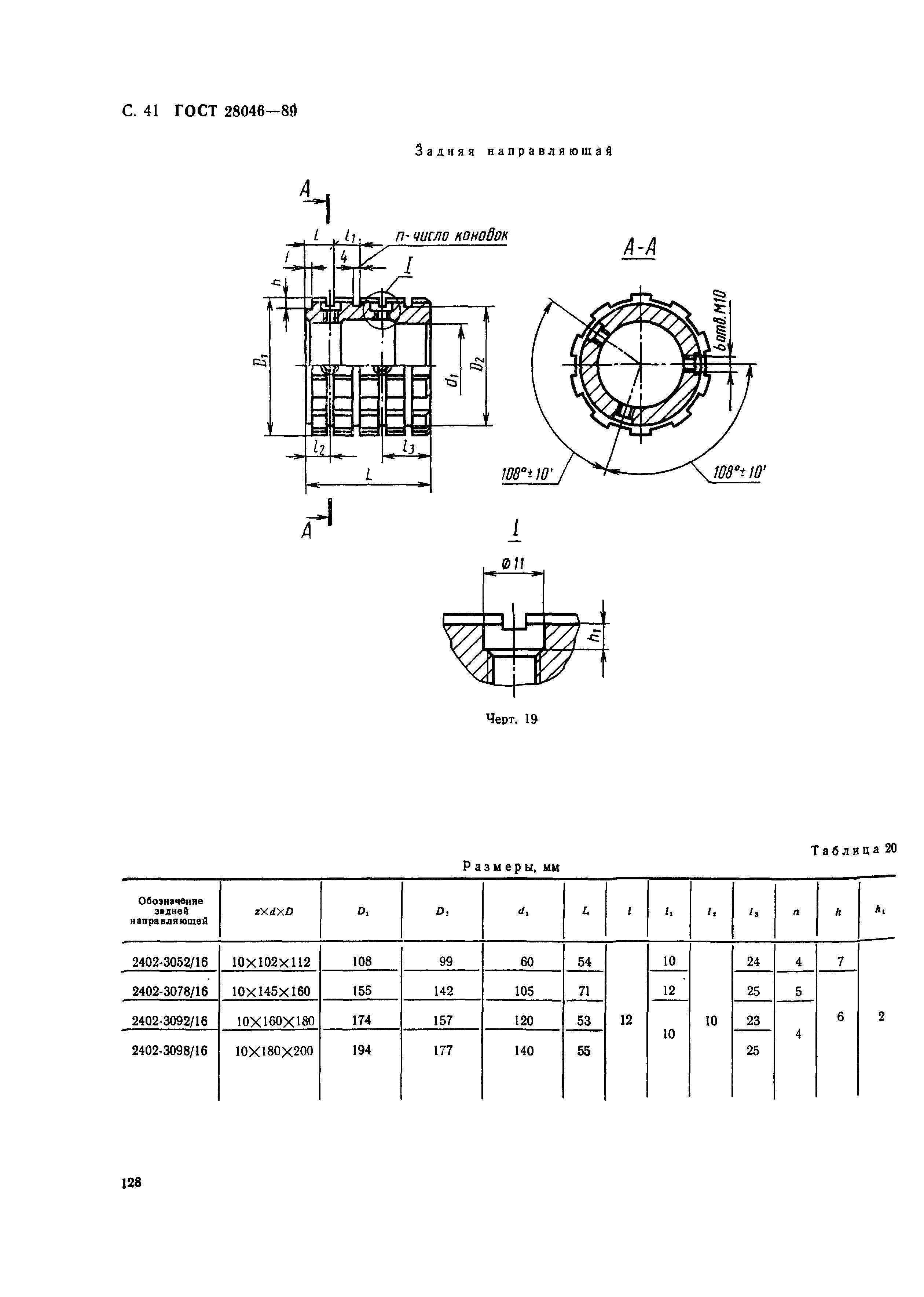
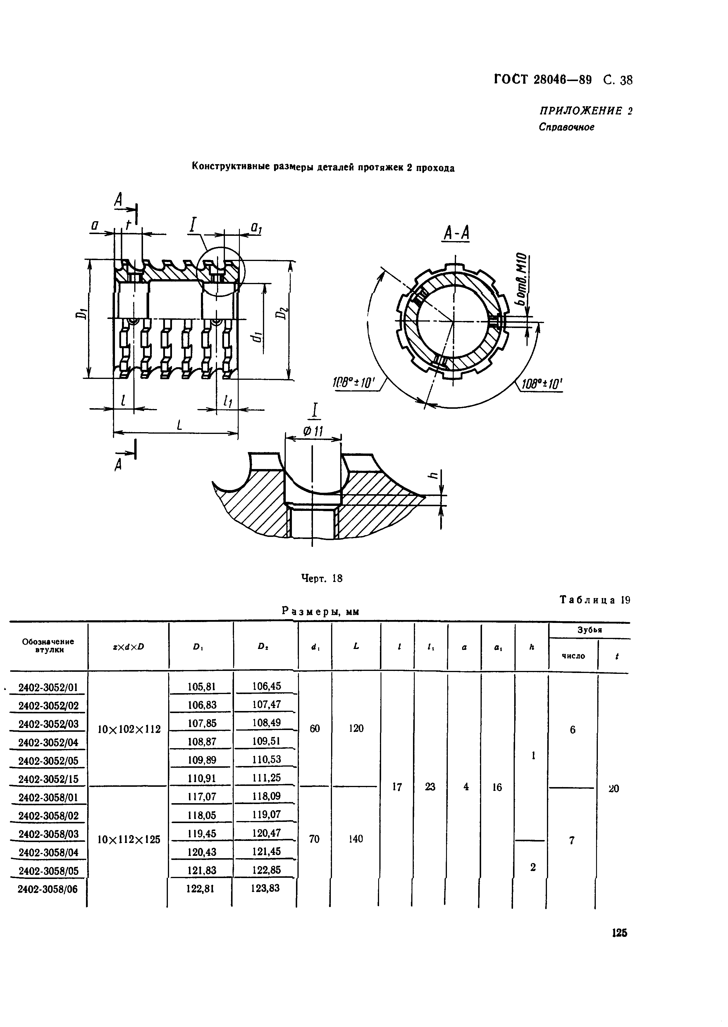
Область применения:Стандарт распространяется на комбинированные трехпроходные сборные протяжки переменного резания универсального назначения, предназначенные для обработки десятишлицевых втулок с прямобочным профилем и допусками по ГОСТ 1139 (для диаметров D до 125 мм) и по технической документации, утвержденной в установленном порядке (для диаметров D свыше 125 мм) с центрированием по внутреннему диаметру.
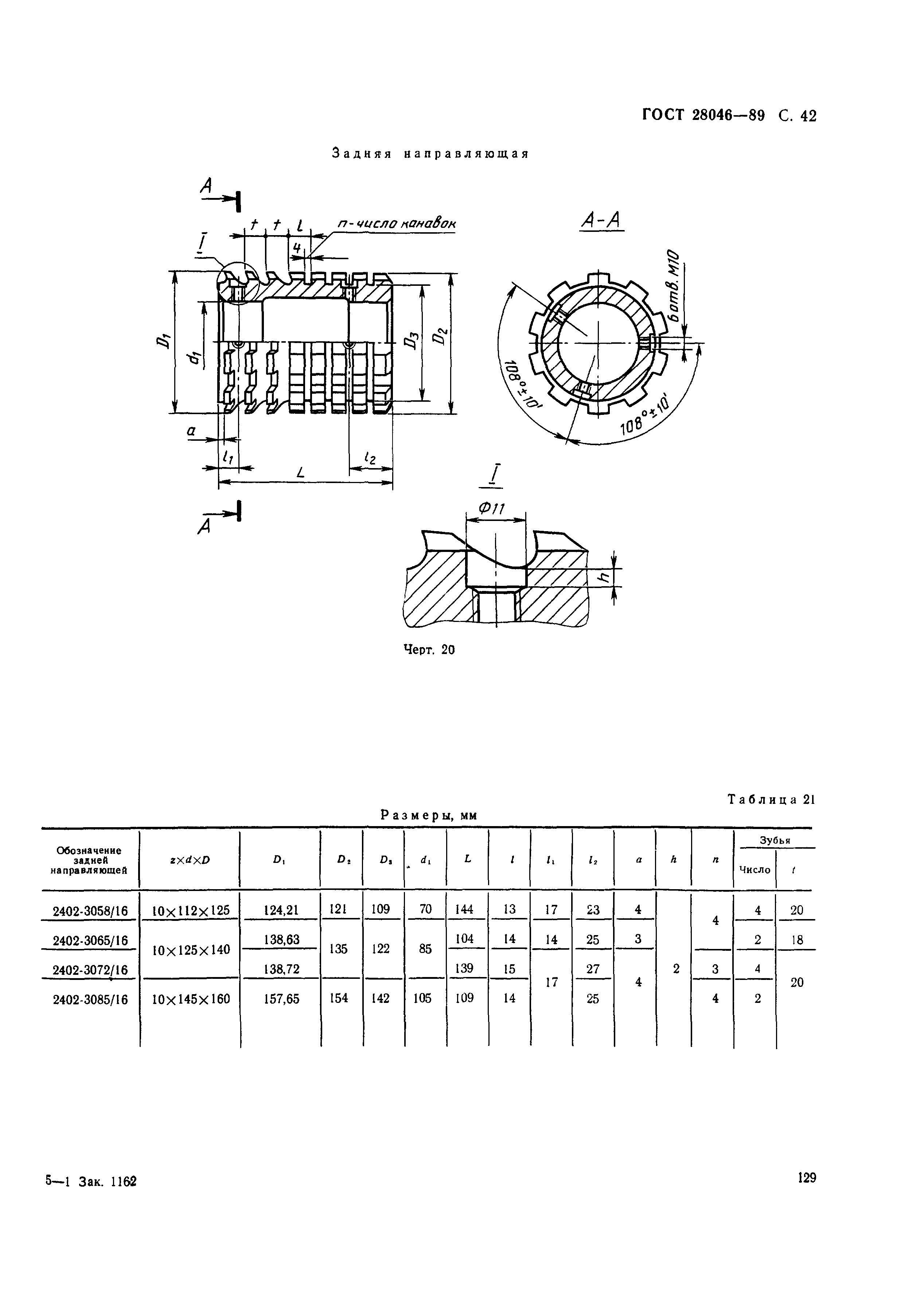
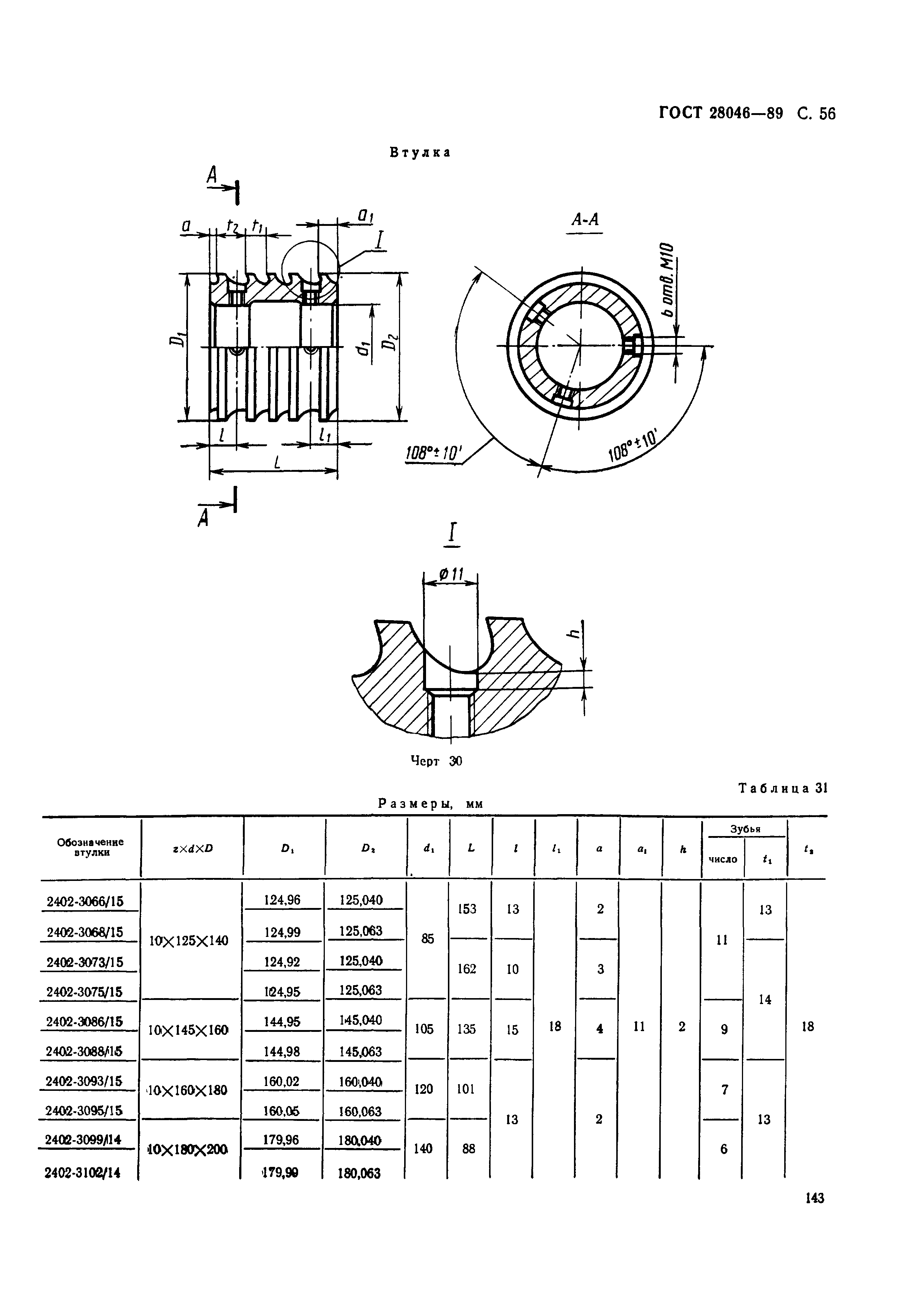
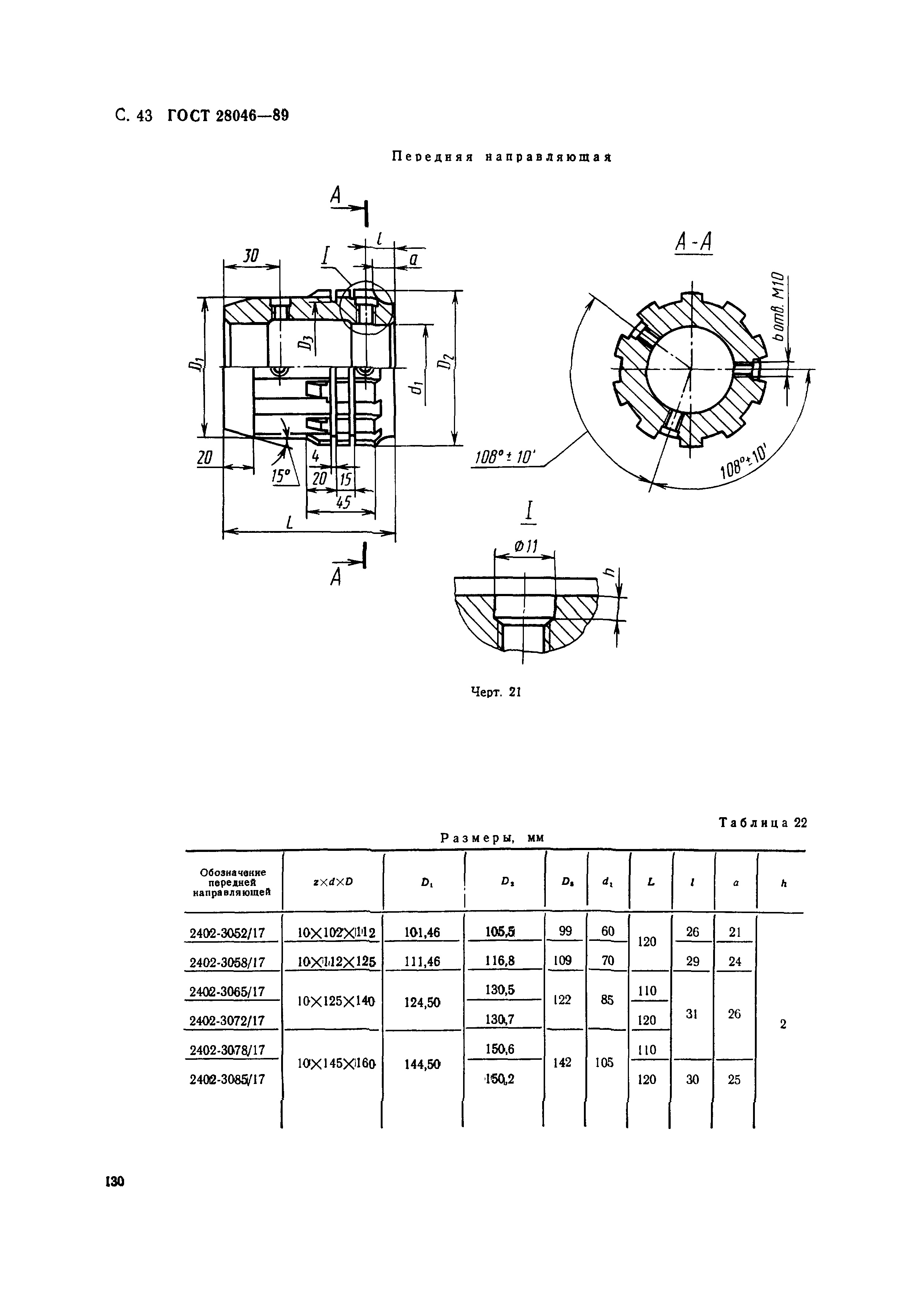
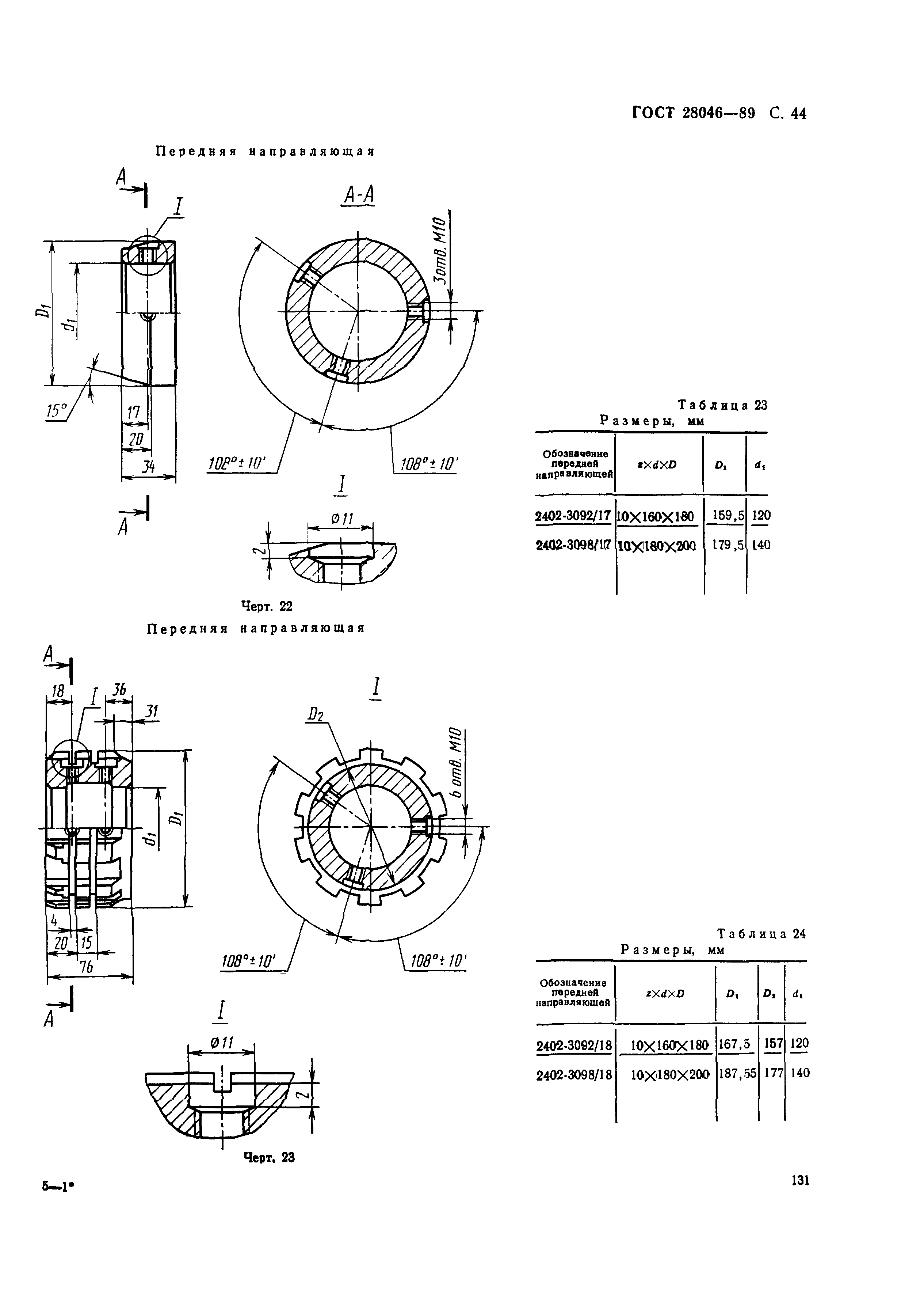
Оглавление:Приложение 1 (справочное) Конструктивные размеры деталей протяжек 1 прохода
Разработан: Министерство станкостроительной и инструментальной промышленности СССР
Утверждён:16.03.1989 Государственный комитет СССР по стандартам (USSR National Committee on Standards 516)
Издан: Издательство стандартов (1989 г. )
Нормативные ссылки:
ГОСТ 28046-89ГОСТ 28046-89ГОСТ 28046-89ГОСТ 28046-89ГОСТ 28046-89ГОСТ 28046-89ГОСТ 28046-89ГОСТ 28046-89ГОСТ 28046-89ГОСТ 28046-89ГОСТ 28046-89ГОСТ 28046-89ГОСТ 28046-89ГОСТ 28046-89ГОСТ 28046-89ГОСТ 28046-89ГОСТ 28046-89ГОСТ 28046-89ГОСТ 28046-89ГОСТ 28046-89ГОСТ 28046-89ГОСТ 28046-89ГОСТ 28046-89ГОСТ 28046-89ГОСТ 28046-89ГОСТ 28046-89ГОСТ 28046-89ГОСТ 28046-89ГОСТ 28046-89ГОСТ 28046-89ГОСТ 28046-89ГОСТ 28046-89ГОСТ 28046-89ГОСТ 28046-89ГОСТ 28046-89ГОСТ 28046-89ГОСТ 28046-89ГОСТ 28046-89ГОСТ 28046-89ГОСТ 28046-89ГОСТ 28046-89ГОСТ 28046-89ГОСТ 28046-89ГОСТ 28046-89ГОСТ 28046-89ГОСТ 28046-89ГОСТ 28046-89ГОСТ 28046-89ГОСТ 28046-89ГОСТ 28046-89ГОСТ 28046-89ГОСТ 28046-89ГОСТ 28046-89ГОСТ 28046-89ГОСТ 28046-89ГОСТ 28046-89ГОСТ 28046-89ГОСТ 28046-89ГОСТ 28046-89ГОСТ 28046-89ГОСТ 28046-89ГОСТ 28046-89ГОСТ 28046-89