Скачать ГОСТ 28103-89 Тазы для машин прядильного производства. Типы, основные параметры и размерыДата актуализации: 01.01.2021
|
| Обозначение: | ГОСТ 28103-89 |
| Обозначение англ: | GOST 28103-89 |
| Статус: | введен впервые |
| Название рус.: | Тазы для машин прядильного производства. Типы, основные параметры и размеры |
| Название англ.: | Cans for machines of spinning industry. Types, main parameteres and dimensions |
| Дата добавления в базу: | 01.09.2013 |
| Дата актуализации: | 01.01.2021 |
| Дата введения: | 01.01.1990 |
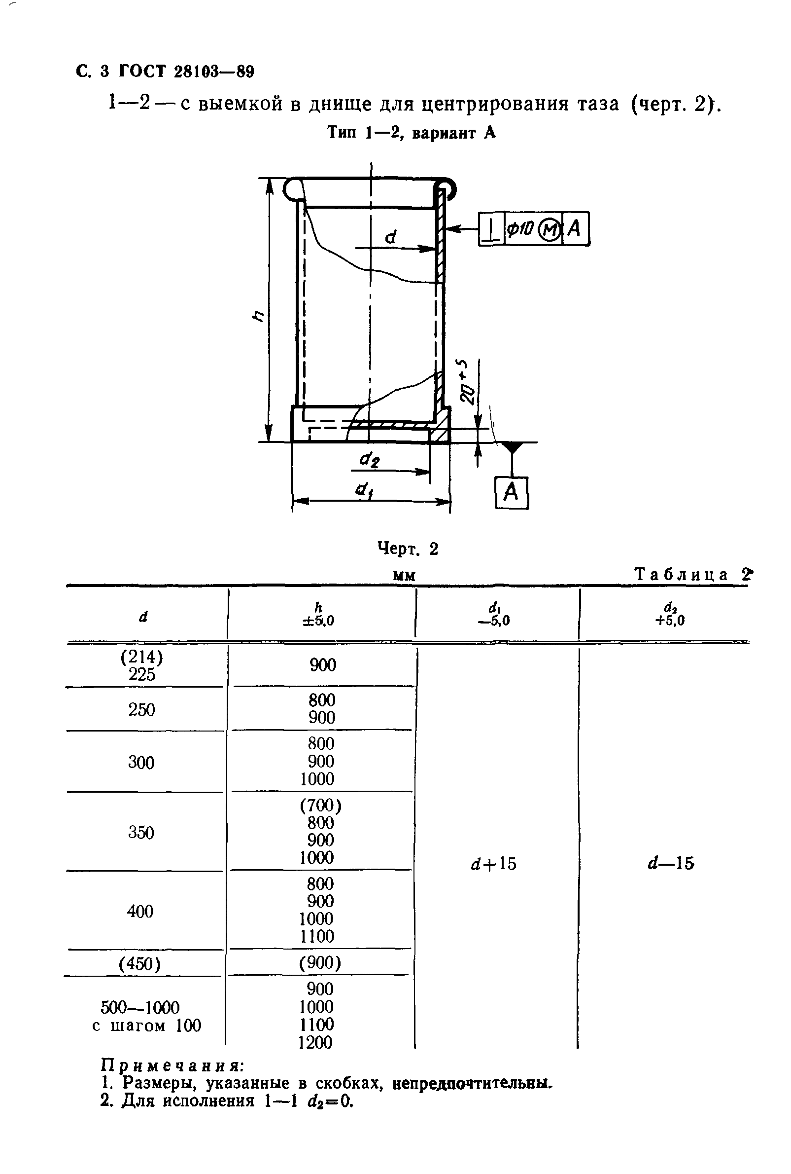
| Область применения: | Стандарт распространяется на тазы для лент из всех видов волокон, применяемые на машинах прядильного производства, и устанавливает их типы, основные параметры и размеры. |
| Оглавление: | 1. Типы 2. Основные параметры и размеры Приложение (справочное) Соответствие обозначений тазов по настоящему стандарту обозначениям тазов, ранее принятым по ОСТ 17-752-85 |
| Утверждён: | 19.04.1989 Государственный комитет СССР по стандартам (USSR National Committee on Standards 1017) |
| Издан: | Издательство стандартов (1989 г. ) |











