Скачать ГОСТ 28752-90 Соединители на частоты до 3 МГц. Часть 9. Цилиндрические соединители для радиоаппаратуры и связанной с ними акустической аппаратурыДата актуализации: 01.01.2021
|
| Обозначение: | ГОСТ 28752-90 |
| Обозначение англ: | GOST 28752-90 |
| Статус: | действует |
| Название рус.: | Соединители на частоты до 3 МГц. Часть 9. Цилиндрические соединители для радиоаппаратуры и связанной с ними акустической аппаратуры |
| Название англ.: | Connectors for frequencies below 3 MHz. Part 9. Circular connectors for radio and associated sound equipment |
| Дата добавления в базу: | 01.09.2013 |
| Дата актуализации: | 01.01.2021 |
| Дата введения: | 01.01.1992 |
| Область применения: | Стандарт распространяется на цилиндрические соединители для радиоаппаратуры и связанной с ними акустической аппаратуры. |
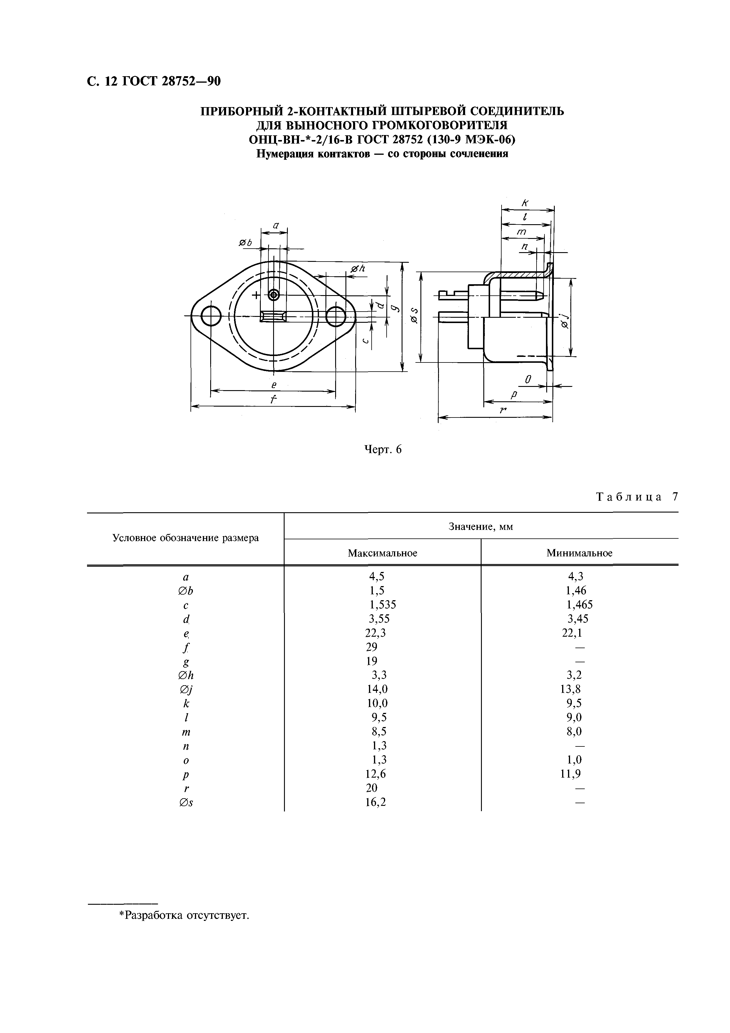
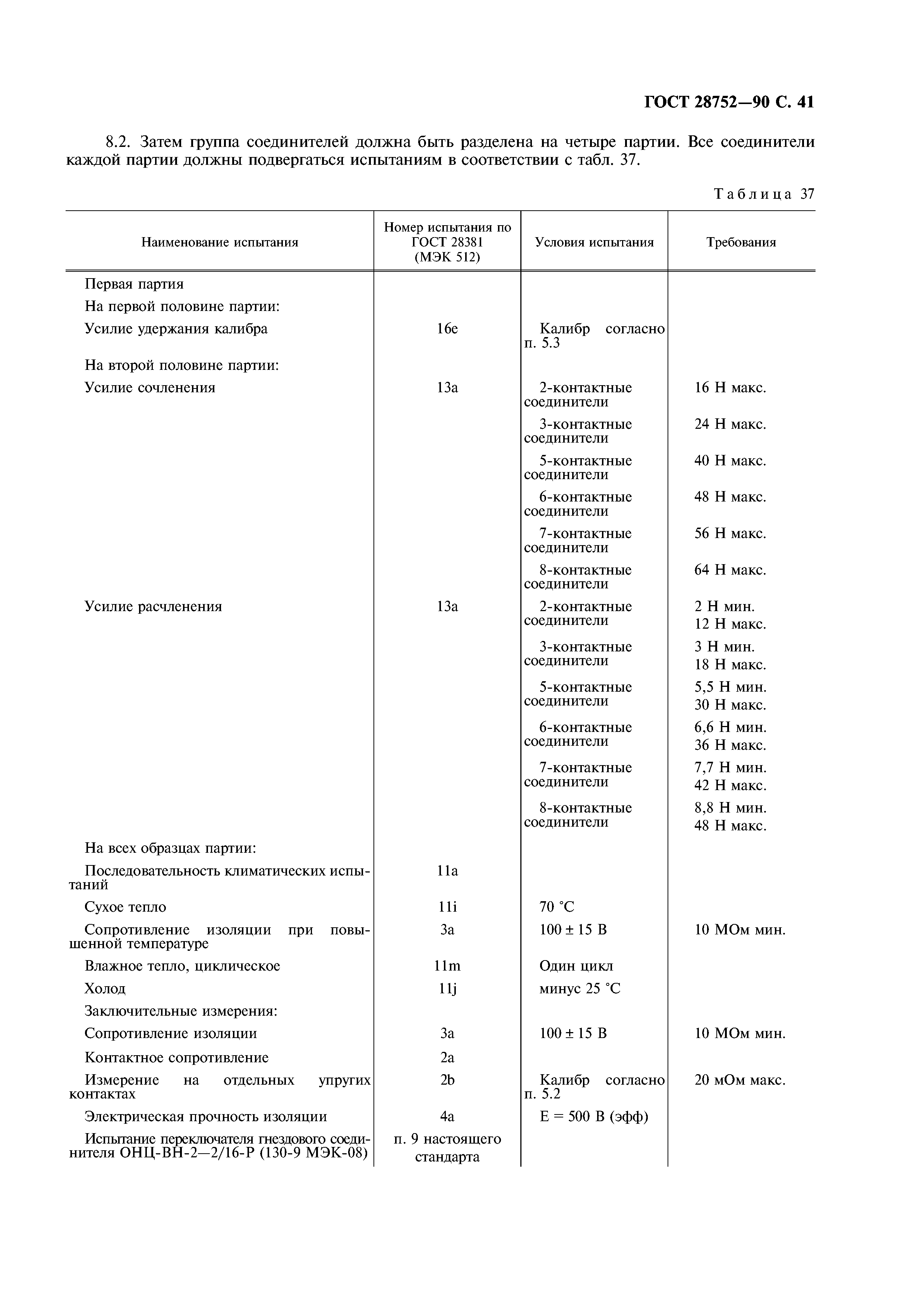
| Оглавление: | 1. Область применения 2. Обозначение типа 3. Схемы расположения контактов и соединения цепей 4. Размеры 5. Калибры 6. Номинальные параметры 7. Климатическая категория 8. Программа типовых испытаний 9. Инструкция по испытанию переключателей в соединителях ОНЦ-ВН-2-2/16-Р (130-9 МЭК-08) Приложение 1 (справочное) Описание соединителей Приложение 2 (справочное) Примеры соединения цепей соединителя с переключателем Приложение 3 (обязательное) Соединение цепей (МЭК 268-11) Приложение 4 (обязательное) Порядок введения стандарта в действие Приложение 5 (справочное) Стандарты МЭК, подготовленные техническим комитетом 48 |
| Разработан: | Министерство электронной промышленности СССР |
| Утверждён: | 28.11.1990 Государственный комитет СССР по стандартам (USSR National Committee on Standards 2945) |
| Издан: | Издательство стандартов (1991 г. ) Стандартинформ (2005 г. ) |
| Нормативные ссылки: |
|




























































