Скачать ГОСТ 34.402-91 Информационная технология. Обмен информацией на кассете с магнитной лентой шириной 3,81 мм (0,15 дюйма) с плотностью записи 4 символа/мм (100 символов/дюйм) способом фазового кодирования при 63 переходах потоков/мм (1600 переходов потока/дюйм)Дата актуализации: 01.01.2021
|
| Обозначение: | ГОСТ 34.402-91 |
| Обозначение англ: | GOST 34.402-91 |
| Статус: | действует |
| Название рус.: | Информационная технология. Обмен информацией на кассете с магнитной лентой шириной 3,81 мм (0,15 дюйма) с плотностью записи 4 символа/мм (100 символов/дюйм) способом фазового кодирования при 63 переходах потоков/мм (1600 переходов потока/дюйм) |
| Название англ.: | Information technology. Information interchange on 3,81 mm (0,15 in) magnetic tape cassette at 4 cpmm (100 cpI) phase encoded 63 ftpmm (1600 ftpi) |
| Дата добавления в базу: | 01.09.2013 |
| Дата актуализации: | 01.01.2021 |
| Дата введения: | 01.01.1993 |
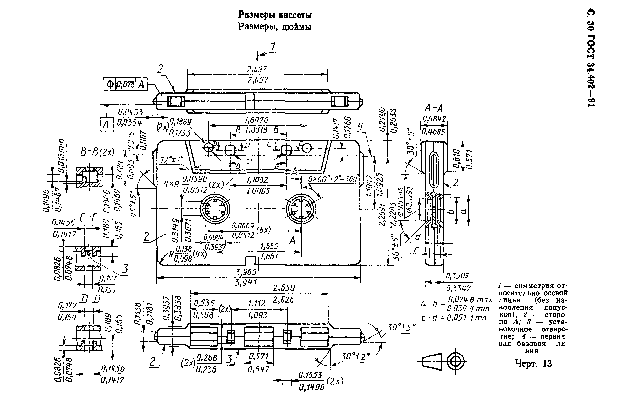
| Область применения: | Стандарт распространяется на кассеты с магнитной лентой шириной 3,81 мм (0,15 дюйма), предназначенные для обмена информацией между системами обработки информации, использующими 7-битный кодированный набор символов, и устанавливает требования, обеспечивающие обмен информацией и физическую взаимозаменяемость между этими системами. |
| Оглавление: | 1. Назначение и область применения 2. Ссылки 3. Термины и определения 4. Климатические условия и транспортирование 5. Параметры ленты 6. Кассета 7. Запись 8. Формат Приложение А. Слипание магнитной ленты Приложение Б. Измерение светопроницаемости Приложение 1. Чертежи кассеты с лентой, выполненные в соответствии с ИСО 3407 |
| Разработан: | Министерство радиопромышленности СССР |
| Утверждён: | 29.12.1991 Комитет стандартизации и метрологии СССР (USSR Committee on Standardization and Metrology 2395) |
| Издан: | Издательство стандартов (1992 г. ) |
| Нормативные ссылки: |


































