Скачать ГОСТ 6469-69 Фрезы дисковые двусторонние со вставными ножами, оснащенными твердым сплавом. Конструкция и размерыДата актуализации: 01.01.2021
|
| Обозначение: | ГОСТ 6469-69 |
| Обозначение англ: | GOST 6469-69 |
| Статус: | взамен |
| Название рус.: | Фрезы дисковые двусторонние со вставными ножами, оснащенными твердым сплавом. Конструкция и размеры |
| Название англ.: | Double angle disc cutters with inserted carbide blades. Construction and dimensions |
| Дата добавления в базу: | 01.09.2013 |
| Дата актуализации: | 01.01.2021 |
| Дата введения: | 01.07.1970 |
| Область применения: | Стандарт распространяется на фрезы дисковые двухсторонние со вставными ножами, оснащенными твердым сплавом. |
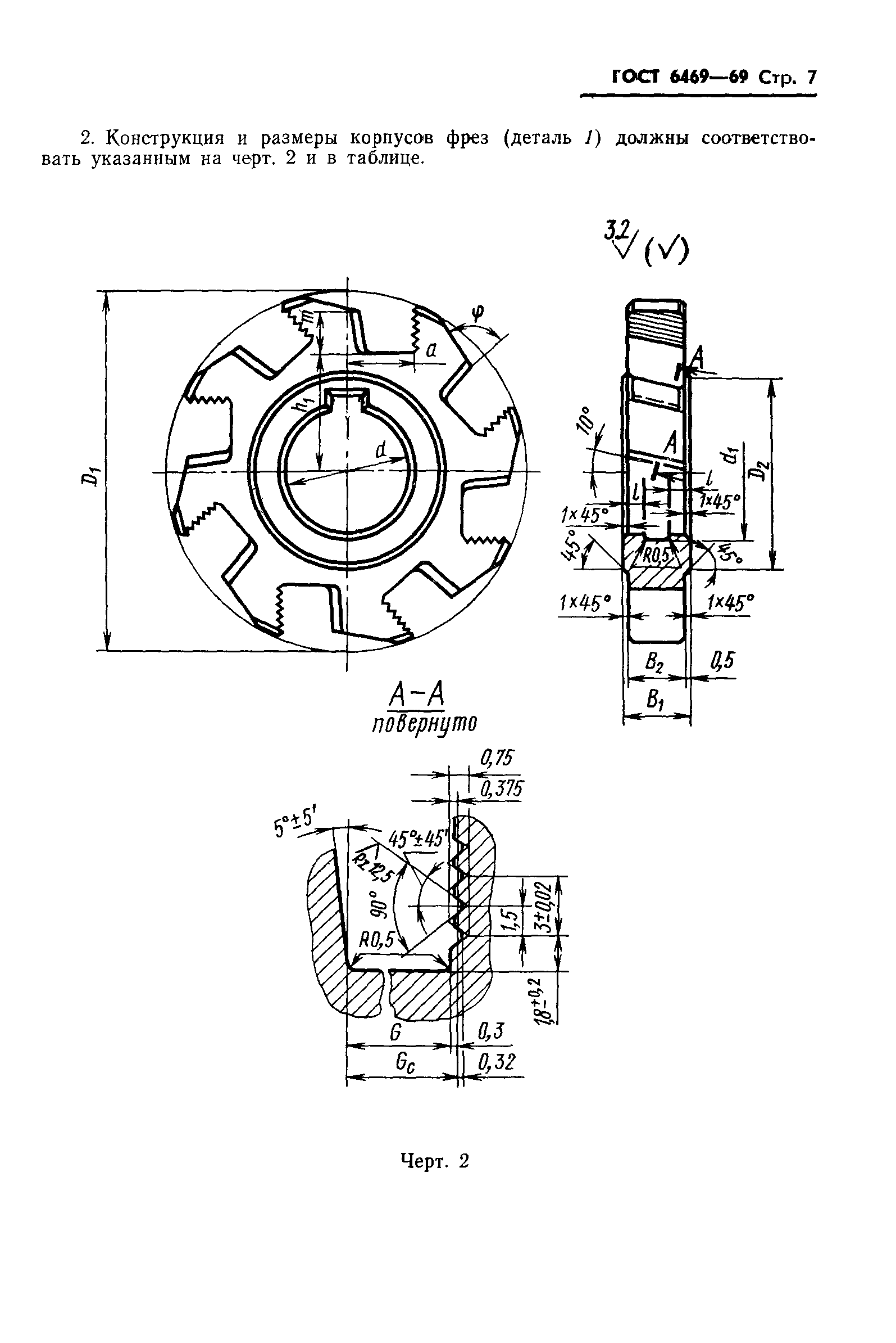
| Оглавление: | 1 Размеры 2 Конструкция и размеры корпусов Приложение Геометрические параметры, конструкция и размеры фрез |
| Утверждён: | 02.06.1969 Комитет стандартов, мер и измерительных приборов при Совете Министров СССР (Committee on Standards, Measures, and Measuring Instruments at the USSR Cabinet of Ministers 629) |
| Издан: | Издательство стандартов (1981 г. ) |
| Заменяет собой: |
|
| Нормативные ссылки: |
|










