Скачать ГОСТ 8.014-72 Государственная система обеспечения единства измерений. Методы и средства поверки фотоэлектрических люксметровДата актуализации: 01.01.2021
|
| Обозначение: | ГОСТ 8.014-72 |
| Обозначение англ: | GOST 8.014-72 |
| Статус: | действует |
| Название рус.: | Государственная система обеспечения единства измерений. Методы и средства поверки фотоэлектрических люксметров |
| Название англ.: | State system for ensuring the uniformity of measurements. Methods and means for verification of photoelectric illumination photometers |
| Дата добавления в базу: | 01.09.2013 |
| Дата актуализации: | 01.01.2021 |
| Дата введения: | 01.07.1973 |
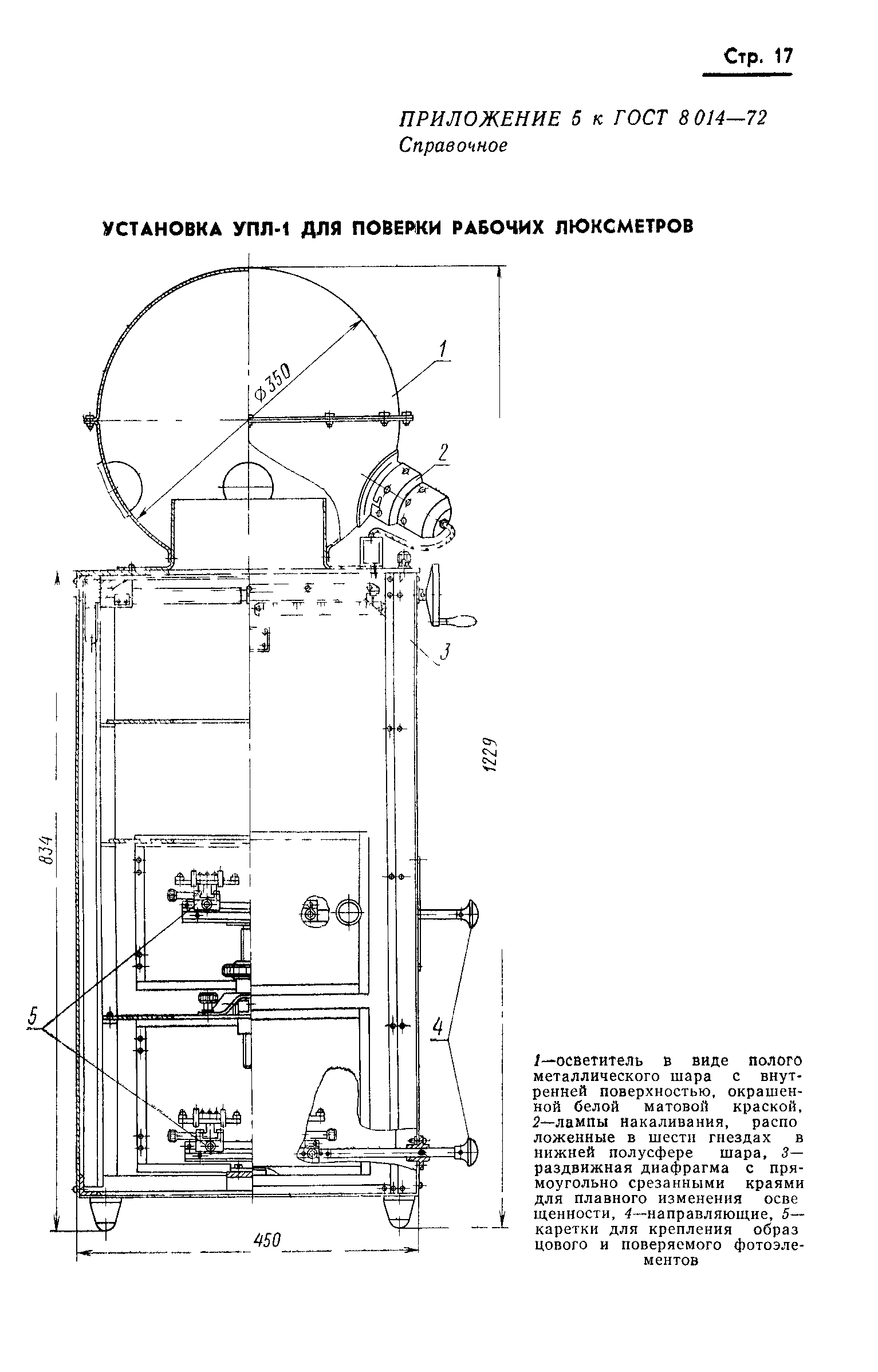
| Оглавление: | 1. Операции поверки 2. Средства поверки 3. Условия поверки и подготовка к ней 4. Проведение поверки 5. Обработка результатов наблюдений 6. Оформление результатов поверки Приложение 1. Форма протокола поверки на светомерной скамье Приложение 2. Форма протокола поверки на поверочной установке типа УПЛ-1 Приложение 3. Основные технические характеристики рабочих люксметров Приложение 4. Основные технические характеристики рабочих люксметров Приложение 5. Установка УПЛ-1 для поверки рабочих люксметров |
| Утверждён: | 19.04.1972 Госстандарт СССР (USSR Gosstandart 773) |
| Заменяет собой: |
|





















