Скачать ГОСТ 8.254-77 Государственная система обеспечения единства измерений. Приемники измерительные. Методы и средства поверки в диапазоне частот 1-37,5 ГГцДата актуализации: 01.01.2021
|
| Обозначение: | ГОСТ 8.254-77 |
| Обозначение англ: | GOST 8.254-77 |
| Статус: | действует |
| Название рус.: | Государственная система обеспечения единства измерений. Приемники измерительные. Методы и средства поверки в диапазоне частот 1-37,5 ГГц |
| Название англ.: | State system for ensuring the uniformity of meanurements. Measuring receivers. Methods and means for verification in frequency range from 1 to 37,5 GHz |
| Дата добавления в базу: | 01.09.2013 |
| Дата актуализации: | 01.01.2021 |
| Дата введения: | 01.01.1979 |
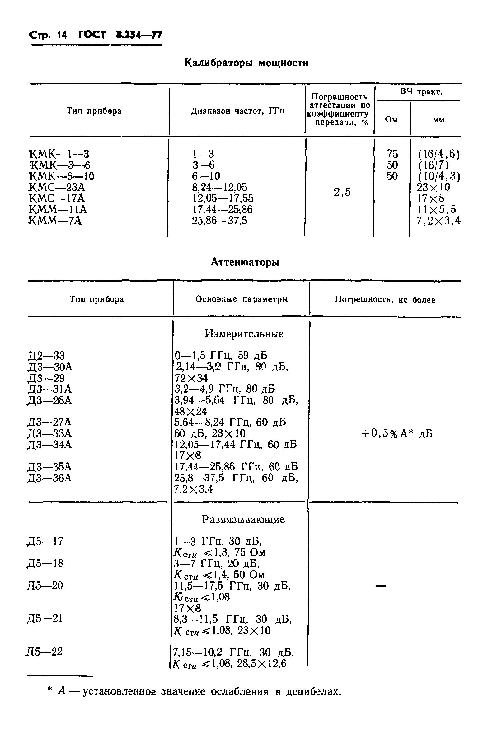
| Оглавление: | 1. Операции поверки 2. Средства поверки 3. Условия поверки и подготовка к ней 4. Проведение поверки 5. Оформление результатов поверки Приложение 1. Основные параметры средств поверки Приложение 2. Технические характеристики приемников |
| Утверждён: | 26.07.1977 Госстандарт СССР (USSR Gosstandart 1833) |
| Заменяет собой: |
|




















