Скачать ГОСТ 8.294-85 Государственная система обеспечения единства измерений. Мосты переменного тока уравновешенные. Методика поверкиДата актуализации: 01.01.2021
|
| Обозначение: | ГОСТ 8.294-85 |
| Обозначение англ: | GOST 8.294-85 |
| Статус: | отменен в рф |
| Название рус.: | Государственная система обеспечения единства измерений. Мосты переменного тока уравновешенные. Методика поверки |
| Название англ.: | State system of ensuring the uniformity of measurements. A.c. balanced bridges. Calibration methods |
| Дата добавления в базу: | 01.09.2013 |
| Дата актуализации: | 01.01.2021 |
| Дата введения: | 01.07.1986 |
| Дата окончания срока действия: | 01.07.2011 |
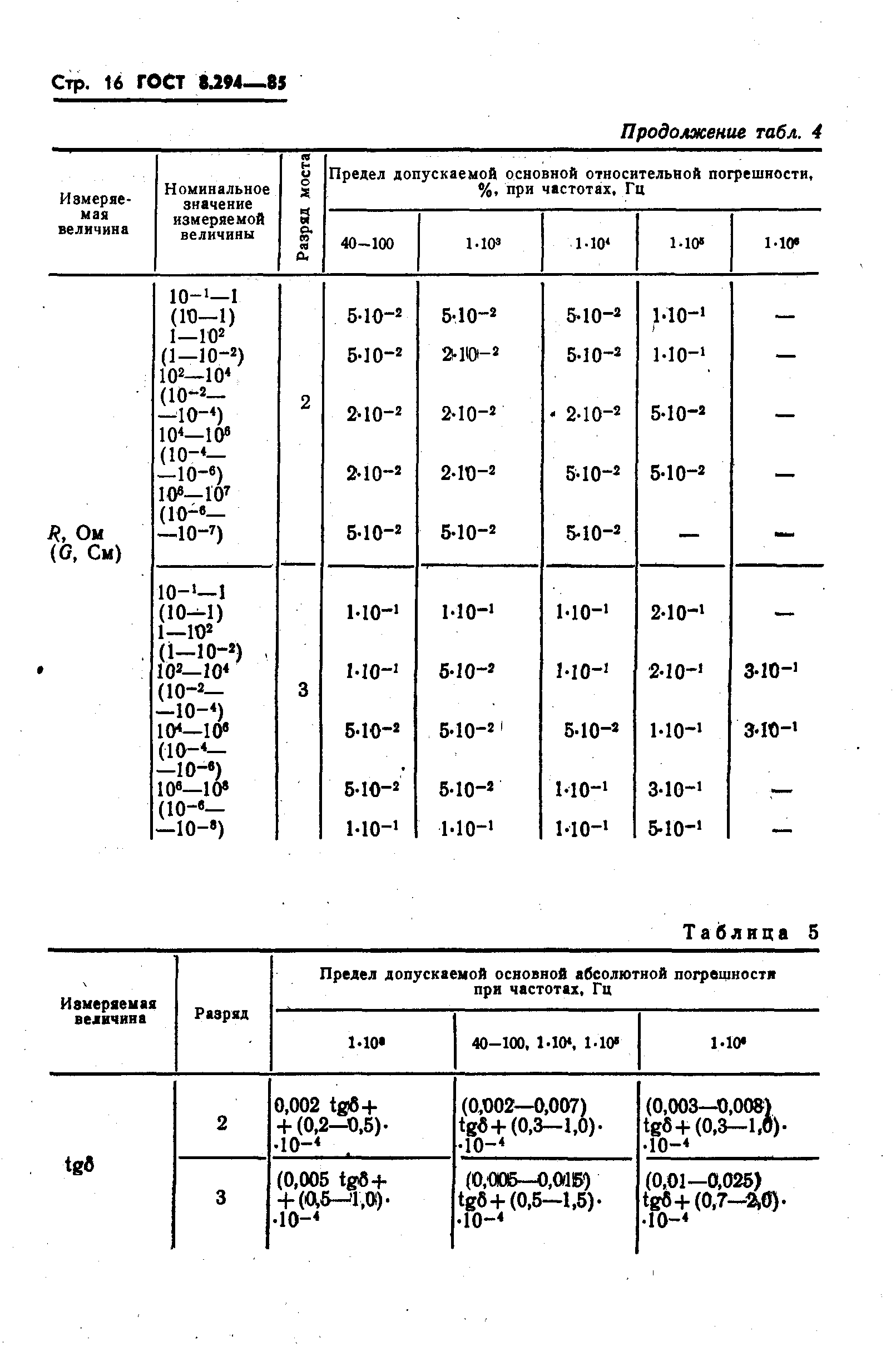
| Область применения: | Стандарт распространяется на измерительные мосты переменного тока по ГОСТ 9486-79 и автоматические цифровые мосты переменного тока по ГОСТ 25242-82, предназначенные для измерения электрической емкости С от 1х10 в степени -15 до 1х10 в степени -1 Ф, индуктивности L от 1х10 в степени -9 до 2х10 в степени -3 Гн, активного электрического сопротивления R от 1х10 в степени -2 до 1х10 в степени 8 Ом, активной электрической проводимости G от 1х10 в степени -8 до 1х10 в степени 2 См, тангенса угла потерь tg 8 от 1х10 в степени -5 до 2, добротности Q от 1х10 в степени -2 до 250, тангенса угла фазового сдвига tg ф от 1х10 в степени -4 до 10, постоянной времени r от 1х10 в степени -9 до 1х10 в степени -4 с при синусоидальном напряжении на объекте измерения U до 200 В в диапазоне частот f от 40 до 1х10 в степени 6 Гц. Стандарт не распространяется на мосты для специальных измерений (например электрохимических и магнитных измерений, измерений неэлектрических величин и сопротивления изоляции) и на мосты-компараторы. |
| Оглавление: | 1 Операции и средства поверки 2 Условия поверки и подготовка к ней 3 Требования безопасности 4 Проведение поверки 5 Оформление результатов поверки Приложение 1 (справочное) Типы и основные характеристики основных средств поверки (за исключением составных мер) Приложение 2 (справочное) Составные меры L, Q, tg дельта, R, G, тау, tg фи Приложение 3 (справочное) Типы и технические характеристики вспомогательных средств поверки Приложение 4 (обязательное) Протокол Приложение 5 (справочное) Примеры определения основных погрешностей при поэлементной поверке наиболее распространенных четырех- и шестиплечих мостов Приложение 6 (справочное) Порядок определения метрологических характеристик мостов при метрологической аттестации их в качестве образцовых Приложение 7 (справочное) Пояснение терминов, применяемых в стандарте Приложение 8 (обязательное) Форма записи результатов поверки образцовых мостов на оборотной стороне свидетельства |
| Разработан: | Государственный комитет СССР по стандартам |
| Утверждён: | 28.06.1985 Государственный комитет СССР по стандартам (USSR National Committee on Standards 2057) |
| Издан: | Издательство стандартов (1985 г. ) |
| Заменяет собой: |
|
| Нормативные ссылки: |









































