Скачать ГОСТ Р 50067-92 Профили прессованные прямоугольные неравнополочного зетового сечения из алюминиевых и магниевых сплавов. СортаментДата актуализации: 01.01.2021
|
| Обозначение: | ГОСТ Р 50067-92 |
| Обозначение англ: | GOST R 50067-92 |
| Статус: | введен впервые |
| Название рус.: | Профили прессованные прямоугольные неравнополочного зетового сечения из алюминиевых и магниевых сплавов. Сортамент |
| Название англ.: | Extruded rectangular unequishelf zee-section shapes of aluminium and magnesium alloys. Dimensions |
| Дата добавления в базу: | 01.09.2013 |
| Дата актуализации: | 01.01.2021 |
| Дата введения: | 01.07.1993 |
| Область применения: | Стандарт устанавливает сортамент прессованных прямоугольных профилей неравнополочного зетового сечения из алюминиевых и магниевых сплавов, изготовляемых методом горячего прессования. |
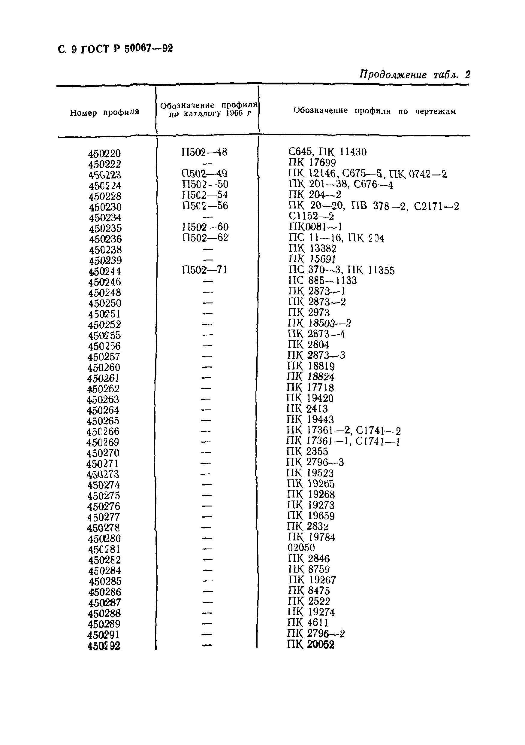
| Оглавление: | Приложение 1 (справочное) Приложение 2 (справочное) |
| Разработан: | Министерство авиационной промышленности СССР |
| Утверждён: | 29.07.1992 Госстандарт России (Russian Federation Gosstandart 810) |
| Издан: | Издательство стандартов (1992 г. ) Издательство стандартов (1994 г. ) |
| Список изменений: |
|
| Нормативные ссылки: |













Текстовое изменение Поправка от 13.11.2018