Скачать ГОСТ Р 50213-92 Машины текстильные и оборудование вспомогательное. Патроны конические для намотки пряжи (крестовая намотка). Половина угла конуса 5°57’. Размеры и методы контроляДата актуализации: 01.01.2021
|
| Обозначение: | ГОСТ Р 50213-92 |
| Обозначение англ: | GOST R 50213-92 |
| Статус: | введен впервые |
| Название рус.: | Машины текстильные и оборудование вспомогательное. Патроны конические для намотки пряжи (крестовая намотка). Половина угла конуса 5°57’. Размеры и методы контроля |
| Название англ.: | Textile machinery and accessories. Cones for yarn winding (cross wound). Half angle of the cone 5°57’. Dimensions and checking methods |
| Дата добавления в базу: | 01.09.2013 |
| Дата актуализации: | 01.01.2021 |
| Дата введения: | 01.01.1994 |
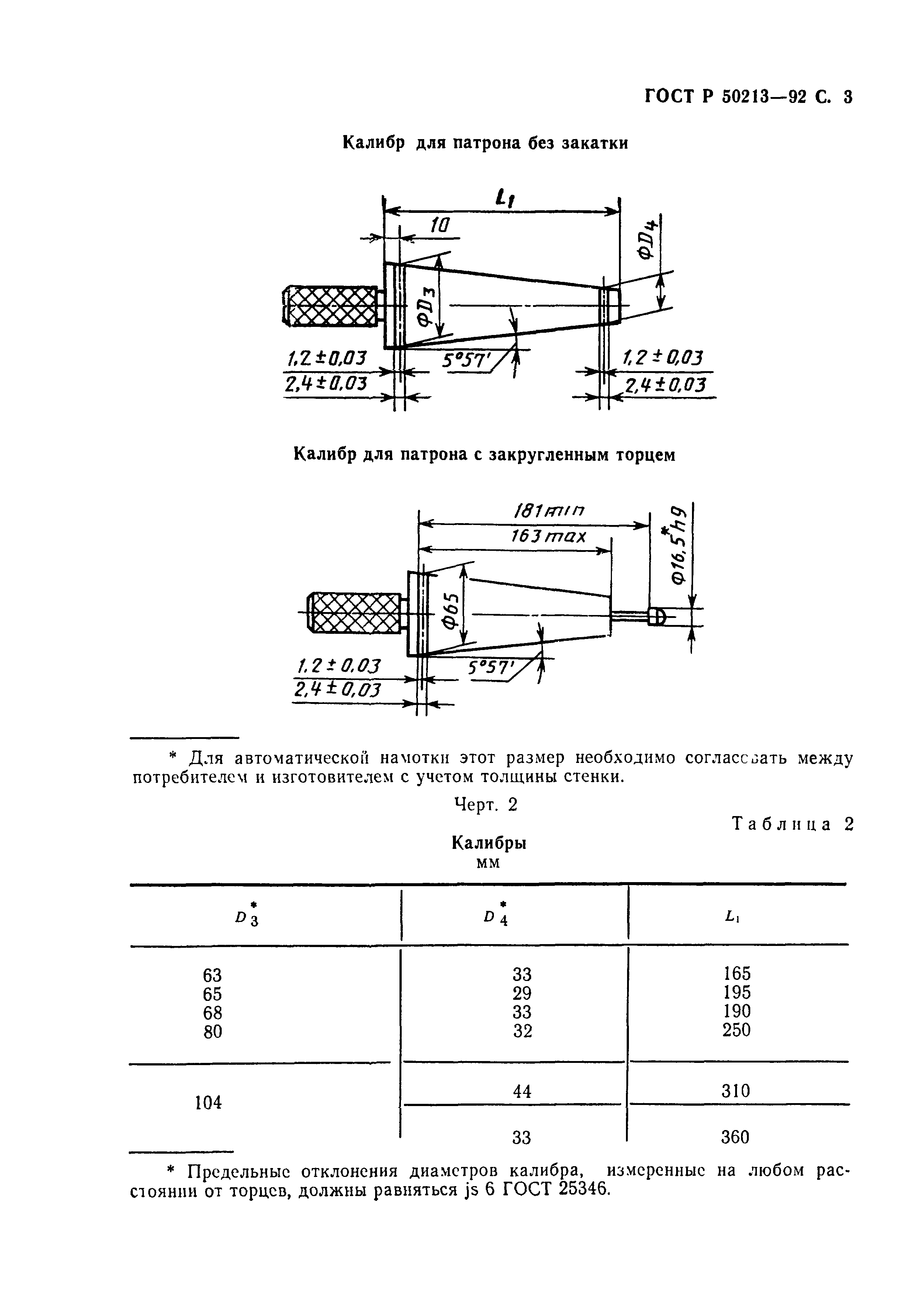
| Область применения: | Стандарт устанавливает размеры и допуски конических патронов для намотки пряжи (крестовая намотка) с половиной угла конуса 5°57’, а также размеры и допуски калибров для измерения патронов и распространяется на конические патроны для вновь разрабатываемого оборудования. |
| Оглавление: | 1. Назначение и область применения 2. Размеры и допуски 3. Материал 4. Применение калибра 5. Контроль длины конического патрона |
| Разработан: | ТК 314 Текстильные машины и оснастка |
| Утверждён: | 31.08.1992 Госстандарт России (Russian Federation Gosstandart 1069) |
| Издан: | Издательство стандартов (1992 г. ) |
| Список изменений: |
|
| Нормативные ссылки: |






Текстовое изменение Поправка от 01.02.1993