Скачать ГОСТ Р 50295-92 Конденсаторы постоянной емкости для электронной аппаратуры. Часть 9. Форма технических условий на конденсаторы постоянной емкости с керамическим диэлектриком типа 2. Уровень качества Е

Дата актуализации: 01.01.2021

ГОСТ Р 50295-92

Конденсаторы постоянной емкости для электронной аппаратуры. Часть 9. Форма технических условий на конденсаторы постоянной емкости с керамическим диэлектриком типа 2. Уровень качества Е

Обозначение: ГОСТ Р 50295-92
Обозначение англ: GOST R 50295-92
Статус:действует
Название рус.:Конденсаторы постоянной емкости для электронной аппаратуры. Часть 9. Форма технических условий на конденсаторы постоянной емкости с керамическим диэлектриком типа 2. Уровень качества Е
Название англ.:Fixed capacitors for use in electronic equipment. Part 9. Blank detail specification: fixed capacitors of ceramic dielectric, class 2. Assessment level E
Дата добавления в базу:01.09.2013
Дата актуализации:01.01.2021
Дата введения:01.07.1993
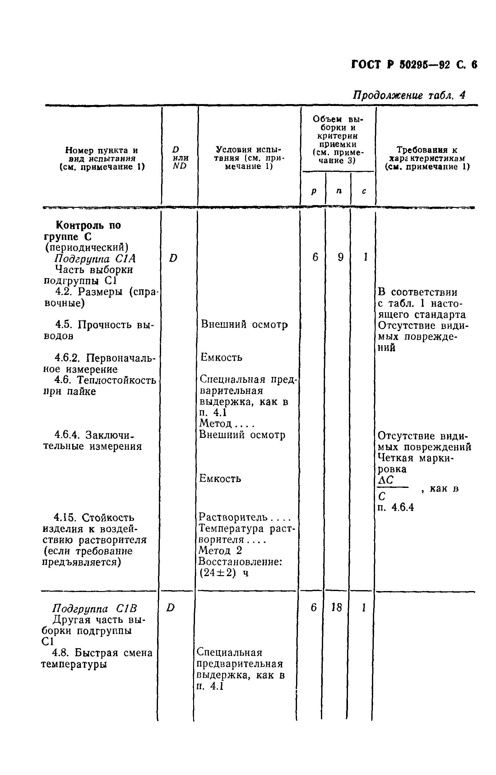
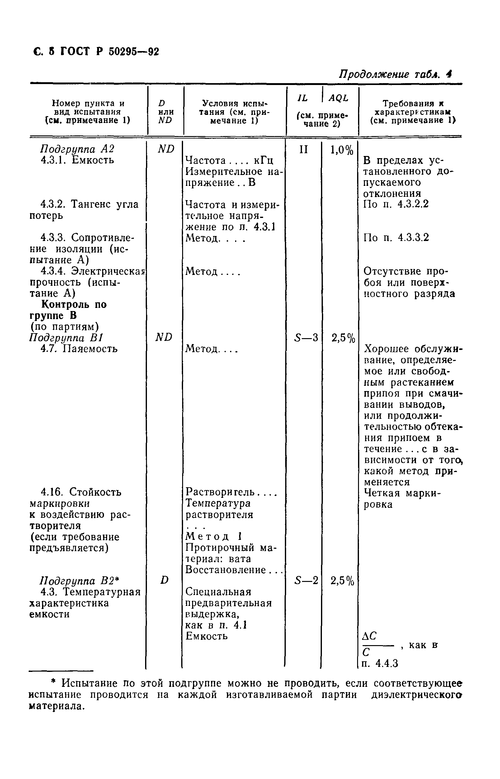
Оглавление:1. Общие данные
2. Требования к контролю
Утверждён:23.09.1992 Госстандарт России (Russian Federation Gosstandart 1243)
ГОСТ Р 50295-92ГОСТ Р 50295-92ГОСТ Р 50295-92ГОСТ Р 50295-92ГОСТ Р 50295-92ГОСТ Р 50295-92ГОСТ Р 50295-92ГОСТ Р 50295-92ГОСТ Р 50295-92ГОСТ Р 50295-92ГОСТ Р 50295-92ГОСТ Р 50295-92