Скачать ГОСТ Р 50392-92 Арматура для компенсаторов и уплотнений сильфонных металлических. Типы, основные параметры и размеры, общие технические требованияДата актуализации: 01.01.2021 ГОСТ Р 50392-92
Арматура для компенсаторов и уплотнений сильфонных металлических. Типы, основные параметры и размеры, общие технические требования| Обозначение: | ГОСТ Р 50392-92 | | Обозначение англ: | GOST R 50392-92 | | Статус: | введен впервые | | Название рус.: | Арматура для компенсаторов и уплотнений сильфонных металлических. Типы, основные параметры и размеры, общие технические требования | | Название англ.: | Fittings for metal bellows expansion joints and seals. Types, main parameters and dimensions. General specifications | | Дата добавления в базу: | 01.09.2013 | | Дата актуализации: | 01.01.2021 | | Дата введения: | 01.07.1993 | | Область применения: | Стандарт распространяется на присоединительную и ограничительную арматуру сильфонных металлических компенсаторов и уплотнений, применяемую для соединения их с сопрягаемыми деталями объектов применения, а также для ограничения перемещений в каком-либо направлении (направлениях). Положения, нормы и требования, установленные стандартом, учитываются при разработке конструкторской и нормативно-технической документации на данную продукцию. | | Оглавление: | 1 Типы и основные параметры 2 Основные размеры 3 Общие технические требования | | Разработан: | СКТБ Компенсатор
| | Утверждён: | 05.11.1992 Госстандарт России (Russian Federation Gosstandart 1488)
| | Издан: | Издательство стандартов (1993 г. )
| | Нормативные ссылки: | |
                                                                           
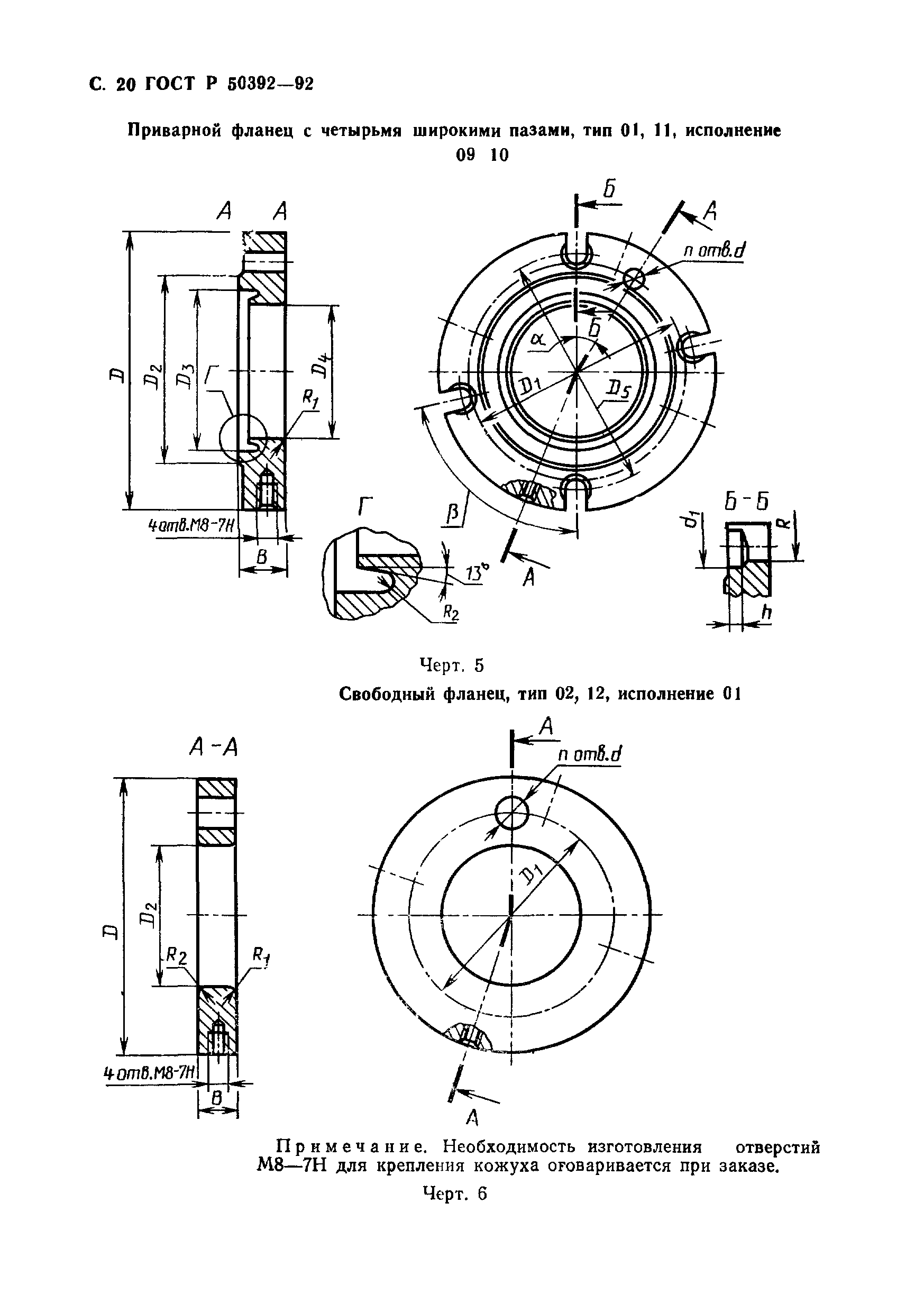
|