Скачать ГОСТ Р 50619-93 Сильфоны компенсаторные многослойные металлические. Типы, общие технические требованияДата актуализации: 01.01.2021 ГОСТ Р 50619-93
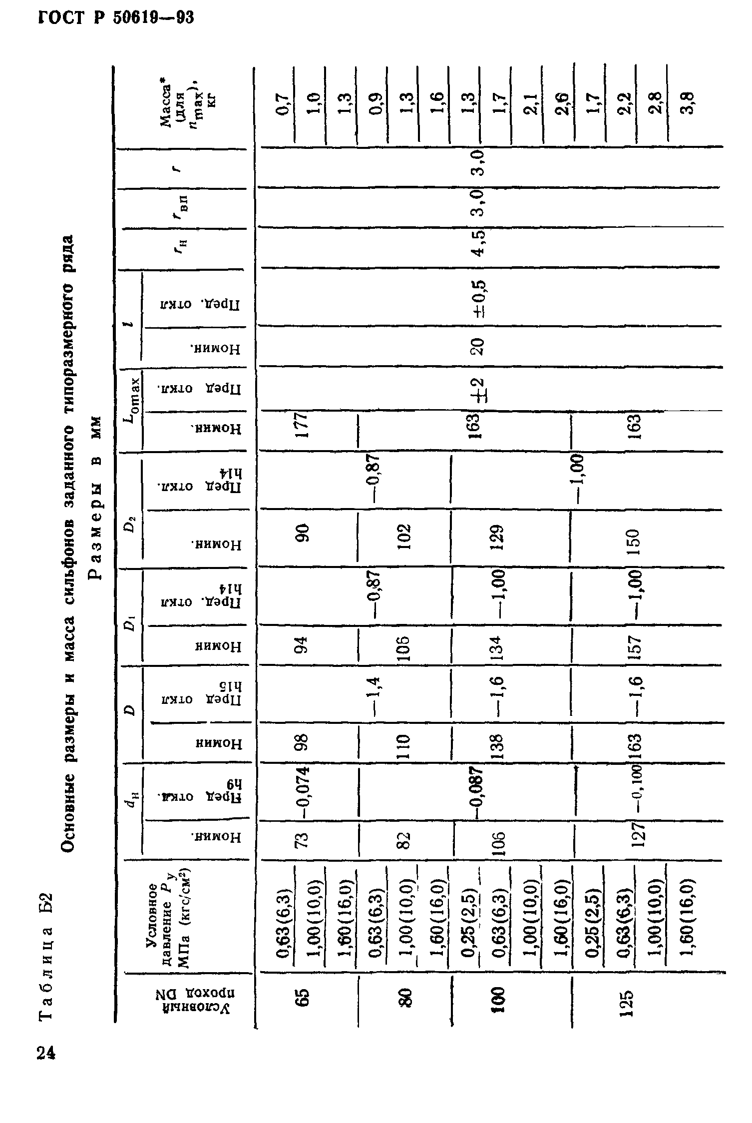
Сильфоны компенсаторные многослойные металлические. Типы, общие технические требования| Обозначение: | ГОСТ Р 50619-93 | | Обозначение англ: | GOST R 50619-93 | | Статус: | введен впервые | | Название рус.: | Сильфоны компенсаторные многослойные металлические. Типы, общие технические требования | | Название англ.: | Metal multylevels bellows for compensation. Types, general requirements | | Дата добавления в базу: | 01.09.2013 | | Дата актуализации: | 01.01.2021 | | Дата введения: | 01.07.1994 | | Область применения: | Стандарт распространяется на многослойные метал. лические сильфоны, предназначенные для использования в технике в качестве гибких герметичных элементов компенсирующих и уплотняющих устройств, проводящих или разделяющих жидкие или газообразные среды. | | Оглавление: | 1. Область применения 2. Нормативные ссылки 3. Общие требования 4. Типы 5. Основные параметры 6. Общие технические требования 6.1 Требования назначения 6.2 Требования надежности 6.3 Требования стойкости к внешним воздействиям 6.4 Требования транспортабельности 6.5 Конструктивные требования Приложение А Порядок пересчета амплитуд перемещений сильфонов Приложение Б Порядок табличного изложения в НТД на продукцию основных параметров, размеров и характеристик сильфонов | | Разработан: | СКТБ Компенсатор
| | Утверждён: | 14.12.1993 Госстандарт России (Russian Federation Gosstandart 253)
| | Издан: | Издательство стандартов (1994 г. )
| | Нормативные ссылки: | |
                             
|