Скачать ГОСТ Р 50679-94 Фотография. Камера. Автоматический контроль экспозицииДата актуализации: 01.01.2021
|
| Обозначение: | ГОСТ Р 50679-94 |
| Обозначение англ: | GOST R 50679-94 |
| Статус: | действует |
| Название рус.: | Фотография. Камера. Автоматический контроль экспозиции |
| Название англ.: | Photography. Cameras. Automatic controls of exposure |
| Дата добавления в базу: | 01.09.2013 |
| Дата актуализации: | 01.01.2021 |
| Дата введения: | 01.07.1995 |
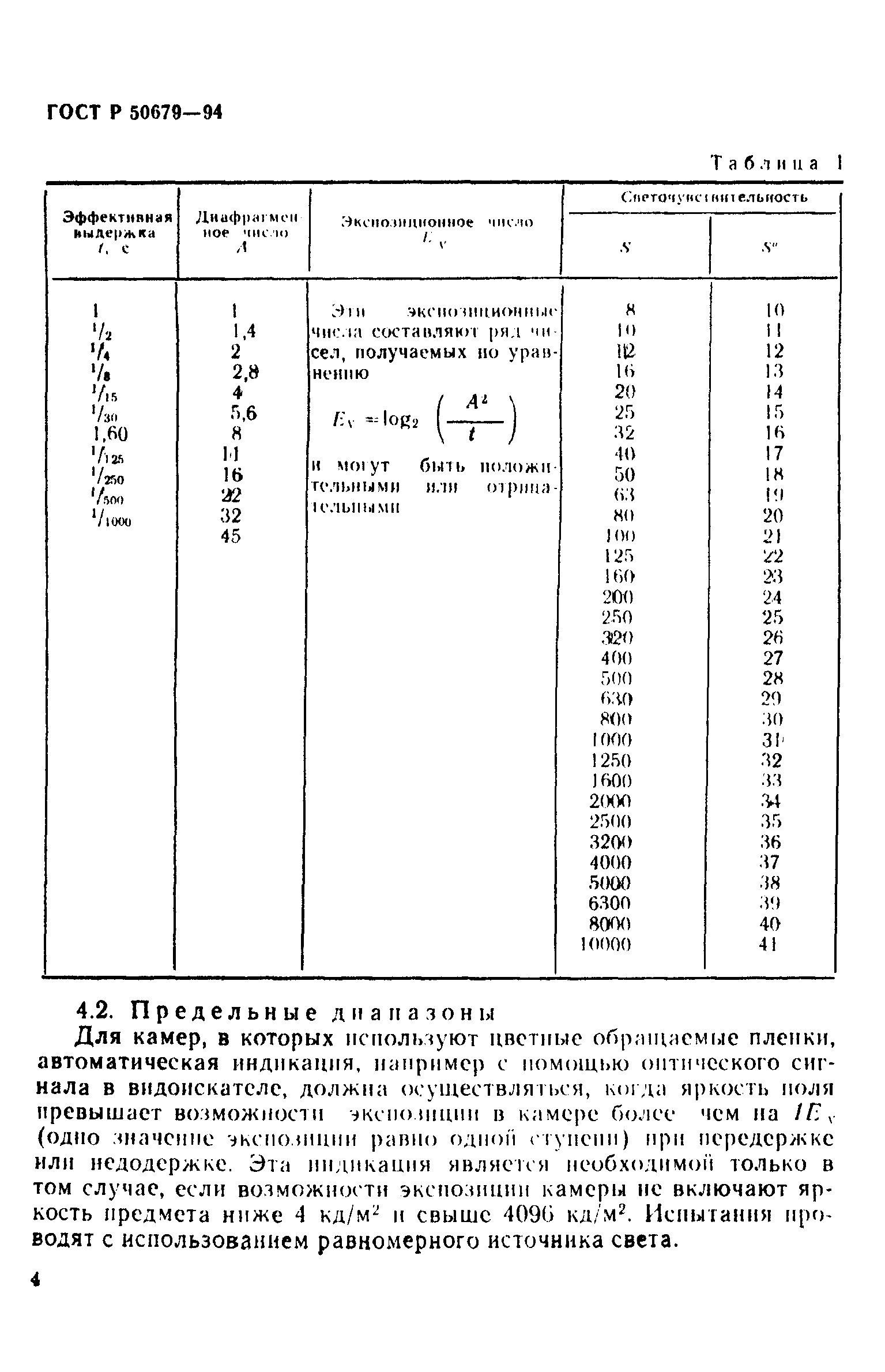
| Оглавление: | 0. Введение 1. Назначение и область применения 2. Нормативные ссылки 3. Определения 4. Специальные требования 5. Порядок контроля экспозиции 6. Принимающие углы фотоэлектрической системы Приложение А. Измерение экспозиции в фокальной плоскости и калибрование измерительных приборов Приложение В. Размер площади, в которой проводят измерения Приложение С. Испытание для определения рабочих характеристик Приложение D. Дополнительные требования к методу контроля автоматизированных камер, учитывающие особенности народного хозяйства страны Приложение Е. Программа испытаний и оформление результатов в табличной форме Приложение F. Диаграмма экспозиционных параметров в табличной форме Приложение G. Методика настройки контрольно измерительных приборов и определения номинального значения калибровочной постоянной экспонометрического устройства Приложение Н. Измерение неравномерности экспозиции по полю кадра фотоаппарата Приложение J. Шкалы светочувствительности по ИСО для монохромных (черно-белых) полутоновых и цветных негативных и цветных обращаемых пленок для фотографии |
| Утверждён: | 15.06.1994 Госстандарт России (Russian Federation Gosstandart 174) |


































