Скачать РД 34.37.404 Методические указания по предпусковой химической очистке теплоэнергетического оборудованияДата актуализации: 01.01.2021
|
| Обозначение: | РД 34.37.404 |
| Обозначение англ: | RD 34.37.404 |
| Статус: | действует |
| Название рус.: | Методические указания по предпусковой химической очистке теплоэнергетического оборудования |
| Название англ.: | Procedural Guidelines for Pre-Startup Chemical Cleaning of Thermal Energy Equipment |
| Дата добавления в базу: | 01.09.2013 |
| Дата актуализации: | 01.01.2021 |
| Дата введения: | 01.01.1986 |
| Область применения: | Указания предназначены для персонала специализированных проектных, монтажных и наладочных организаций Минэнерго СССР, для эксплуатационного персонала электростанций и являются основанием для проектирования и проведения химических очисток котлов и энергоблоков веред вводом их в эксплуатацию |
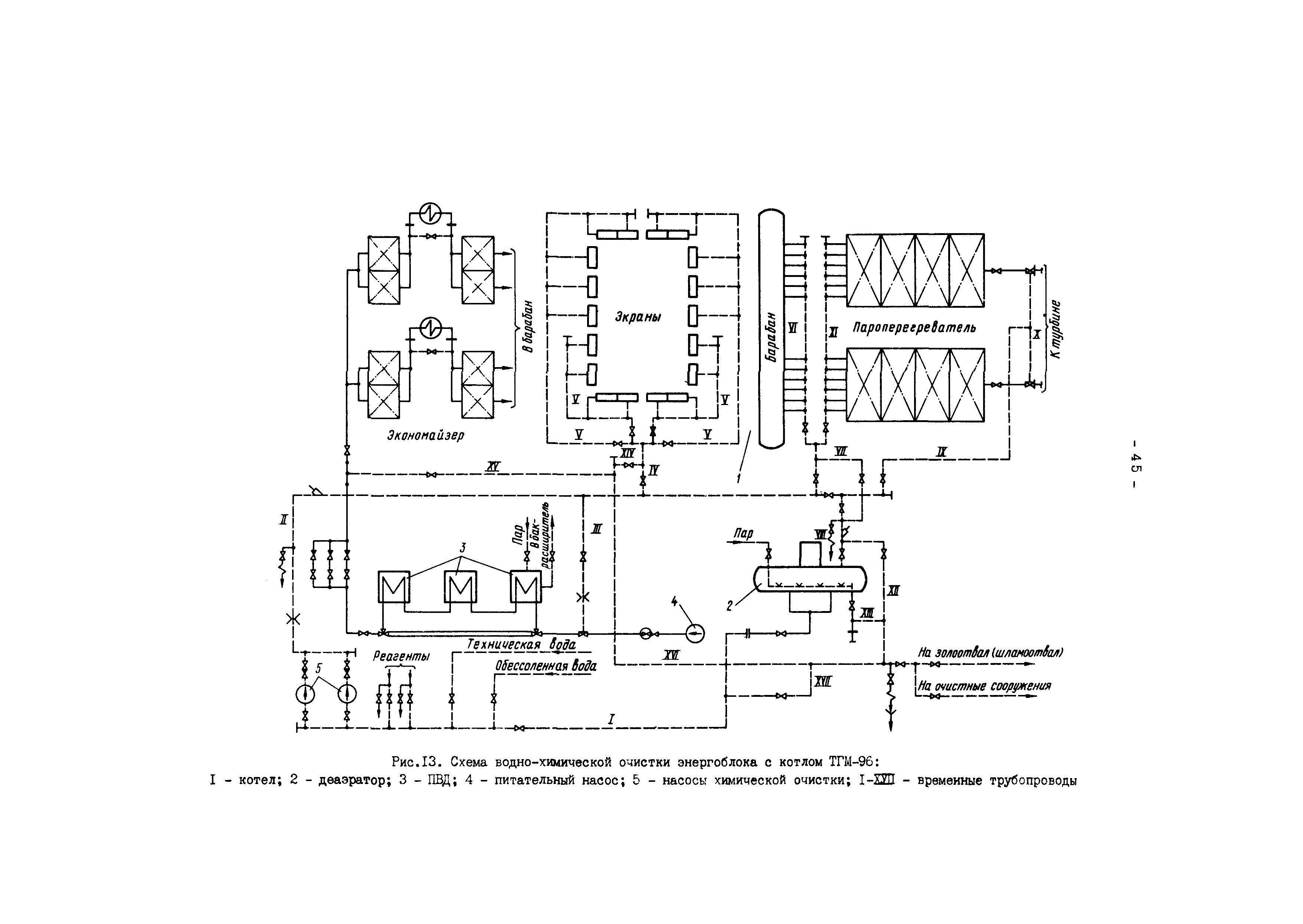
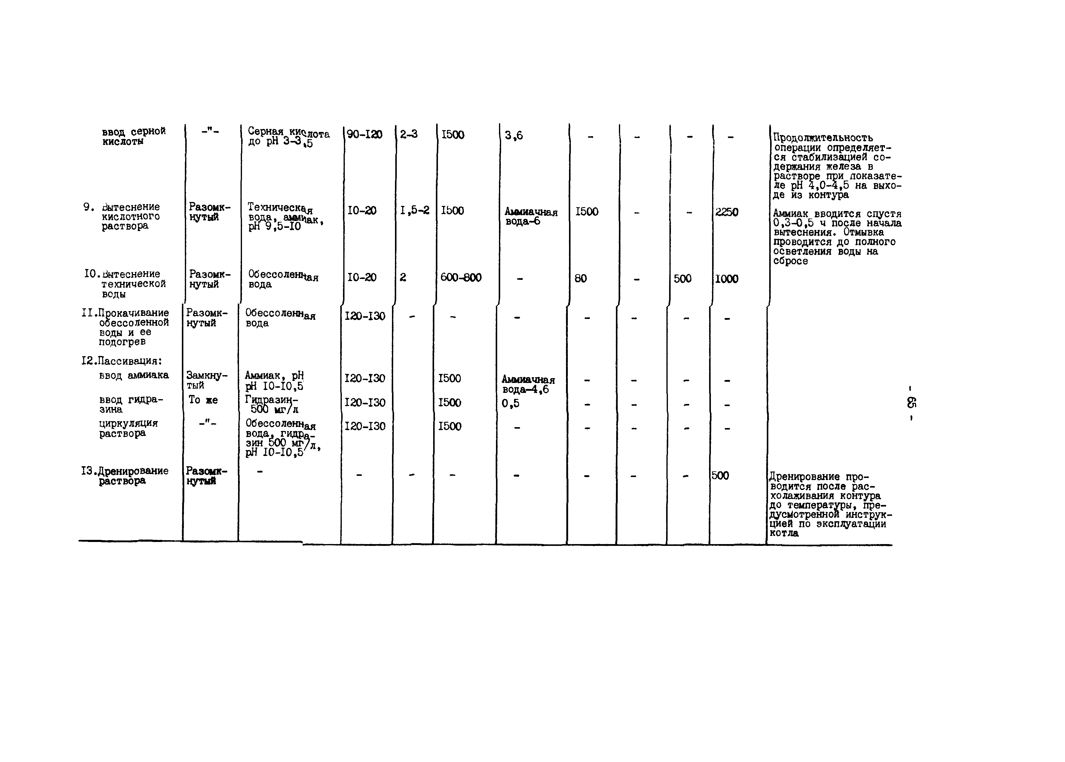
| Оглавление: | 1 Общие положения 2 Объем очистки 3 Принципиальные схемы предпусковых очисток 4 Методы и технологические режимы очистки 5 Выбор метода, технологического режима и схемы предпусковой очистки 6 Характеристика технологических операций предпусковых химических очисток 7 Реагентное хозяйство 8 Очистка сточных вод, образующихся при проведении предпусковой химической очистки 9 Расход реагентов для химической очистки 10 Подготовительные работы 11 Техника безопасности при проведении предпусковых химических очисток теплоэнергетического оборудования Приложение 1 Предпусковые химические очистки энергоблоков с барабанными и прямоточными котлами Приложение 2 Методика определения загрязненности внутренней поверхности труб Приложение 3 Технический акт о проведении предпусковой химической очистки Приложение 4 Общие требования к составу и свойствам воды водных объектов, используемой в рыбохозяйственных целях Приложение 5 Распоряжение о предпусковой химической очистке энергоблока (котла) Приложение 6 Характеристика реагентов, применяемых при предпусковых химических очистках, и меры безопасности при работе с ними |
| Разработан: | Мосэнергомонтаж Завод Котлоочистка |
| Утверждён: | 29.03.1985 Минэнерго СССР (USSR Minenergo ) |
| Издан: | СПО Союзтехэнерго (1986 г. ) |
| Заменяет собой: |
|
| Нормативные ссылки: |



















































































