Скачать РД 34.35.402-62 Руководящие указания по наладке, проверке и эксплуатации продольной дифференциальной защиты линий типа ДЗЛ-1Дата актуализации: 01.01.2021
|
| Обозначение: | РД 34.35.402-62 |
| Обозначение англ: | RD 34.35.402-62 |
| Статус: | действует |
| Название рус.: | Руководящие указания по наладке, проверке и эксплуатации продольной дифференциальной защиты линий типа ДЗЛ-1 |
| Название англ.: | Guidelines for Adjustment, Testing, and Operation of Line Longitudinal Differential Protective Means Type DZL-1 |
| Дата добавления в базу: | 01.01.2019 |
| Дата актуализации: | 01.01.2021 |
| Область применения: | В руководящих указаниях дано подробное описание защиты, приведены рекомендации по выбору уставок и проведению типовых испытаний и эксплуатационных проверок защиты |
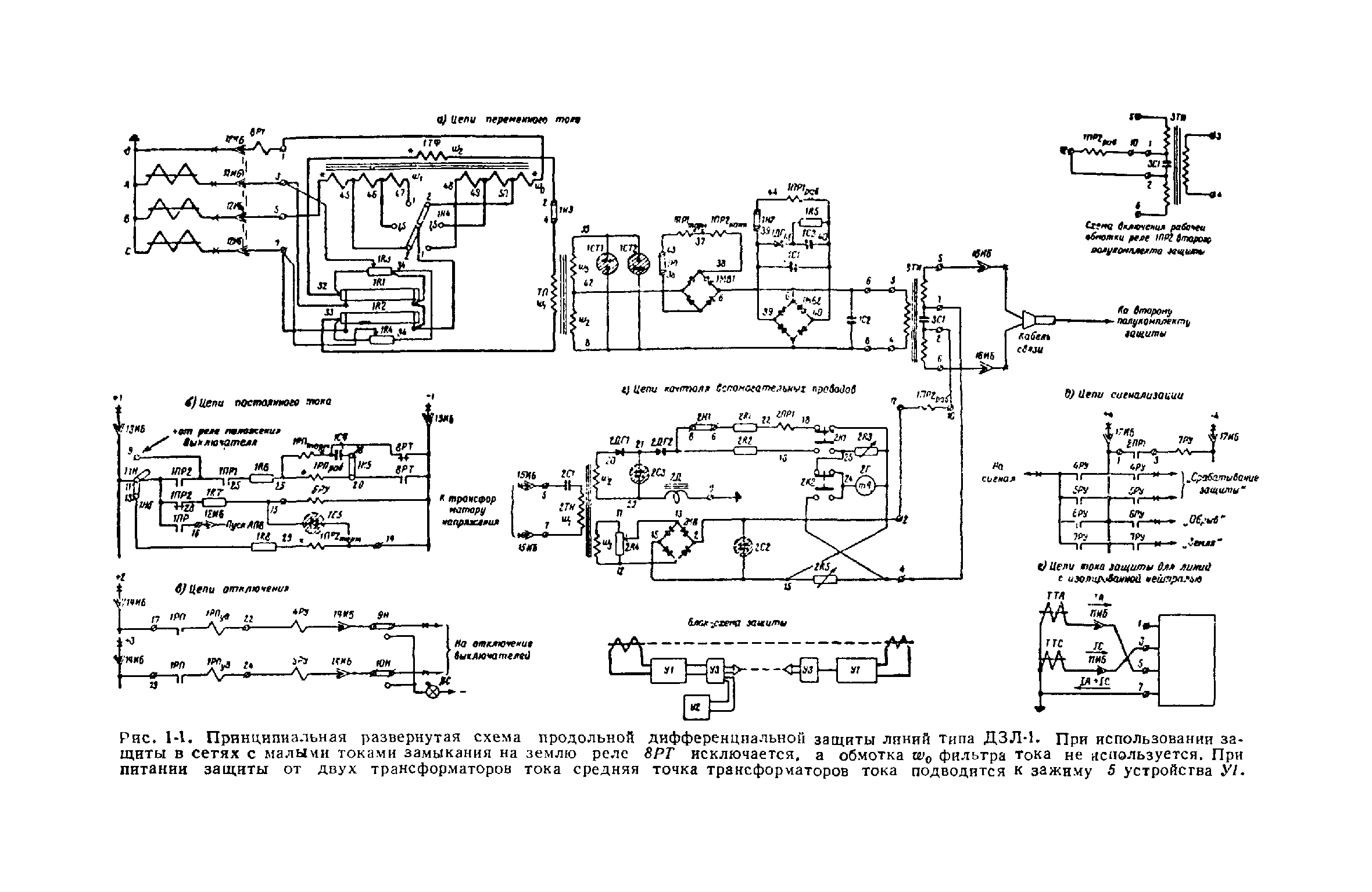
| Оглавление: | Глава первая. Описание защиты 1-1. Основные принципы 1-2. Конструктивное исполнение 1-3. Комбинированный фильтр тока 1ТФ, 1R1 - 1R4 1-4. Промежуточный трансформатор 1ТП 1-5. Стабилизаторы напряжения 1СТ1 и 1СТ2 1-6. Дифференциальное реле 1ПР1 и выпрямительные мосты 1МВ1 и 1МВ2 1-7. Конденсаторы 1С1, 1С2 и 1С3 1-8. Выходное реле 1РП 1-9. Указательные реле 4РУ, 5РУ, 6РУ и 7РУ 1-10. Реле тока нулевой последовательности 8РТ 1-11. Изолирующий трансформатор 3ТИ и разделительный конденсатор 3С1 1-12. Автоматический контроль исправности вспомогательных проводов 1.13. Устройство питания цепей контроля и измерения изоляции 1-14. Вспомогательные провода защиты 1-15. Поведение защиты в нормальном режиме и при повреждениях в системе 1-16. Основные технические данные защиты Глава вторая. Типовые испытания защиты 2-1. Назначение и программа типовых испытаний 2-2. Проверка и испытание комбинированного фильтра 2-3. Проверка промежуточного трансформатора 1ТП 2-4. Проверка газонаполненных стабилизаторов напряжения 1СТ1 и 1СТ9 2-5. Испытание дифференциального реле 1ПР1 2-6. Проверка выпрямительных мостов 1МВ1 и 1МВ2 2-7. Проверка конденсаторов 1С1 и 1С2 2-8. Проверка добавочных сопротивлений 1R5 - 1R8 2-9. Проверка изолирующего трансформатора 3ТИ 2-10. Проверка выходного реле 1РП 2-11. Проверка элементов устройства питания цепей контроля и измерения изоляции 2-12. Проверка поляризованного реле 1ПР2 2-13. Проверка поляризованного реле 2ПР1 2-14. Проверка стабилизированного трансформатора 2ТП 2-15. Испытание, дросселя 2Д 2-16. Измерение сопротивлений 2R1 - 2R5 2-17. Проверка емкости конденсаторов 2С2 и 2С3 2-18. Проверка германиевых диодов 2ДГ1, 2ДГ2 и выпрямительного моста 2МВ 2-19. Определение максимального сопротивления изоляции вспомогательных проводов, при котором срабатывает реле 2ПР1 2-20. Градуировка микроамперметра 2Г 2-21. Проверка пределов регулирования тока контроля потенциометром 2R4 2-22. Проверка стабилизации вторичного напряжения трансформатора 2ТН 2-23. Определение зависимости R2ср = f (IВ0) для полукомплекта защиты 2-24. Программа типовых испытаний защиты 2-25. Схема испытания и проверка ее 2-26. Зависимость тока срабатывания защиты от сопротивления и емкости вспомогательных проводов 2-27. Зависимость тока срабатывания защиты от вида короткого замыкания и уставки k 2-28. Измерение времени действия защиты в режиме одностороннего питания 2-29. Зависимость тока срабатывания защиты от величины h 2-30. Определение минимального тока контроля, при котором прекращается вибрация реле 1ПР2 2-31. Определение чувствительности защиты в режиме двустороннего питания и короткого замыкания в зоне защиты 2-32. Измерение времени действия защиты в режиме двустороннего питания 2-33. Испытание защиты в режиме внешних коротких замыканий 2-34. Проверка поведения защиты при однократных обрывах вспомогательных проводов 2-35. Проверка поведения защиты при многократных кратковременных обрывах вспомогательных проводов 2-36. Проверка поведения защиты и реле 1ПР2 при замыкании между проводами 2-37. Измерение времени возврата реле 1ПР2 при снятии напряжения переменного тока 2-38. Измерение мощности, потребляемой защитой в цепях тока Глава третья. Эксплуатационная проверка и наладка защиты при первом включении 3-1. Общие указания 3-2. Программа и объем проверки 3-3. Проверка трансформаторов тока, токовых цепей, цепей напряжения и оперативного тока защиты 3-4. Внешний осмотр, проверка монтажа, механической части реле, аппаратов защиты и контроля вспомогательных проводов 3-5. Проверка сопротивления и испытание электрической прочности изоляции реле, вспомогательных устройств и всех соединений защиты 3-6. Измерение сопротивления и емкости вспомогательных проводов защиты 3-7. Проверка и настройка реле и вспомогательных устройств 3-8. Регулировка поляризованных реле 3-9. Регулировка уставок защиты и проверка фильтра тока 3-10. Проверка и наладка устройства автоматического контроля вспомогательных проводов защиты 3-11. Проверка селективности защиты и идентичности обоих полукомплектов 3-12. Проверка взаимодействия реле и других элементов в полной схеме защиты 3-13. Проверка защиты током нагрузки линии Глава четвертая. Эксплуатационная проверка защиты ДЗЛ-1 Приложение П-1. Элементов защиты ДЗЛ-1 Приложение П-2. Паспорт-протокол эксплуатационной проверки и наладки продольной дифференциальной защиты линий ДЗЛ-1 Приложение П-3. Расчет и выбор уставок продольной дифференциальной защиты линий ДЗЛ-1 Приложение П-4. Примерная инструкция по эксплуатации продольной дифференциальной защиты линий ДЗЛ-1 Приложение П-5. Список приборов, необходимых для испытания и наладки защиты ДЗЛ-1 Приложение П-6. Опросный лист для заказа продольной дифференциальной защиты линий ДЗЛ-1 (заполняется заказчиком) Приложение П-7. Вывод выражения, определяющего сопротивление срабатывания реле 1ПР1 |
| Разработан: | ОРГРЭС |
| Утверждён: | Союзглавэнерго (Soyuzglavenergo ) |
| Издан: | Госэнергоиздат (1962 г. ) |
| Нормативные ссылки: |
























































































































