Скачать РД 34.35.404-63 Инструкция по наладке, проверке и эксплуатации дистанционных защит типов ПЗ-157 и ПЗ-158Дата актуализации: 01.01.2021
|
| Обозначение: | РД 34.35.404-63 |
| Обозначение англ: | RD 34.35.404-63 |
| Статус: | действует |
| Название рус.: | Инструкция по наладке, проверке и эксплуатации дистанционных защит типов ПЗ-157 и ПЗ-158 |
| Название англ.: | Guidelines for Adjustment, Testing, and Operation of Remote Protective Means Types PZ-157 and PZ-158 |
| Дата добавления в базу: | 01.01.2019 |
| Дата актуализации: | 01.01.2021 |
| Область применения: | В инструкции изложена методика наладки защит типов ПЗ-157 и ПЗ-158 при новом включении, приведен рекомендуемый объем эксплуатационных проверок, а также рекомендуемые указания дежурному персоналу. В инструкции дана только краткая техническая характеристика защит, включающая, в основном, описание назначения реле, а в приложении приведены параметры защит и их элементов. Инструкцией оговаривается объем проверок защит, относящийся только непосредственно к самой панели защиты. При этом имеется в виду, что в соответствии с действующими инструкциями производится проверка измерительных трансформаторов, от которых питается защита, проверка и испытание изоляции всех цепей, связывающих панель с измерительными трансформаторами, устройством АПВ, другими защитами, схемой сигнализации, опробование при пониженном напряжении и т.д. |
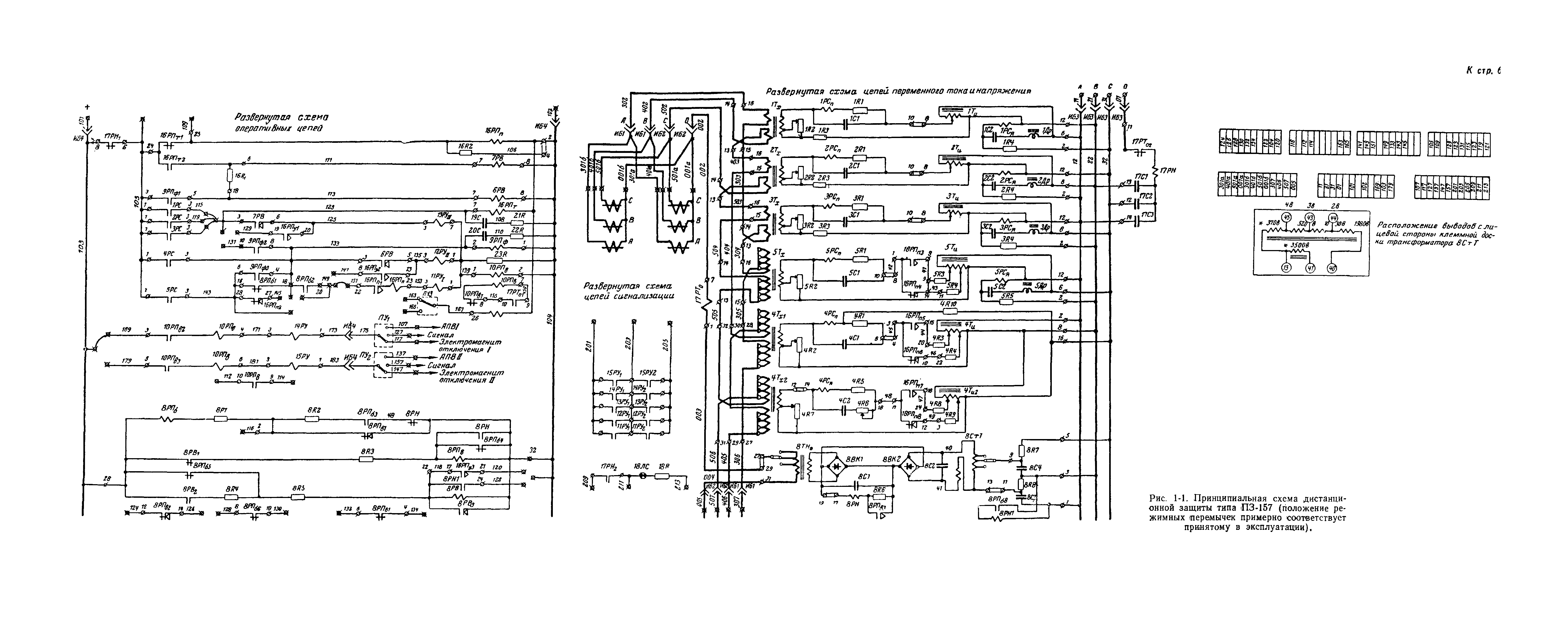
| Оглавление: | Введение I. Краткая характеристика дистанционных защит типов ПЗ-157 и ПЗ-158 I-1. Общие сведения I-2. Блокировка при качаниях типа КРБ-121 I-3. Блокировка при качаниях типа КРБ-122 II. Наладка и проверка защиты при новом включении II-1. Проверка и наладка собственно панелей защит II-2. Проверка прочей аппаратуры и цепей защит II-3. Внешний осмотр панели и проверка механической части аппаратуры II-4. Предварительная проверка состояния изоляции панели II-5. Проверка аппаратуры постоянного тока II-6. Проверка реле постоянного тока блокировок при качаниях типов КРБ-121 и КРБ-122 II-7. Проверка элементов переменного тока и напряжения блокировки при качаниях типа КРБ-121 II-8. Проверка элементов переменного тока и напряжения блокировки при качаниях типа КРБ-122 II-9. Проверка блокировки защиты типа ПЗ-157 при неисправностях в цепях напряжения II-10. Проверка реле сопротивления II-11. Проверка схемы постоянного тока II-12. Испытание изоляции панели повышенным напряжением II-13. Комплексная проверка панели защиты при питании от постороннего источника II-14. Проверка связей панели с другими элементами защиты и проверка защиты под нагрузкой III. Объемы эксплуатационных проверок защиты III-1. Объем проверок при новом включении III-2. Объем полной плановой проверки III-3. Рекомендуемый объем частичной проверки IV. Указания дежурному персоналу по эксплуатации дистанционной защиты типа ПЗ-157 (ПЗ-158) Приложение 1. Мероприятия, предотвращающие ложную работу защиты типа ПЗ-157 при неисправностях в цепях напряжения Приложение 2. Особенности настройки устройства блокировки защиты при качаниях типа КРБ-121 в сетях с сильно искаженной формой кривой напряжения Приложение 3. Основные технические данные защит типов ПЗ-157 и ПЗ-158 и их элементов Литература |
| Разработан: | ОРГРЭС |
| Утверждён: | Союзглавэнерго (Soyuzglavenergo ) |
| Издан: | Госэнергоиздат (1963 г. ) |







































































